I strongly recommend using a test light for these tests. For this type of problem, that will be more accurate than a digital voltmeter.
Start by turning on the head light switch. If the problem is as you described, they should not work, but we need something substantial turned on so current is trying to flow. That's what makes the missing voltages observable.
To verify the test light is working and that we aren't overlooking something stupid, place the clip on the battery's negative cable clamp, then put the probe on the positive cable clamp. The test light had better light up here.
Now move the clip from the negative clamp to a paint-free point on the body, not on the engine. Look for a rust-free bolt head or an unpainted metal bracket. The test light must still light up. If it doesn't, that smaller wire from the cable clamp to the body has a break in it.
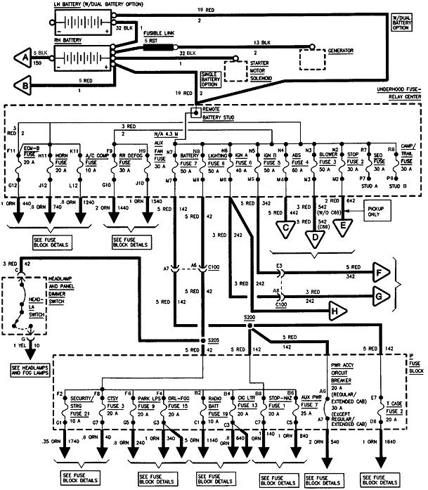
Next, move the probe from the positive cable clamp to the stud on the under-hood fuse box. Look for my nifty red arrow in the third diagram. This is the connection that usually causes the trouble. If this one is bad, the test light will light up when you touch the probe to the terminal on the end of the wire, but not when you move it to the stud itself.
If the test light still lights up nice and bright, leave the clip on the body, then check for voltage on the various fuses. The smaller ones will have two real small holes on top. Those are the two test points. The last diagram is the list of those fuse circuits. If you find voltage on both sides of a fuse, that circuit should be working. Since you say everything is dead, I'm expecting you to find voltage is missing by this point in the tests.
Let me know what you find.
Images (Click to enlarge)
May 13, 2021 at 7:58 PM
(Merged)