My back doors do not lock or unlock.

2005 CHEVROLET SILVERADO
120 MILES
Avatar
MIKEFLA
  • MEMBER
  • 1 POST
When I push the switch to lock my truck the only doors that lock are the two front ones. The back doors do not lock or unlock. Is this a relay problem? I am assuming the relay is under the dash. I did not see it in the electric center under the hood. Thanks. MikeFLA.
Feb 6, 2012 at 2:14 PM
Advertisement
Avatar
RIVERMIKERAT
  • CERTIFIED EXPERT
  • 6,110 POSTS
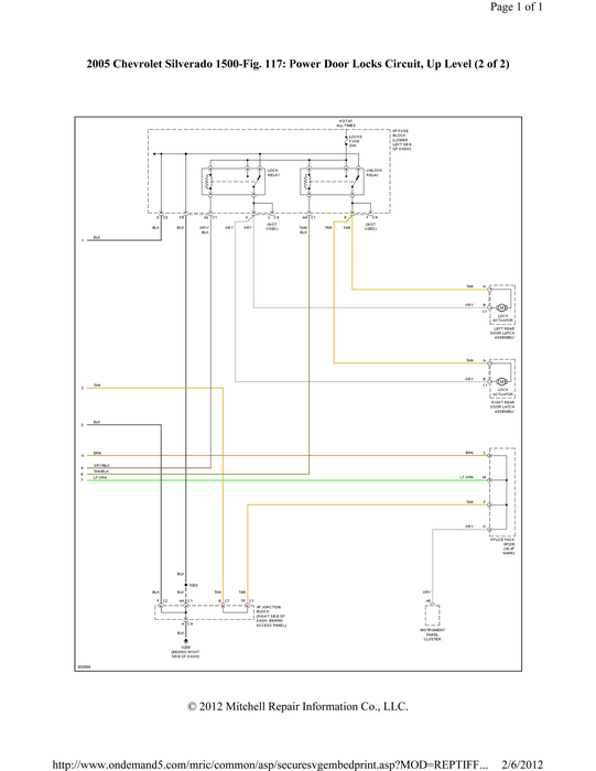
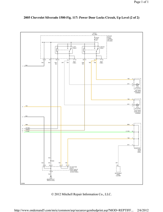
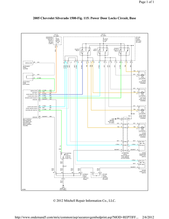
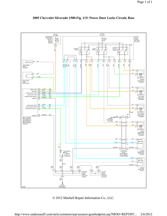
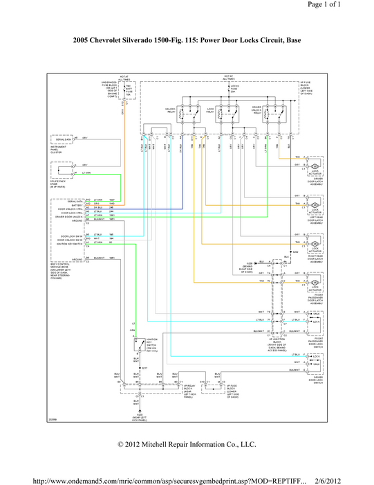
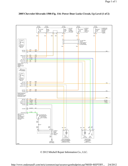
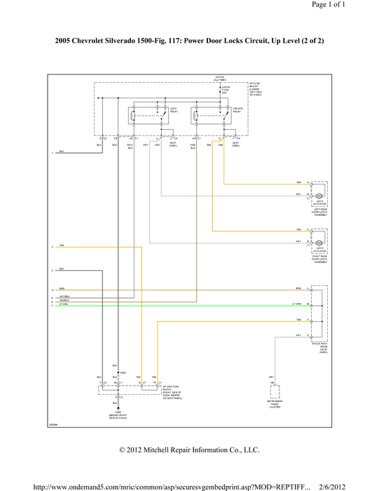
The driver unlock relay is in the instrument panel fuse block. It looks like the other doors are controlled by the body control module.

See if you can hear the solenoid moving inside the doors. If so, pull the panels and reconnect the linkage. Check the wiring to the solenoids. See images/schematics attached. There are 2 models. I sent schematics for both.
Feb 6, 2012 at 7:46 PM
Avatar
KENMCGOWAN
  • MEMBER
  • 1 POST
I'm having the same issue. I can't read the schematics. Could you email those to me?

Thanks, Ken
Dec 4, 2012 at 3:47 PM
Advertisement