Hello,
It could be the thermostat.
Another possibility is the cooling fan. First check to see if the cooling fan comes on when the engine is running at operating temperature. If the fan is operational then it could be the thermostat.
This vehicle is equipped with 2 cooling fans. Many times you will only have 1 functional fan and when that happens the engine will overheat.
A fan can be in operational due to a bad fan motor or fan relay. It can also be impacted by a coolant temperature sensor.
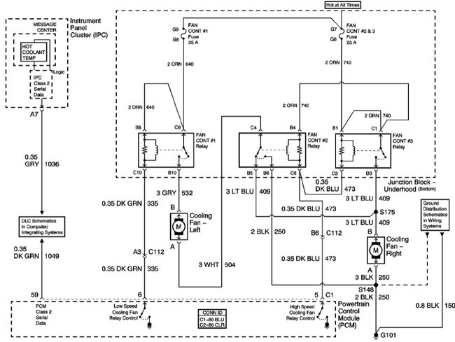
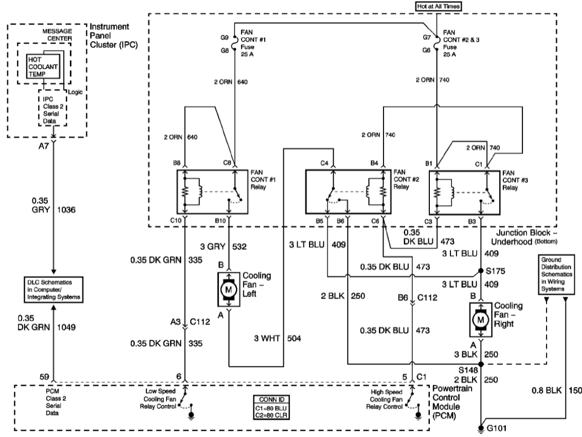
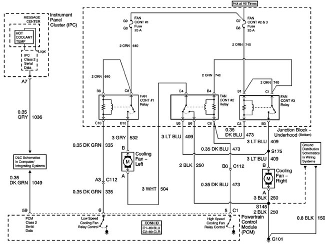
The fan relay is located under the hood in the junction box (see diagram).
You might find these articles helpful:
https://www.2carpros.com/articles/how-an-electric-cooling-fan-works
https://www.2carpros.com/articles/replace-electric-fan-motor
https://www.2carpros.com/articles/how-an-engine-thermostat-works
https://www.2carpros.com/articles/replace-thermostat
Remember to only work on the cooling system when the engine is cold.
I have attached diagrams for your reference.
Please let me know of any questions.
Thank you.
Images (Click to enlarge)
Aug 14, 2021 at 11:40 PM