My manual isn't showing a way to disable it. That could very well be something a GM scan tool is required for. Here' a little light reading on reprogramming it
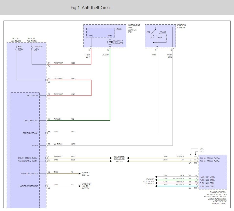
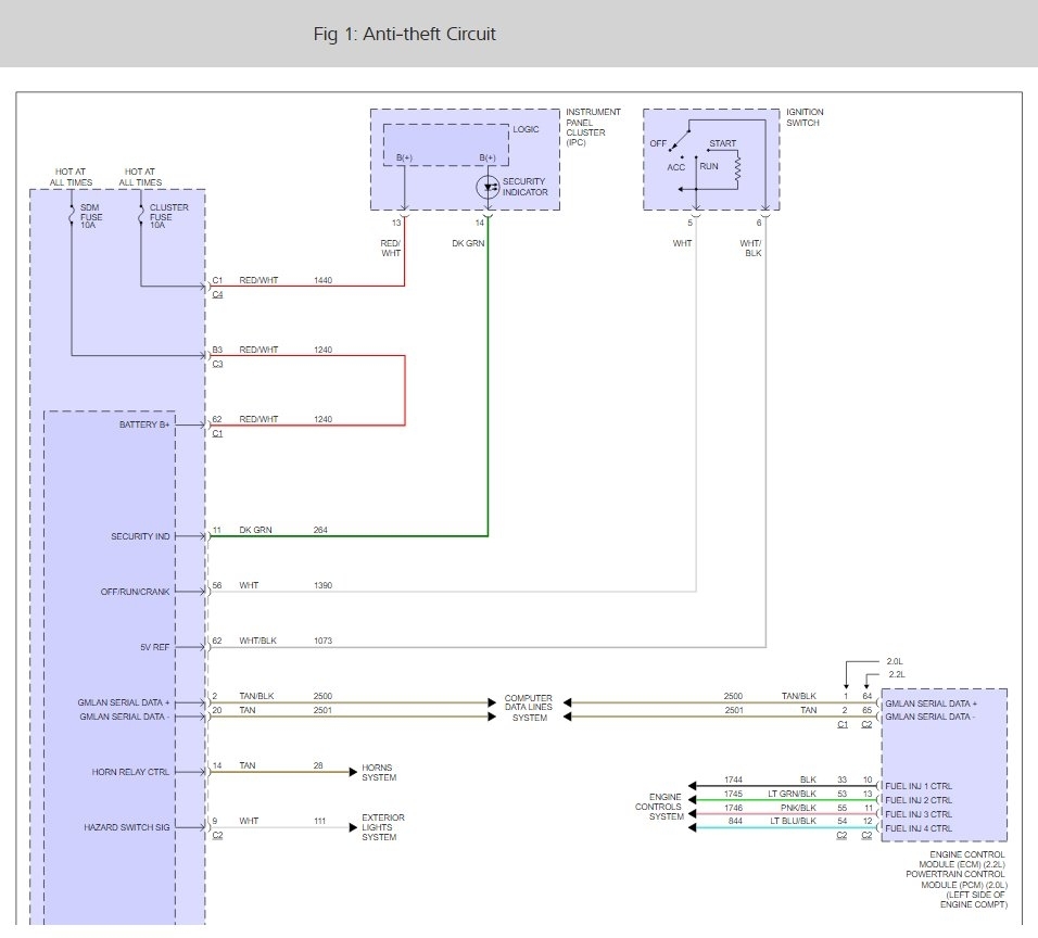
PROGRAMMING THEFT DETERRENT SYSTEM COMPONENTS
IMPORTANT:
- The body control module (BCM) must be programmed with the proper regular production option (RPO) configurations before performing learn procedures. See Body Control Module (BCM) Programming/RPO Configuration in Computer/Integrating Systems.
- If replacing the BCM with a GM Service Parts Operations (SPO) replacement part, the module will learn Passlock(TM) sensor data code immediately. The existing PCM however, must learn the new fuel continue password when the BCM is replaced.
- If replacing a PCM with a GM SPO replacement part, after programming, these modules will learn the incoming fuel continue password immediately upon receipt of a password message. Once a password message is received, and a password is learned, a learn procedure must be performed to change this password again. A PCM which has been previously installed in another vehicle will have learned the other vehicle's fuel continue password, and will require a learn procedure after programming to learn the current vehicle's password.
Conditions
Use this procedure after replacing:
- Passlock(TM) Sensor
- BCM
- PCM
Learn PROCEDURES
There are 2 available methods to perform the programming procedure:
- A 10-minute procedure which requires a Tech 2 and a techline terminal.
- A 30-minute procedure which does not require the use of any tools.
10-Minute Learn Procedure
Tools Required
- Tech 2
- Techline terminal with current Service Programming System (SPS) software
1. Connect the Tech 2 to the vehicle.
2. Select "Request Information" under "Service Programming".
3. Disconnect the Tech 2 from the vehicle and connect it to a techline terminal.
4. On the techline terminal, select "Theft Module Re-Learn" under "Service Programming".
5. Disconnect the Tech 2 from the techline terminal and connect it to the vehicle.
6. Turn ON the ignition, with the engine OFF.
7. Select "VTD Re-Learn" under "Service Programming".
8. Attempt to start the engine, then release the key to ON. The vehicle will not start.
9. Observe the SECURITY telltale. After approximately 10 minutes, the telltale will turn OFF. The vehicle is now ready to relearn the Passlock(TM) Sensor Data Code and/or password on the next ignition switch transition from OFF to CRANK.
10. Turn OFF the ignition, and wait 5 seconds.
11. Start the engine. The vehicle has now learned the password.
12. With the Tech 2 (scan tool), clear any DTCs.
30-Minute Learn Procedure
1. Turn ON the ignition, with the engine OFF.
2. Attempt to start the engine, then release the key to ON. The vehicle will not start.
3. Observe the SECURITY telltale. After approximately 10 minutes, the telltale will turn OFF.
4. Turn OFF the ignition, and wait 5 seconds.
5. Repeat steps 1-4 two more times for a total of 3 cycles/30 minutes. The vehicle is now ready to relearn the Passlock(TM) Sensor Data Code and/or passwords on the next ignition switch transition from OFF to CRANK.
6. Start the engine. The vehicle has now learned the Passlock(TM) Sensor Data Code and/or password.
IMPORTANT: The vehicle learns the Passlock(TM) Sensor Data Code and/or password on the next ignition switch transition from OFF to CRANK. You must turn the ignition OFF before attempting to start the vehicle.
7. With a scan tool, clear any DTCs if needed. History DTCs will self clear after 100 ignition cycles.
Nov 30, 2015 at 7:10 AM