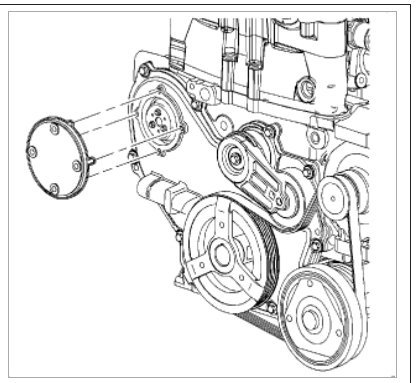
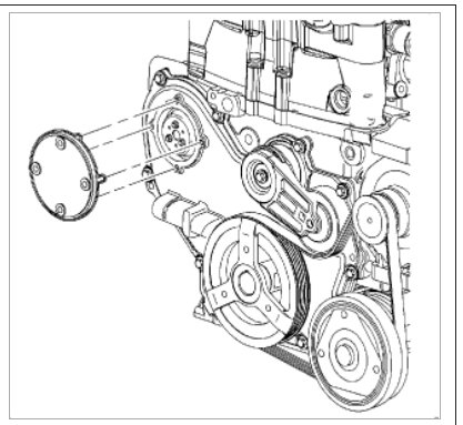
I need to replace the water pump in it. Can you tell me where it is located and what I need to do? I have friends who are willing to do it for $150 but figured it's cheaper to do it myself. I'm not a pro obviously, I can't even find where it's located nor do I know what to do.. Please help!!
Oct 20, 2013 at 11:34 AM









