I need brake light and turn signal wiring diagrams please?

2005 CHEVROLET BLAZER
120,000 MILES
Avatar
BADKAT83
  • MEMBER
  • 2 POSTS
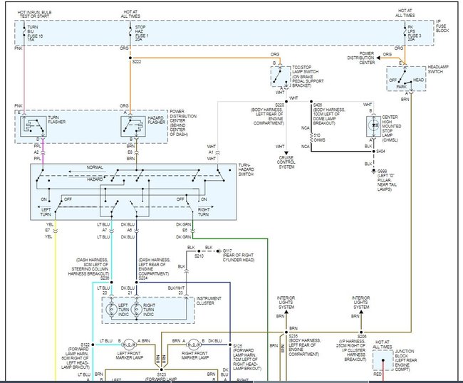
The high mounted stop lamp does not work. Checked to see if there was power going to it and there is no power. Need the Wiring Diagram to check to see if everything is hooked up?
Dec 27, 2011 at 2:15 PM
Advertisement
Avatar
FACTORYJACK
  • CERTIFIED EXPERT
  • 4,159 POSTS
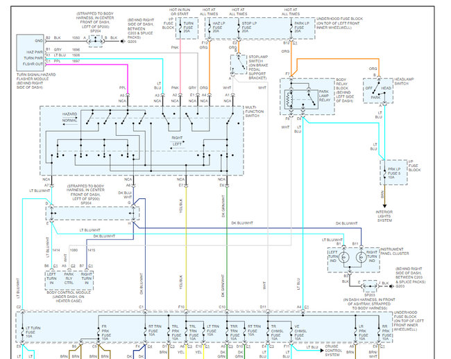
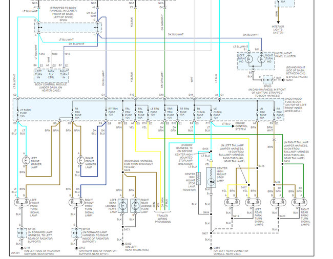
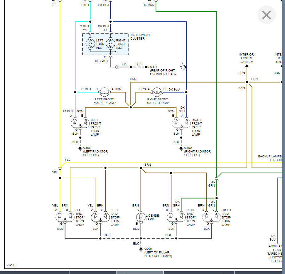
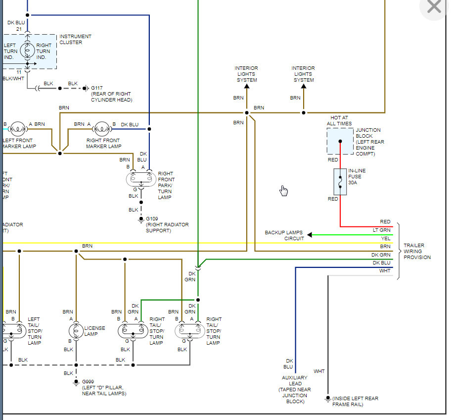
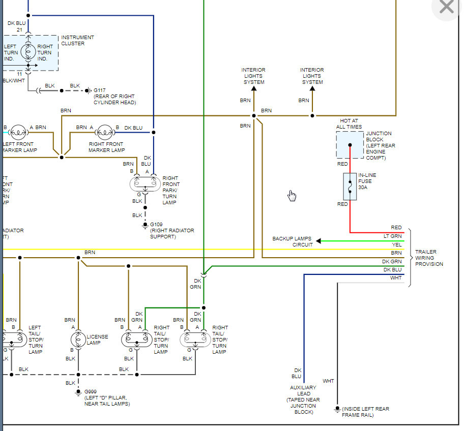
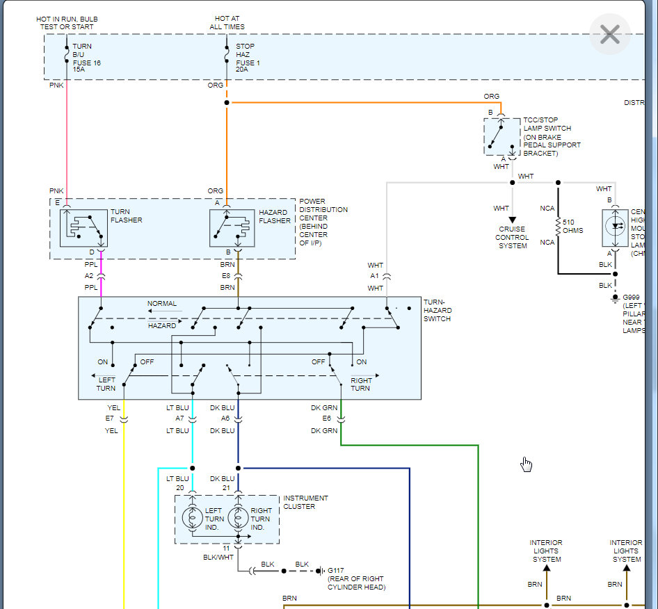
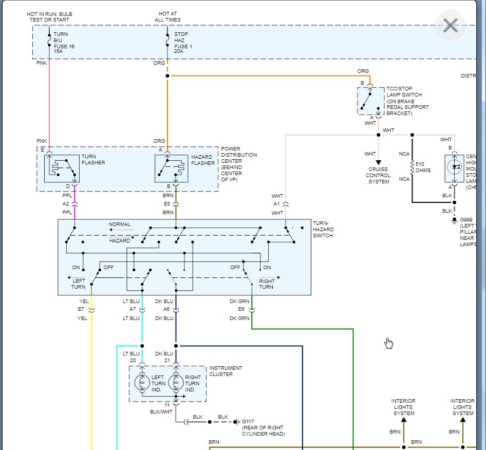
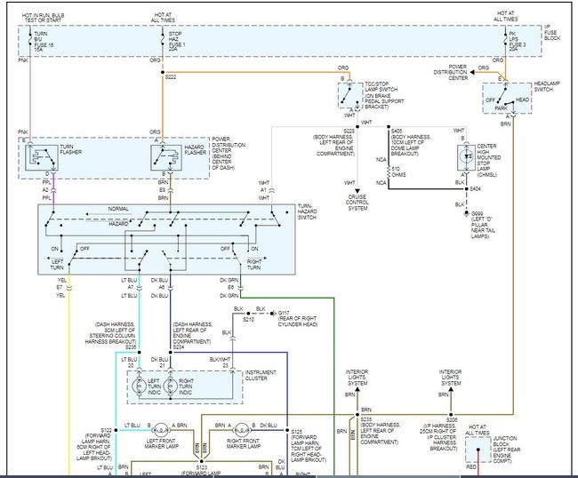
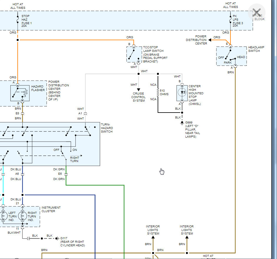
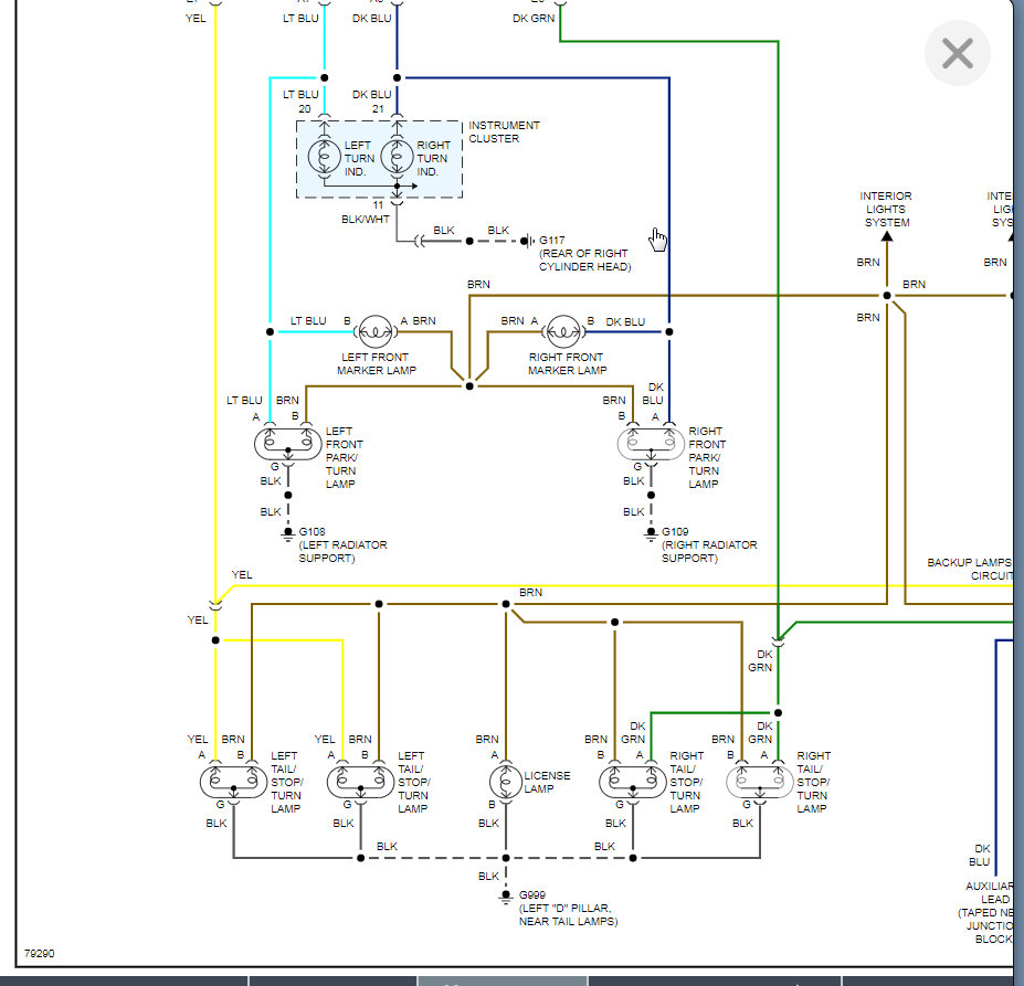
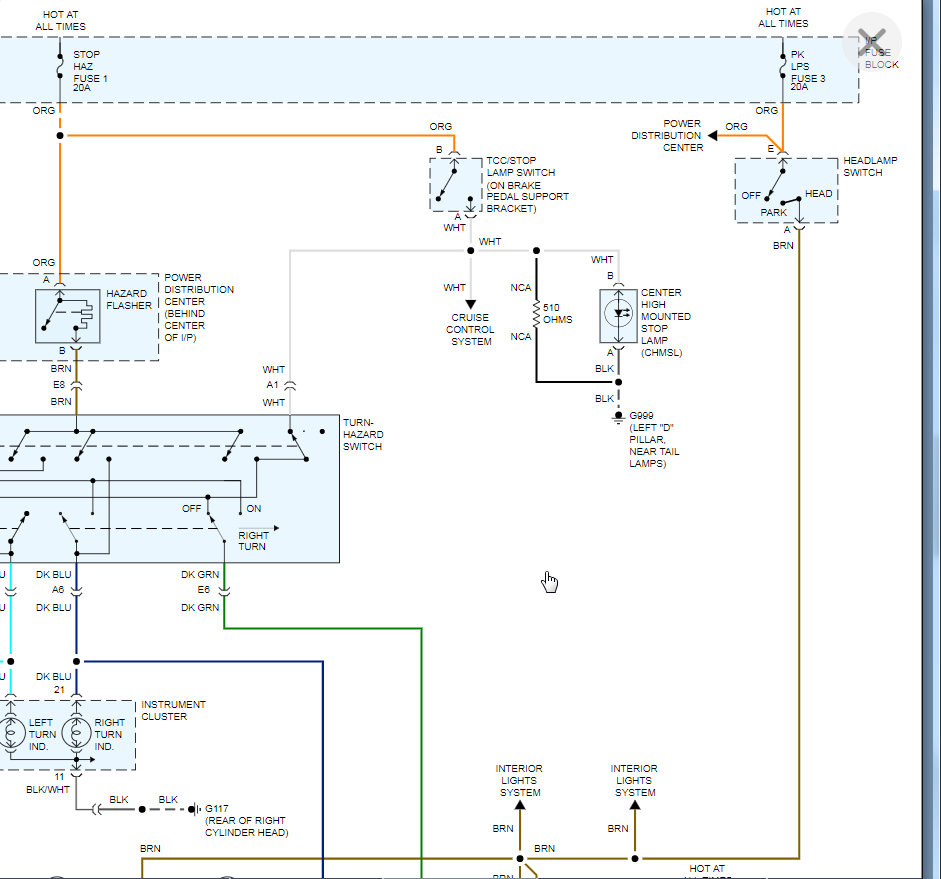
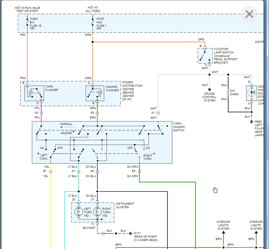
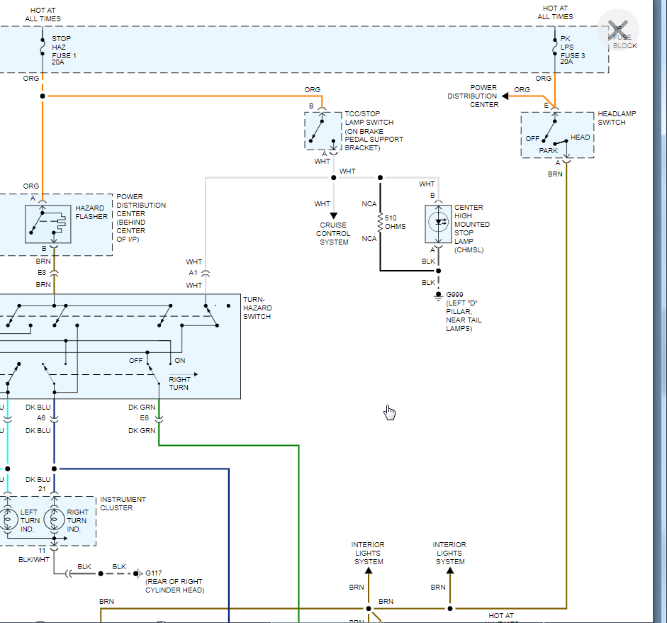
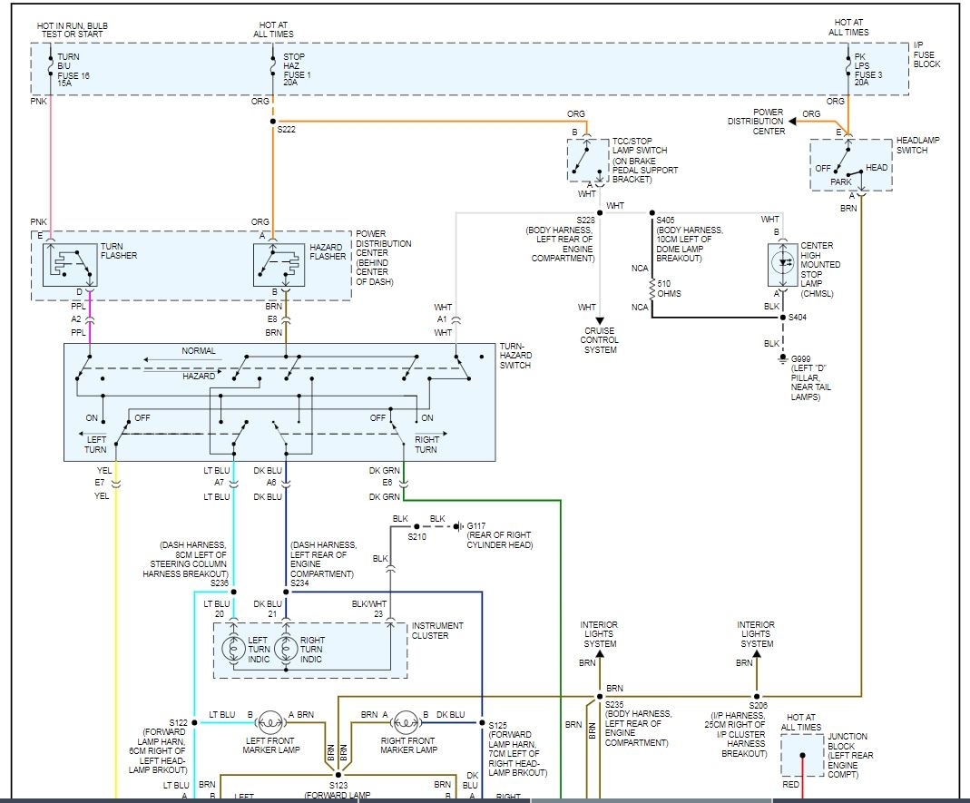
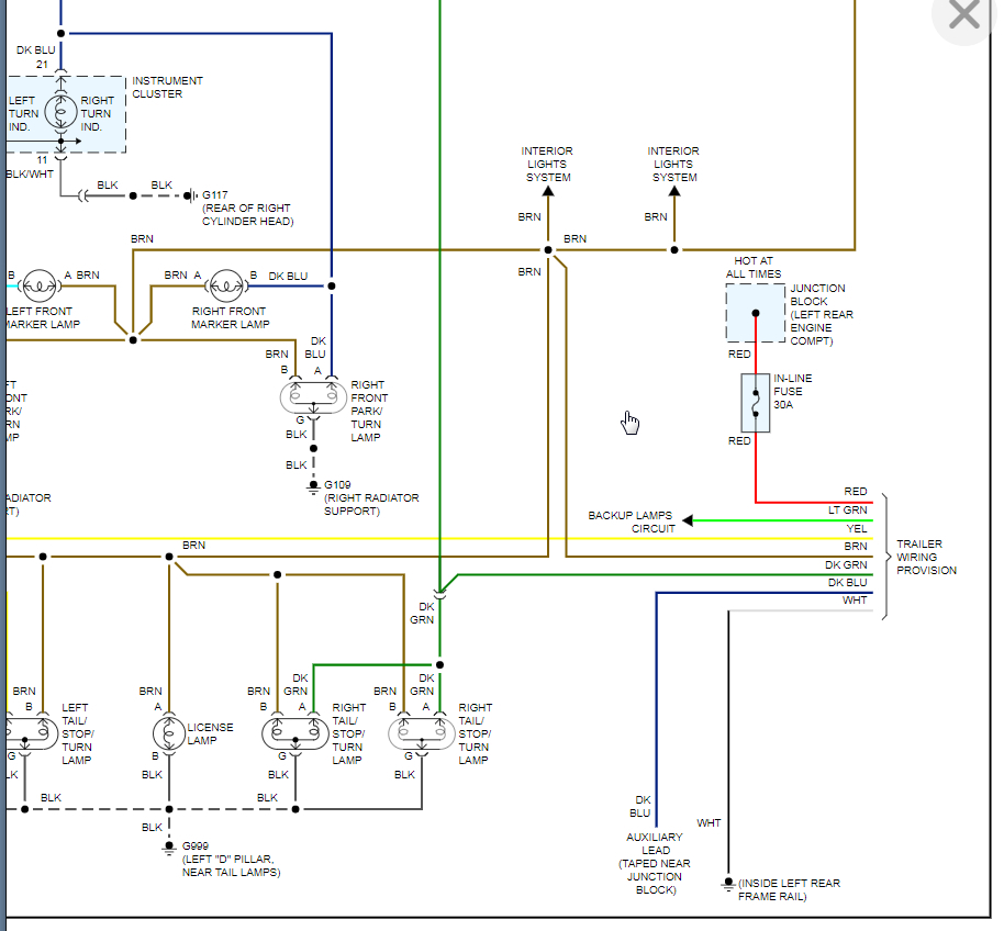
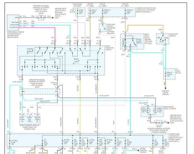
This sounds like the brake light switch or a fuse is out these guides can help us fix it. The fuse location for your can are in the diagrams below. Also the brake light wiring diagrams are below.

https://www.2carpros.com/articles/brake-lights-not-working

and

https://www.2carpros.com/articles/how-to-check-a-car-fuse

and

https://www.2carpros.com/articles/how-to-check-wiring

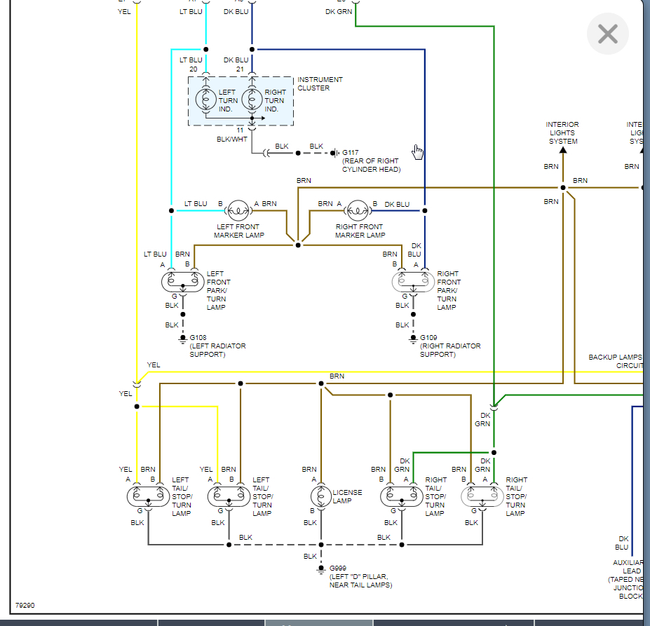
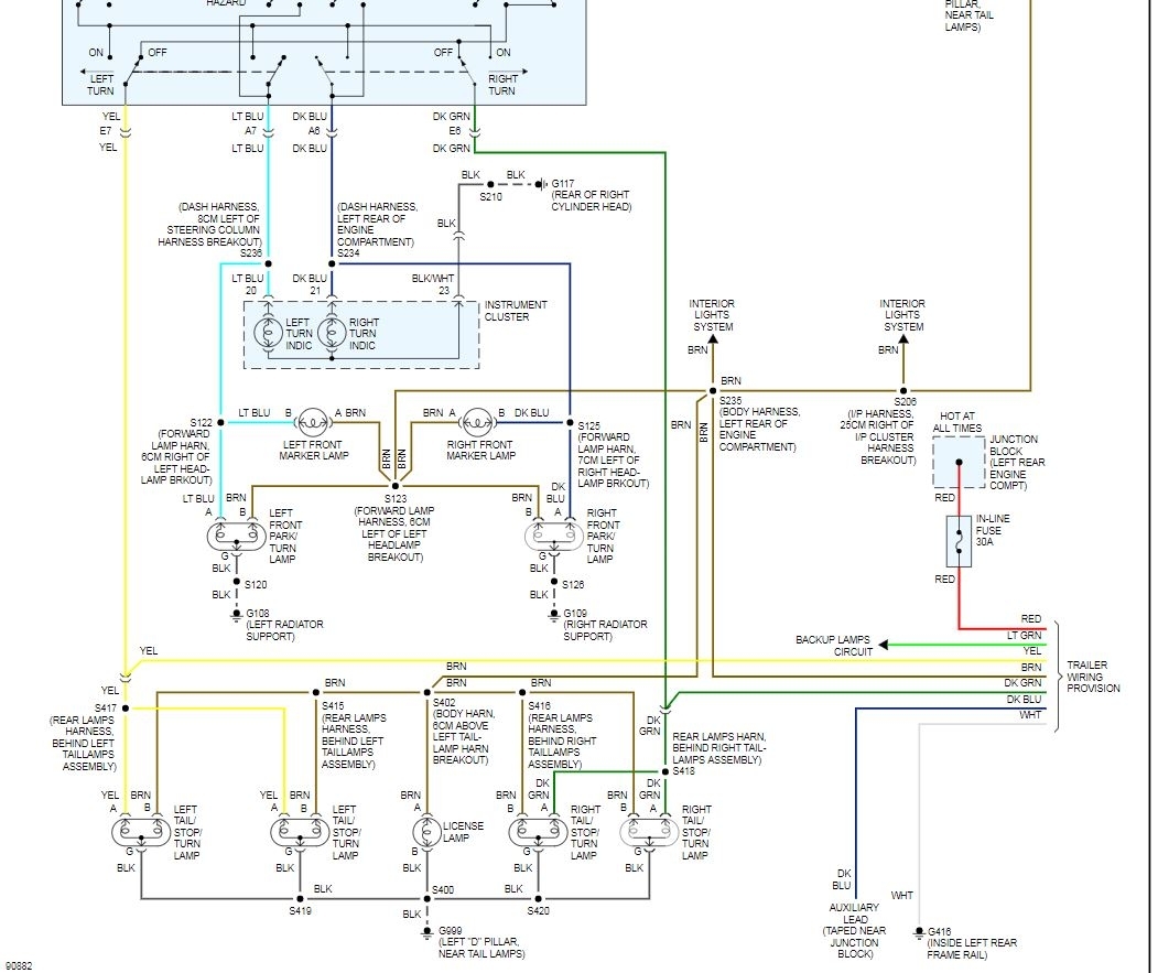
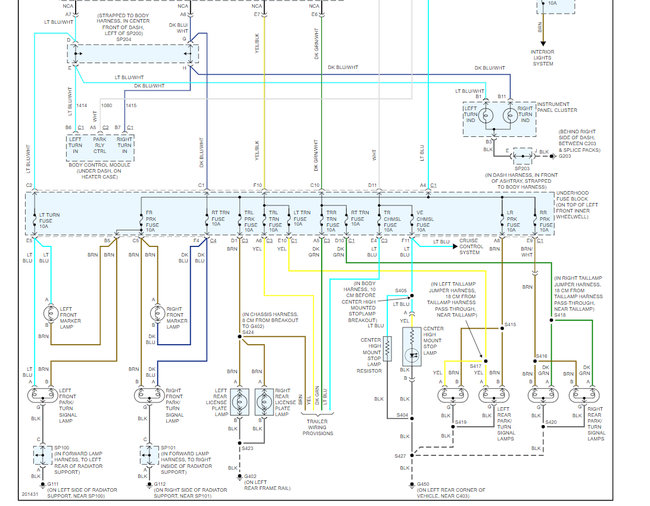
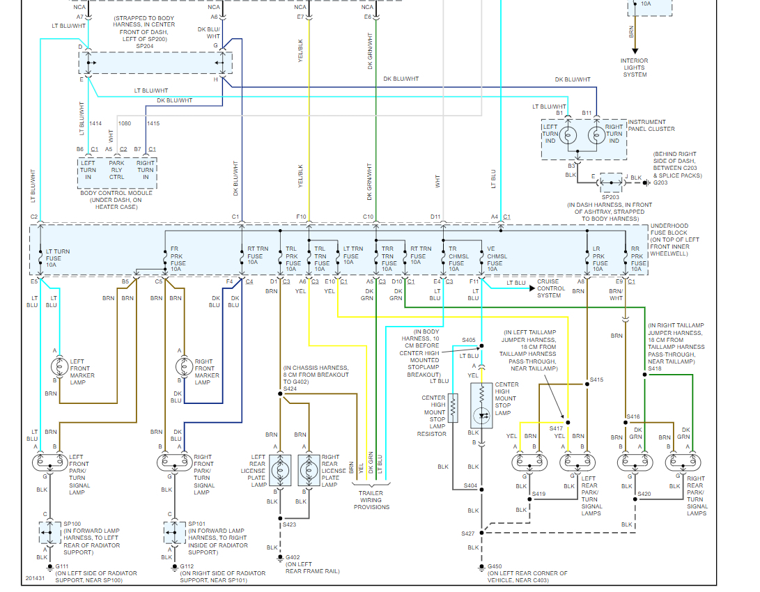
Check out the diagrams (Below). Let us know what happens and please upload pictures or videos of the problem. Here are the brake light wiring diagrams so you can see how the system works.
Dec 27, 2011 at 4:05 PM
Avatar
BADKAT83
  • MEMBER
  • 2 POSTS
Yes everything else works. Didn't know this didn't work until we took it to inspection. Thanks. I will see what I can do with diagram!!
Dec 27, 2011 at 4:55 PM
Advertisement
Avatar
UNC174
  • MEMBER
  • 1 POST
Lights don't work and brake lights don't come on when pedal is pressed, but brake light strip still works, so does the turn signals.
Jul 28, 2021 at 1:08 PM (Merged)
Avatar
STRAILER
  • CERTIFIED EXPERT
  • 53,854 POSTS
Hello,

There are four fuses (turn, stop, hazard and park) that run the system. we need to check first. here's a guide to help us and the fuse locations as well as the blinker and running light wiring diagrams so you can see how the system works and which fuses to check:

https://www.2carpros.com/articles/how-to-check-a-car-fuse

Check out the diagrams (below). Please let us know what you find. We are interested to see what it is.
Jul 28, 2021 at 1:08 PM (Merged)
Avatar
CSU37864
  • MEMBER
  • 1 POST
my signal rear lights work fine. However, my rear two brakes lights at the bottom on the left and right are not working, but the light on the top by the roof is working fine when I step on the brake. the fuses are ok with no problem. The switch is supplying 12 volts in and out. I am out of solutions. Is there anything I can do to fix my rear brake lights?

Thank you
Jul 28, 2021 at 1:08 PM (Merged)
Avatar
BLUELIGHTNIN6
  • CERTIFIED EXPERT
  • 16,542 POSTS
I believe you just need to replace bulbs. Yes, both bulbs can be blown at once. Just because both are blown now, doesn't mean they failed at the same time. After all, it's not everyday that we check our brake lights, so one bulb could have blown many weeks prior to the second one failing. If that doesn't fix it, check for power in and out of the turn signal switch

Attached below are the wiring diagrams
Jul 28, 2021 at 1:08 PM (Merged)
Avatar
CCFESSLER1
  • MEMBER
  • 1 POST
need to know wiring color specs for brake pedal switch plug connector need to splice into cold side for trailer brakes can you help?
Jul 28, 2021 at 1:08 PM (Merged)
Avatar
BLUELIGHTNIN6
  • CERTIFIED EXPERT
  • 16,542 POSTS
I have posted the wiring diagram for your vehicle's exterior light system and a guide to help testing.

https://www.2carpros.com/articles/how-to-check-wiring


Check out the diagrams (Below). Please let us know if you need anything else to get the problem fixed.
Jul 28, 2021 at 1:08 PM (Merged)
Avatar
SUSIEQ_41812
  • MEMBER
  • 3 POSTS
Brake, turn signals and hazard lights not working I changed out everything but the wires.
Jul 28, 2021 at 1:09 PM (Merged)
Avatar
KASEKENNY
  • CERTIFIED EXPERT
  • 18,907 POSTS
Okay. Can you be a little more specific with which lights are not working? Are the front and rear turn, and hazards working or is it just the rear? Do the turn indicators in the cluster work? Do the license plate lamps work? What about the marker lamps on the side?

Lastly can you list everything that you have replaced just so we don't recommend something you have done? I know you said everything but "everything" can be subjective.

Let me know and we can dig into the wiring. Thanks
Jul 28, 2021 at 1:09 PM (Merged)
Avatar
SUSIEQ_41812
  • MEMBER
  • 3 POSTS
Bottom brakes don't work, signals don't work no the hazards but the top brakes do.
Jul 28, 2021 at 1:09 PM (Merged)
Avatar
SUSIEQ_41812
  • MEMBER
  • 3 POSTS
No hazards ,no signal front or rear and only the top brakes work. we've replaced the fuses,switches everything and still nothing.
Jul 28, 2021 at 1:09 PM (Merged)
Avatar
KASEKENNY
  • CERTIFIED EXPERT
  • 18,907 POSTS
I attached the wiring diagram. We need to start measuring voltage on these circuits to see where we have power and where we do not. I would suggest starting at the fuse and working down through the flashers and to the switch. Basically we need to track the power to where we don't have it and that will tell us what the issue is. Clearly if you replaced the component then the wiring would be suspect after that. We are guessing until we narrow down where we have power and where we do not.
Jul 28, 2021 at 1:09 PM (Merged)