Power seat, adjustable steering wheel and heated seats not working

2005 CADILLAC STS
94,000 MILES
Avatar
JUDYFAYE
  • MEMBER
  • 1 POST
all of the sudden the adjustable steering wheel, powers seats and the heated seat on the driver's side stopped working
Jan 14, 2012 at 8:42 PM
Advertisement
Avatar
FACTORYJACK
  • CERTIFIED EXPERT
  • 4,159 POSTS
The passenger heated seat works? All the functions are controlled by the memory seat module, heated seat functions are through bussed messages to the climate controlled seat module. Since you have memory seat/steering column issues, I would suspect your source of problems to be from the memory seat module. Aside from checking powers and grounds to the seat module, I would first do a master reset on all systems. Disconnect both battery cables, and touch them together firmly for a minute or so. See if all your problems are resolved. You only have two elements per seat, and the heated seat switch is part of the climate control panel. To replace the switch/panel would be an expensive shotgun. It sounds like you have a logic lock condition, and performing the above reset procedure will correct the condition if that is the case.
Jan 15, 2012 at 6:19 AM
Avatar
GARY5ABRAHAM
  • MEMBER
  • 1 POST
Did this work?? Both of my seat warmers are out and when I moved the passenger seat forward for easy access to the rear seat fuse blocks, the seat has frozen in the full forward position.
Jan 22, 2012 at 3:08 PM
Advertisement
Avatar
JUDYFAYE
  • MEMBER
  • 1 POST
No, none of this worked. Next step repair shop.
Jan 22, 2012 at 3:52 PM
Avatar
STRAILER
  • CERTIFIED EXPERT
  • 53,854 POSTS
Hey JUDYFAYE,

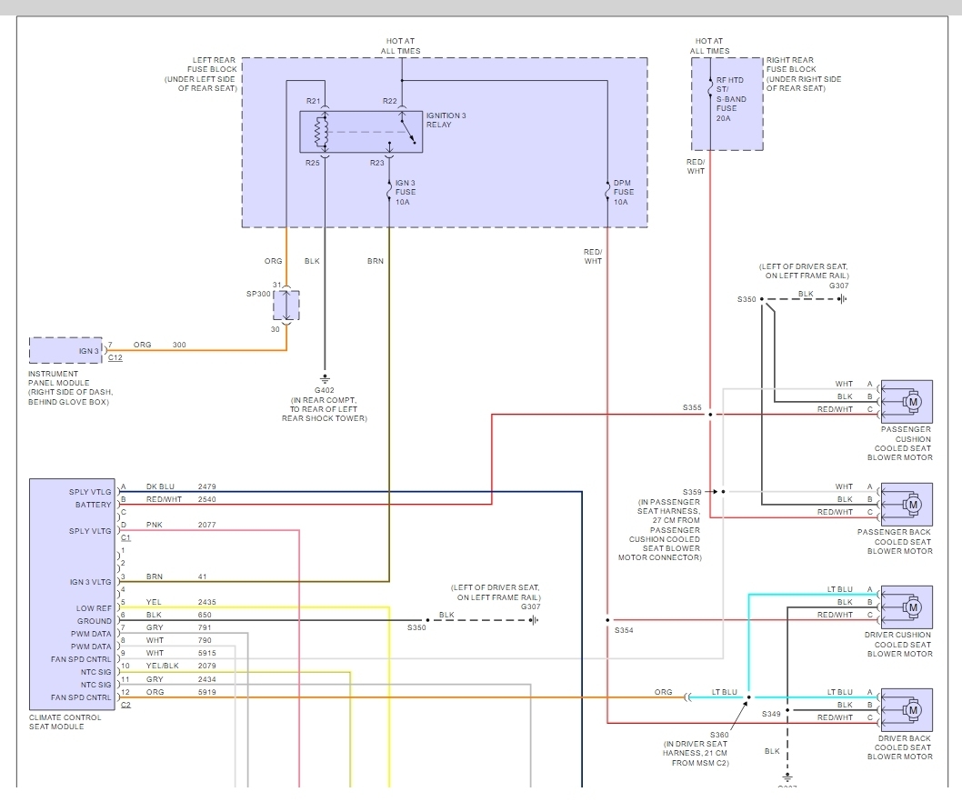
Before you go to the shop I think I found the problem. There is a ignition 3 relay that control both systems, and two fuses here is there location and a couple of guide to help you get the problem fixed.

https://www.2carpros.com/articles/how-to-check-an-electrical-relay-and-wiring-control-circuit

Make the the fuses are getting power through them if all okay there is a driver side seat memory module that goes out I would try to find a used one and plug it in to see whats happens.

Here are the seat wiring diagrams so you can see how they system works and where the seat module is.

Check out the diagrams (Below). Please run some tests and get back to us.

Cheers, Ken
Dec 14, 2016 at 4:57 PM
Avatar
JUDYFAYE
  • MEMBER
  • 1 POST
Thanks you for responding I did what you said the relay was fine so I got a used seat module worked great! I love this site.
Dec 22, 2016 at 10:21 AM
Avatar
IL CHRIS
  • MEMBER
  • 10 POSTS
Heater problem
2000 Cadillac STS V8 Front Wheel Drive Automatic

I have a 2000 Cadillac Seville STS. I am having issues with the drivers seat not heating. The other 3 heated seats work fine. When I depress the switch in the console, the switch will illuminate either 'HI" or "LO". So I still have power to the switch. Does anyone know if that switch feeds a relay that may be bad or does it run directly to the seat? I will add that I have checked all of the fuses that I can locate and they all look fine and all of the other seat functions work as they should. Any other ideas on where I should search for the problem?
Oct 22, 2018 at 10:22 AM (Merged)
Avatar
JAMES W.
  • CERTIFIED EXPERT
  • 2,394 POSTS
You will find a control module under the driver's seat for the heat. You can test output to the seat heater with a test light or volt meter. You can check the heat grid itself with a ohmeter. Hope this helps.
Oct 22, 2018 at 10:23 AM (Merged)
Avatar
IL CHRIS
  • MEMBER
  • 10 POSTS
James, thanks for the quick reply. Assuming that there will be a bunch of wiring for all of the seat controls exiting the control module, would you happen to know the color of the wires for the seat heater?
Oct 22, 2018 at 10:23 AM (Merged)
Avatar
JAMES W.
  • CERTIFIED EXPERT
  • 2,394 POSTS
Do you have, or have access to, a fax #? If so, I can send you a couple of diagrams. I'm able to download to this site, but they are so compressed they're hard to read. Please advise.
Oct 22, 2018 at 10:23 AM (Merged)
Avatar
IL CHRIS
  • MEMBER
  • 10 POSTS
Unfortunately I do not have access to a fax. Can you attach the file to an email? I'll send you a PM with the email address if that works. Thanks for the help.
Oct 22, 2018 at 10:23 AM (Merged)
Avatar
IL CHRIS
  • MEMBER
  • 10 POSTS
Well, I guess as I don't have 10 posts, I can't send a PM. As a moderator, do you have access to my email address from when I registered?
Oct 22, 2018 at 10:23 AM (Merged)
Avatar
JAMES W.
  • CERTIFIED EXPERT
  • 2,394 POSTS
I don't have access to your personal Email address. Everything has to go through the system. I tried downloading the seat diagram to my test site, and it was barely legible.
Oct 22, 2018 at 10:23 AM (Merged)
Avatar
IL CHRIS
  • MEMBER
  • 10 POSTS
Post #5
Oct 22, 2018 at 10:23 AM (Merged)
Avatar
IL CHRIS
  • MEMBER
  • 10 POSTS
#6
Oct 22, 2018 at 10:23 AM (Merged)
Avatar
IL CHRIS
  • MEMBER
  • 10 POSTS
#7
Oct 22, 2018 at 10:23 AM (Merged)
Avatar
IL CHRIS
  • MEMBER
  • 10 POSTS
#8; only 2 more to go!!
Oct 22, 2018 at 10:23 AM (Merged)
Avatar
IL CHRIS
  • MEMBER
  • 10 POSTS
#9
Oct 22, 2018 at 10:23 AM (Merged)
Avatar
IL CHRIS
  • MEMBER
  • 10 POSTS
Okay, I should be able to send you a PM now.
Oct 22, 2018 at 10:23 AM (Merged)
Avatar
BBUCHLI
  • MEMBER
  • 1 POST
[quote:aaf0427906="James R. Weizel"]You will find a control module under the driver's seat for the heat. You can test output to the seat heater with a test light or volt meter. You can check the heat grid itself with a ohmeter. Hope this helps.[/quote:aaf0427906]

I am having the same exact problem as IL, Chris. I was wondering if there was a chance you could send me the same information to me as you did him with the diagram. The only difference is mine is a 1998 STS. Thanks Brock. [email protected]
Oct 22, 2018 at 10:23 AM (Merged)
Avatar
JAMES W.
  • CERTIFIED EXPERT
  • 2,394 POSTS
'98-'00 diagrams are the same. It's on it's way to your email.
Oct 22, 2018 at 10:23 AM (Merged)
Avatar
ANDY MAIN
  • MEMBER
  • 1 POST
I have the same drivers side seat heater problem on a 2000 Seville STS.
Could you please email me the info referred to above.
Oct 22, 2018 at 10:23 AM (Merged)
Avatar
FACTORYJACK
  • CERTIFIED EXPERT
  • 4,159 POSTS
When you energize the seat heater, do you hear a relay click once, then click a second time shortly after. Typically what happens is a grid opens up, and the extra current turns on then turns off the module. There is a couple of fasteners at the front of the bottom cushion you can remove, and then lift the cushion. You can measure the resistance of the elements with this access. The seat back is a two wire connector. I think the wires are red, and black, and the connector body might be green. The seat cushion is a four wire connector that is black. The wire colors are red, black, and I believe gray. The resistance value should be less than 10 ohms on the element. The reason the cushion is four wire, is because there is the thermistor for regulating the temperature. The resistance of the thermistor will read in the (k)ohms range(thousand). None of which should read open. In the cushion, there are also thigh elements to consider, you would have to lift the rear portion of the leather cover to expose where it branches to these. Any one element can render the system inoperative. The connector for the lumbar in the seat back can look the same as the element connector, so tracing the wires to the heater module may help.
Oct 22, 2018 at 10:23 AM (Merged)
Avatar
TOMMY KIMBRO
  • MEMBER
  • 1 POST
Most later model cars, have filters in the heating box, these filters are in under the dash, your book in the Glove box should show you where they are, when these filters stop up you will have no ''heat" or "defrosters"
Oct 22, 2018 at 10:23 AM (Merged)