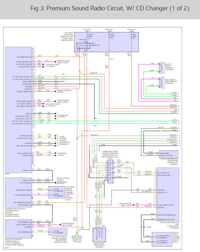
Recently purchased this car. Everything seems to be okay except the radio. FM, CD and other sound effects are working, but AM radio reception is not. All I get is background noise with the volume turned up. I suspect an antenna problem but do not know where to go from there. I have found that, in addition to the 'shark' antenna over the rear hatch, there are two separate antenna's embedded in the cargo side windows. After reading a few snippets on the web I understand this model may have two antenna's; one each for AM and FM. Also they may have their own in-line pre-amps. If so, where are they? And how would I check them?
Jun 21, 2018 at 12:19 PM


