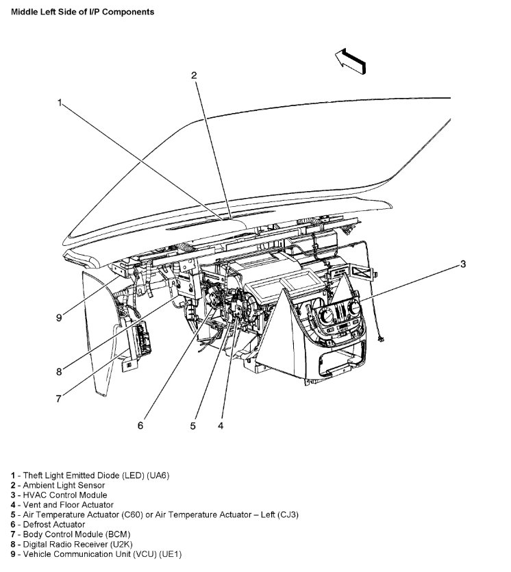
heater blows warm air from driver side and cold air on passenger side. I have added fluids ,such as anti freeze, Disconnected the Battery to reset the computer, but did not work. How can I fix this problem?
Nov 20, 2013 at 4:51 PM








