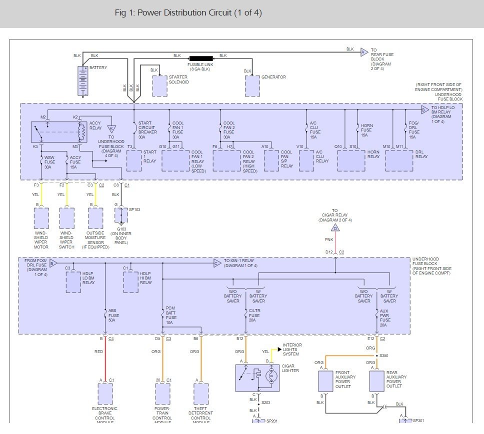
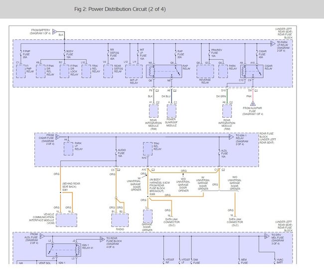
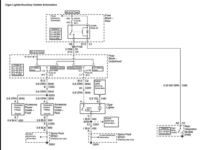
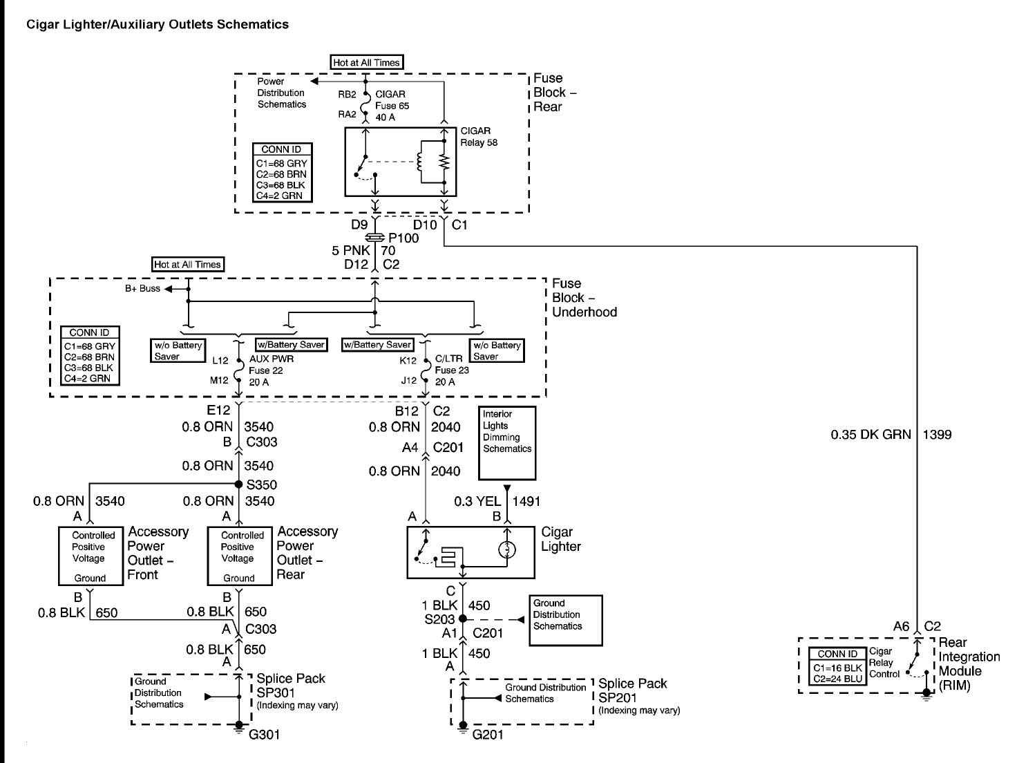
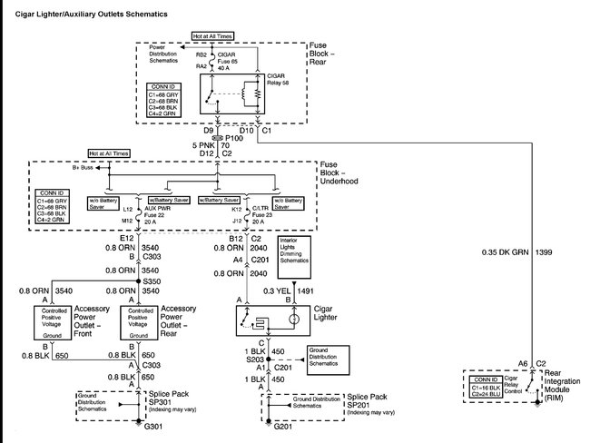
Cigarette lighter and auxiliary power fuses have both been replaced with new fuses, but neither plug has power. #65 is empty, too. There are a surprising number of empty slots. I mapped those that are filled, if that helps with the diagnosis.
My model does not have anything in the Cigar. Mini Relay slot. Do you have any other diagnosis suggestions for this issue? Yes, I looked under the left rear seat and found that position #58 is empty. I acquired the car 6 month ago. The cigar. And aux. Power worked until last week. Thanks.
My model does not have anything in the Cigar. Mini Relay slot. Do you have any other diagnosis suggestions for this issue? Yes, I looked under the left rear seat and found that position #58 is empty. I acquired the car 6 month ago. The cigar. And aux. Power worked until last week. Thanks.
Feb 22, 2011 at 5:12 PM









