Interior Lights don't come on when side

2004 TOYOTA SIENNA
Avatar
MTVAN
  • MEMBER
  • 1 POST
Electrical problem 6 cyl Front Wheel Drive Automatic 71400 miles

When either the passenger or driver's sliding side doors are opened, no middle seat or rear interior lights come on. Very occasionally, the lights flicker and I can hear a noise similar to a contact trying to connect. Where would I look for this contact or switch that controls the interior lights? For reference, all lights turn on when I use the inside 'all lights' switch, and the light illuminate when individually pressed with the doors closed, so I know they all work


Thanks
Dec 13, 2009 at 3:37 PM
Advertisement
Avatar
WHITENORTH
  • MEMBER
  • 1 POST
Hi, Mtvan.

I also have the exact problem on my 2007 Toyota Sienna LE -- except that this problem only happens with the driver side sliding door.

(No issue with the passenger side sliding door).

Hoping someone can help us out.

Thanks.
Jan 13, 2010 at 12:38 PM
Avatar
KMDBXS
  • MEMBER
  • 1 POST
Started having the same problem with my 2004 Sienna LE, except with just the passenger sliding door, which is electronic. Driver side slider is manual, and still triggers all interior lights to come on, as does the lift-gate door.

What gives...?
Nov 21, 2011 at 10:48 PM
Advertisement
Avatar
TOM LEE
  • MEMBER
  • 1 POST
My Toyota Sienna 2008 LE has the same problem. Only passenger slidingdoor (automatic sliding door) has this problem. The middle and rear internal lights do not turn on when this slidedoor is opened. When the slidedoor close, I just see all lights are flicked.
The driver slidedoor (no automatic slidedoor) has no problem. All light are on when it open.
Anybody has an idea, please help.
Thank you.
Tom
Jan 16, 2017 at 12:25 PM
Avatar
STRAILER
  • CERTIFIED EXPERT
  • 53,854 POSTS
Hello,

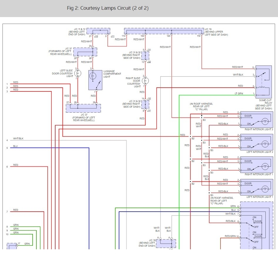
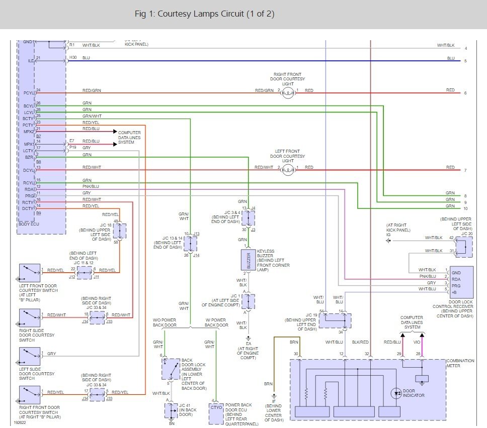
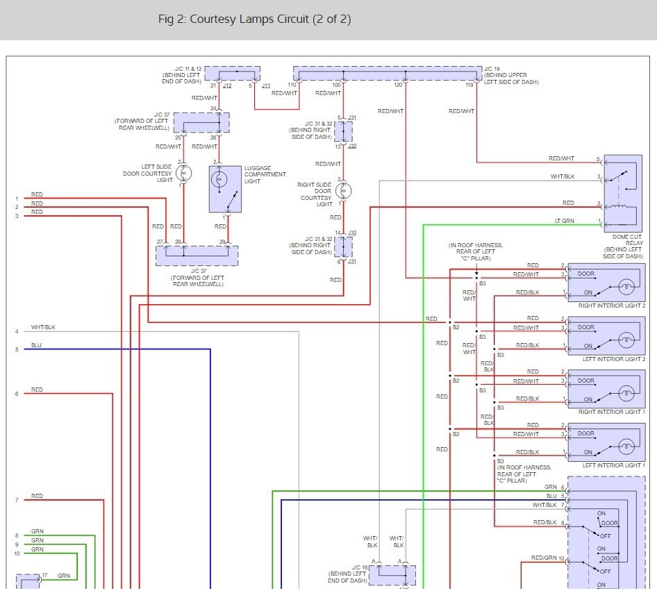
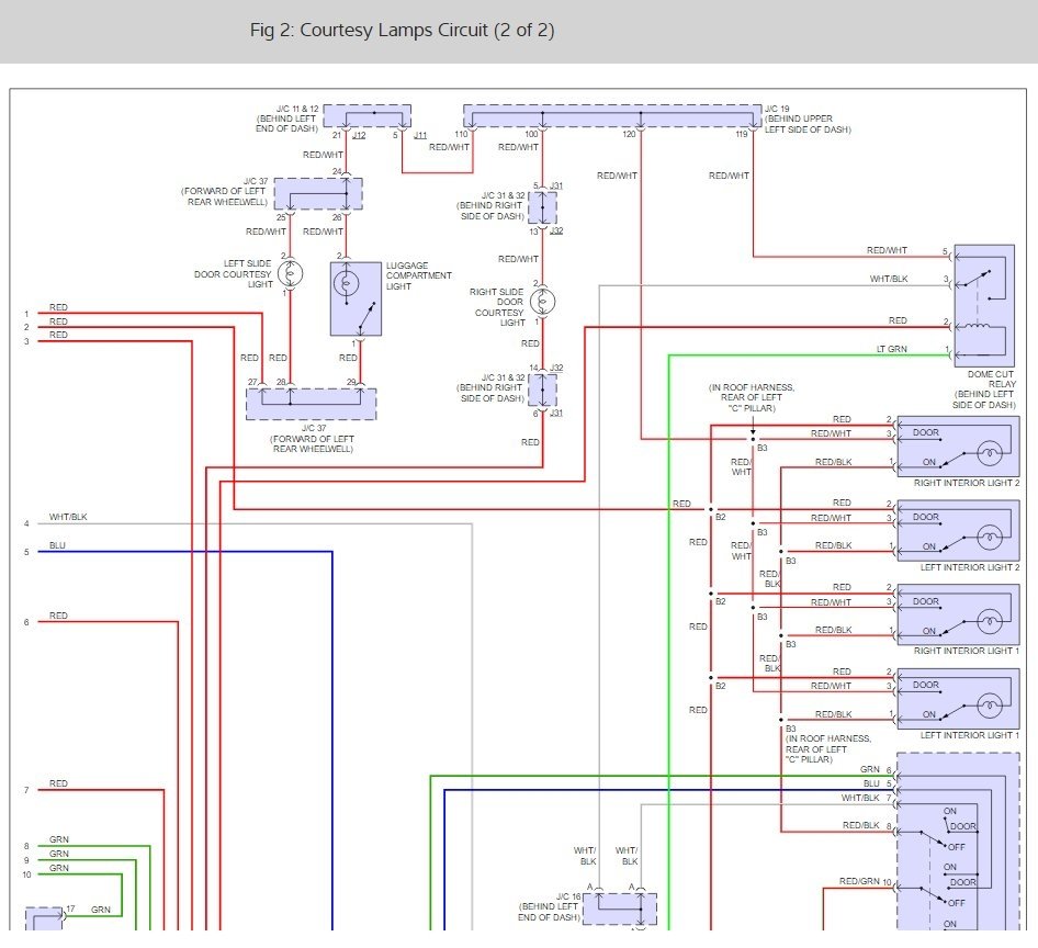
This sounds like there is a problem with the dome cut relay. These cars had problems with this relay becasue of the number of bulbs on the circuit. Here is a guide that shows how to test it and some wiring diagrams its location and so you can check the power going into and out of the relay and circuits.

https://www.2carpros.com/articles/how-to-use-a-test-light-circuit-tester

and

https://www.2carpros.com/articles/how-to-check-an-electrical-relay-and-wiring-control-circuit

Please run some tests and get back to us so we can continue helping you.

Cheers, Ken
May 9, 2017 at 1:16 PM
Avatar
DAWIZARD4JC
  • MEMBER
  • 1 POST
I have a similar problem on my 2006 Toyota Sienna - doors dont open automatically, Neither does the sunroof, side marker lights and dashboard lights work. any ideas?
Feb 23, 2019 at 3:25 PM
Avatar
STRAILER
  • CERTIFIED EXPERT
  • 53,854 POSTS
Hello,

It sounds like you have an ECU-IG fuse that is out. but to be sure lets run down this guide and check out the fuse location in the diagrams below.

https://www.2carpros.com/articles/how-to-check-a-car-fuse

Check out the diagrams (below). Please let us know what you find. We are interested to see what it is.
Feb 25, 2019 at 11:23 AM