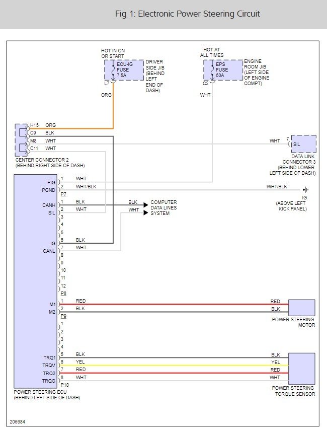
i have a toyota passo,recently the eps light turns on while engine is running,and the steering become harder.pls help me as early as possible. Recently sometimes EPS light is showing when engine is started and it doesn't go off and steering becomes harder. I've checked in garage the tested with another reconditioned Controller but It didn't work out. Electronic scanning showed Error C 1555 (MOTOR WELDING FAILURE). I'm in a quite lost situation, please help what to do next.
FYI when engine started okay (with no signal) it doesn't show up again until engine is restarted. Means the light shows sporadically & whimsically.
RGDS
FYI when engine started okay (with no signal) it doesn't show up again until engine is restarted. Means the light shows sporadically & whimsically.
RGDS
Mar 9, 2011 at 1:55 AM


