The low beam suddenly went out. The high beams work fine?

2004 TOYOTA HIGHLANDER
130,000 MILES
Avatar
ANONYMOUS
  • MEMBER
  • 1 POST
The low beam suddenly went out. The high beams work fine. I checked the bulbs and fuses. They are ok. Could the problem be the relay? I have not checked the switch. I do not know how to get into it.
Jan 1, 2013 at 2:29 AM
Advertisement
Avatar
SATURNTECH9
  • CERTIFIED EXPERT
  • 30,869 POSTS
If both low beam bulbs and fuses have been checked and found to be in working order, the next possible culprit could indeed be the relay.
Jan 1, 2013 at 2:35 AM
Avatar
JAVIERMARTINEZ
  • MEMBER
  • 1 POST
Hello, never got the end result of this issue. I'm having the same issues on the same vehical. I do have a multi meter and i have tested passenger receiving 12v. driver side nothing. high beam, yellow light and fog light all work. driver side is dead. fuses are all good. i even purchased a new relay headlight switch and had no change. please help
Jan 15, 2013 at 7:34 PM
Advertisement
Avatar
SATURNTECH9
  • CERTIFIED EXPERT
  • 30,869 POSTS
So just the low beam driver side is inop?
Jan 16, 2013 at 1:42 AM
Avatar
CRAZYFROGZ
  • MEMBER
  • 4 POSTS
I have the same issue, but mine it the passenger side, up on replacing the bulb after receiving the car , I noticed someone packed a bunch of grease in it, So not I am assuming that the connector can possible be bad, itself, so if u could send me some of the diagrams or videos to help change the connector. I would appreciate it.
May 30, 2023 at 11:02 AM
Avatar
STRAILER
  • CERTIFIED EXPERT
  • 53,855 POSTS
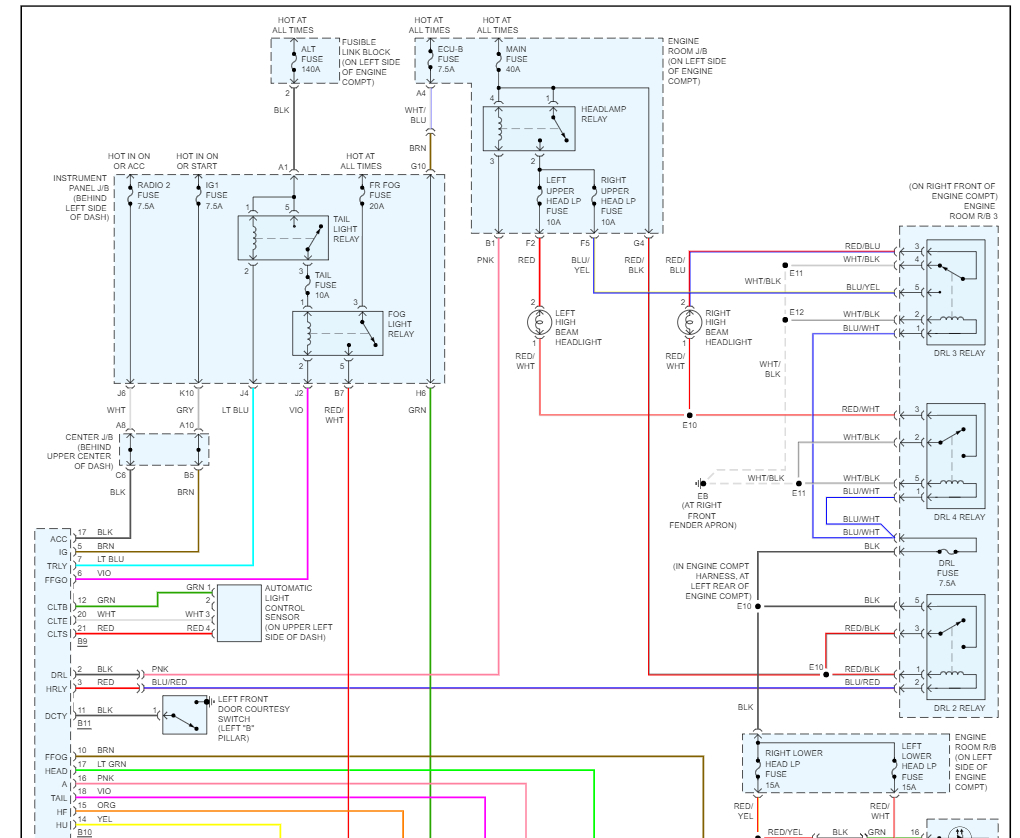
It could be a bad fuse, relay or the bad body ECU. here is a guide to help you test for power so you can see where it loses it at, and the headlight wiring diagrams in the images below.

https://www.2carpros.com/articles/how-to-use-a-test-light-circuit-tester

Check out the images (below). Let us know what happens and please upload pictures or videos of the problem so we can see what's going on.


Jun 1, 2023 at 1:51 PM