Wiring Pinout diagram needed

2004 TOYOTA COROLLA
160,000 MILES • 1.8L • 4 CYL • 2WD • MANUAL
Avatar
AFROTIMY
  • MEMBER
  • 7 POSTS
Please, I need a pinout diagram for 2004 Corolla Verso A/C Amplifier with 20 pins and 24 pins connectors.
Feb 1, 2022 at 11:13 PM
Advertisement
Avatar
KASEKENNY
  • CERTIFIED EXPERT
  • 18,907 POSTS
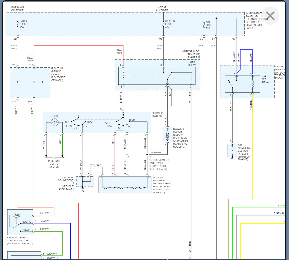
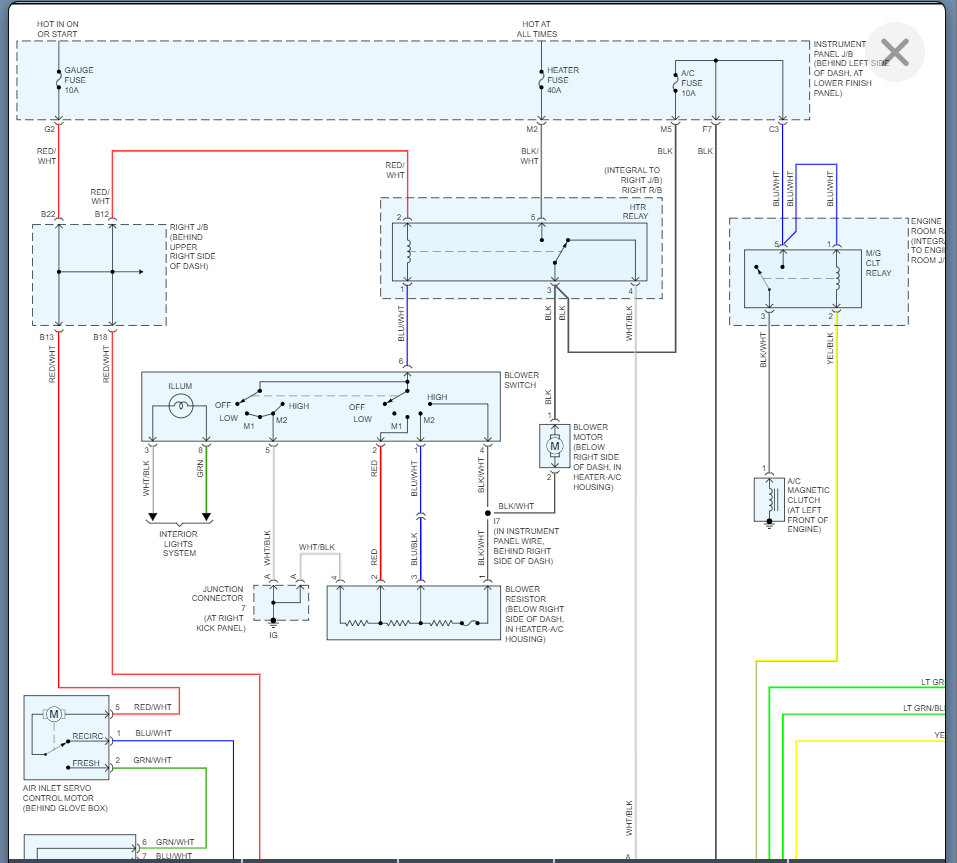
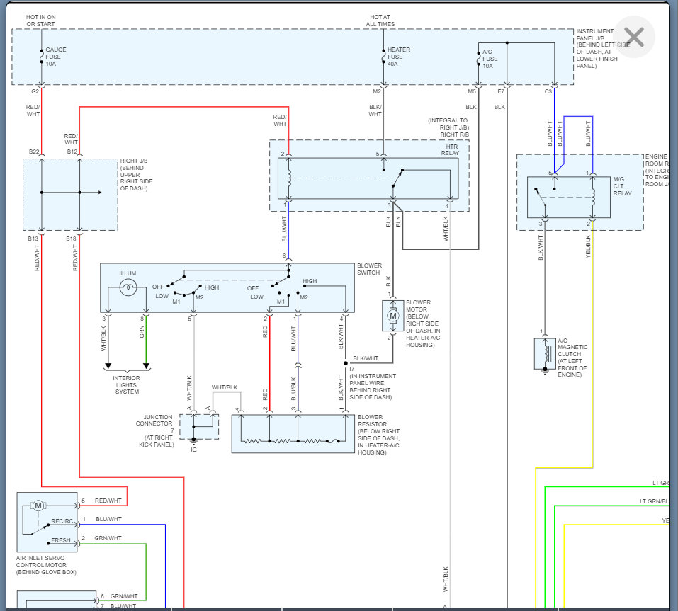
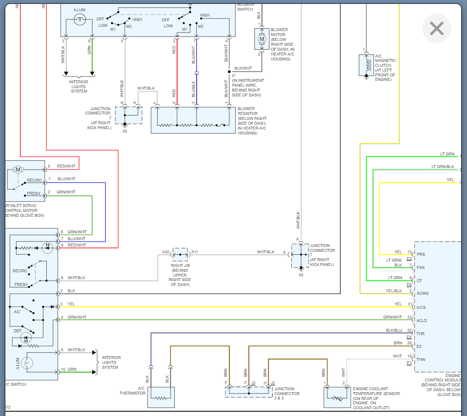
Unfortunately, this vehicle is not offered here in the USA. So, we don't have a pinout for this specific system. In fact, USA cars don't use amplifiers in the A/C system so I don't even have what ours would look like.

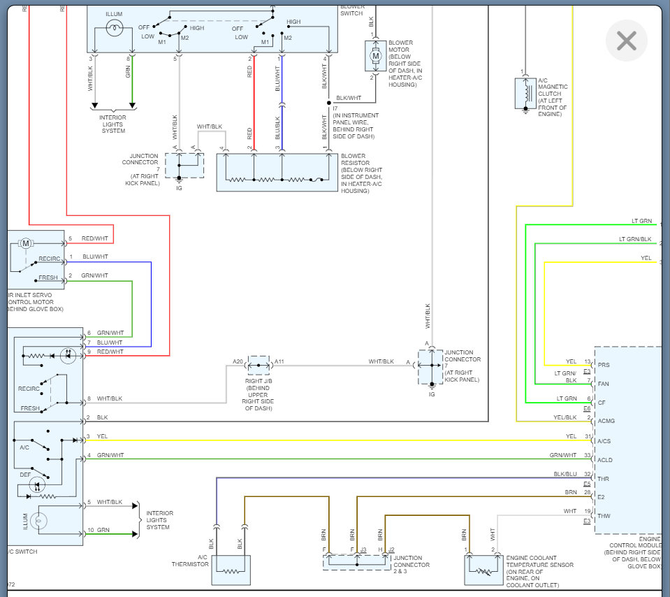
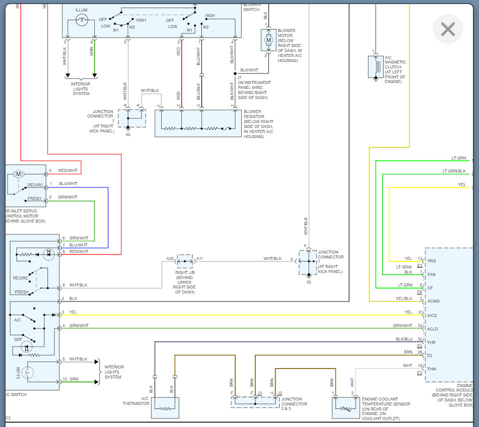
I am sorry that we cannot provide this exact thing, but I am attaching our A/C system just to illustrate this.

However, this guide will help with testing different electronic components. Again, I know you did not ask for this, but it may be of assistance to someone in the future that views this.

https://www.2carpros.com/articles/how-to-check-wiring

I apologize but we are limited to the manuals that are provided to us here in the USA.

Please let me know if I am not understanding what you are looking for.

Thanks
Feb 3, 2022 at 2:18 PM