Airbag driver seat swap problems

2004 CHEVROLET SILVERADO
273,000 MILES • 5.3L • 4WD • AUTOMATIC
Avatar
NARS BARS
  • MEMBER
  • 7 POSTS
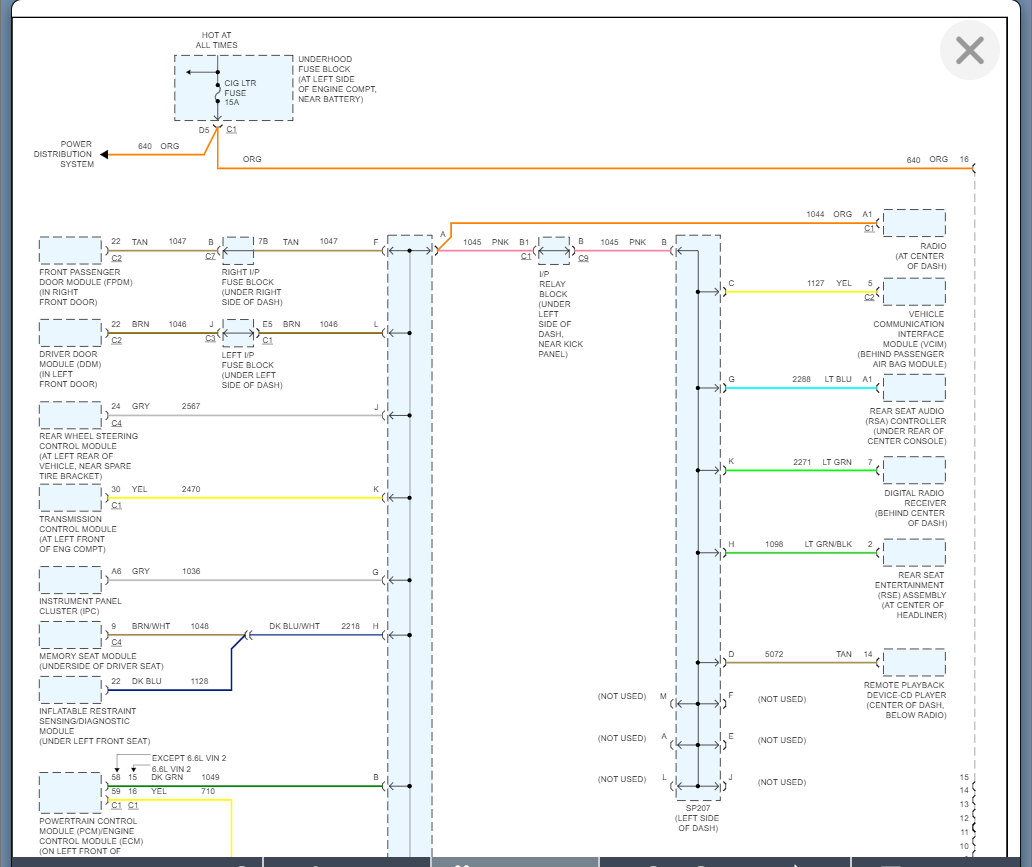
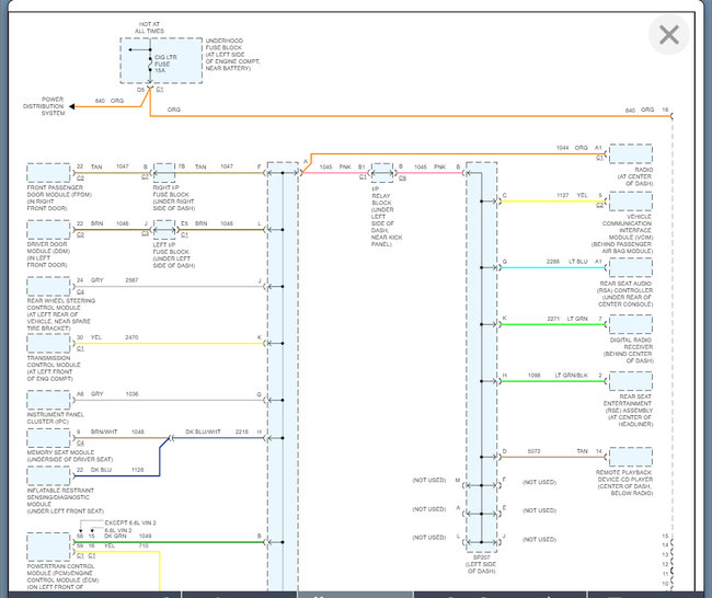
I have replaced the non-powered seat in my truck listed above 1500. The seat in it when I bought it had no wiring. The three-wire connector was still on the floor.
I found a 2004 Avalanche Seat, hotwired the power so the seat motors work by removing the orange and black leads from the seat side of the connector and providing ground and power. So far, I have only done this temporarily using jumper cables but will provide a permanent ground to a seat bolt and fused connection.

The Seat bag light was on before the swap since the seat had no wiring at all and is still on after the swap. The passenger seat is working, showing air bag on/off condition on the mirror if I sit in the seat or get out.
After removing the power ground wires, I simply plugged in the seat connector to the current three wire connector from the body side and cannot get the air bag light to go off. Is it possible I need to provide a real permanent ground first? I have no idea what wires in the Avalanche seat harness match up the three-wire connector from the truck side.
I should mention I can't get a diagnostic code reading as plugging in a code reader blows the fuse. Since there is power to the right side lighter and none to the left, I believe there is a short going on there and will be replacing that too.
Nov 14, 2021 at 2:18 PM
Advertisement
Avatar
KASEKENNY
  • CERTIFIED EXPERT
  • 18,907 POSTS
Hi again. Thanks for getting this one started.

Just to confirm the seat bag light that you are talking about, this is the airbag light in the dash, correct?

If so, that makes sense because the on/off air bag light for the passenger side is just a switch that will disable the passenger side air bag in case there is a child that is too light for the air bag to be effective.

So, if the airbag light in the dash is on, then this may not be due to the driver seat especially since this was on prior to the seat installation.

So, this means we need to start with getting the codes out of the module.

That means we need to fix the short that you have that is blowing this fuse.

What I would do is unplug the lighters as that is likely the issue and that will prevent the fuse from blowing and then we can pull the codes.

https://www.youtube.com/watch?v=gnSGfEqrf_w&t=23s

However, without knowing what code is, there we will not be sure what the issue is. This could be related to the seat, but it may not be since it was there prior.

Let me know what you find with this, and we can go from there. Thanks
Nov 15, 2021 at 5:06 PM
Avatar
NARS BARS
  • MEMBER
  • 7 POSTS
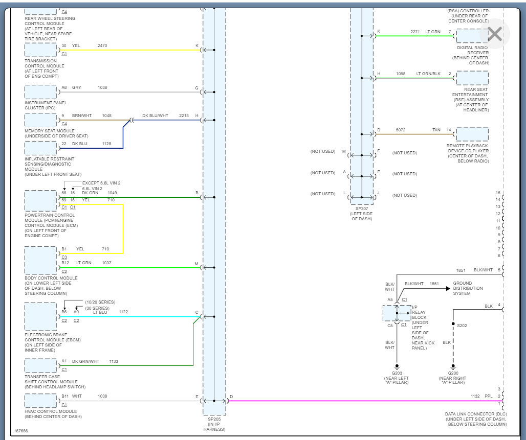
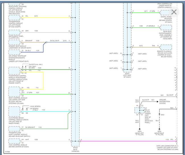
The actual lighter, the right-side works. I pulled the connector off the supplemental power side on the left, found it nearly melted where the plug connects to the lighter. I will leave that disconnected. Since I replaced an non powered seat using a 4-wire connector with a powered seat from a 2004 Avalanche I am suspicious of my wiring. I don't know the function or voltage of the four body side wires, so I am unable to match the function with the Avalanche seat. The cloth non-powered seat I put in the passenger side lets the airbag go on and off for the passenger side depending on occupancy.
Nov 15, 2021 at 6:40 PM
Advertisement
Avatar
KASEKENNY
  • CERTIFIED EXPERT
  • 18,907 POSTS
Correct. The passenger side on/off function is not an option on the driver side.

I doubt your wiring that is for the power seat function caused the issue with the outlet melting or the current air bag light.

However, if that outlet is melted then that is causing the fuse to blow and rendering the DLC inoperable so I would unplug that, check the codes again and find out what circuits we are dealing with so that we know where to start.
Nov 16, 2021 at 4:05 PM