Cigarette lighters not working

2004 PONTIAC MONTANA
AWD
Avatar
ODIE0529
  • MEMBER
  • 1 POST
van and the front cigarette lighters have quit working were are the fuses there is nothing in the fuse box that says cigarette lighter? could it be something else?
Mar 1, 2011 at 9:55 PM
Advertisement
Avatar
STRAILER
  • CERTIFIED EXPERT
  • 53,854 POSTS
Hello,

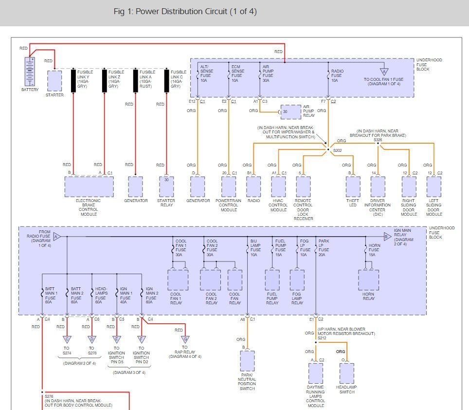
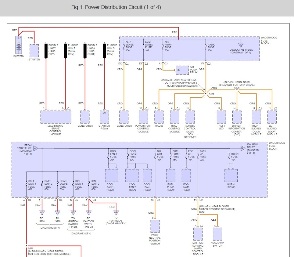
The fuse is located in the right side fuse panel and is a 15 amp. Here is a the wiring diagram to help you find and a guide to test it.

https://www.2carpros.com/articles/how-to-use-a-test-light-circuit-tester


Please let us know if you need anything else to get the problem fixed.

Best, Ken
Apr 18, 2017 at 3:45 PM