I want to fix some problems on my 2004 Pontiac Grand Am so I can sell it. I would like to do most of the repairs myself, but need a little support. I will list some of the things that need repaired. Thanks! dome light doesn't turn off when the doors are closed. Wanting to see if some of these repairs are minor and can be done in my shop.
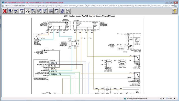
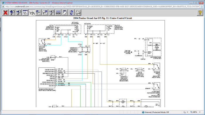
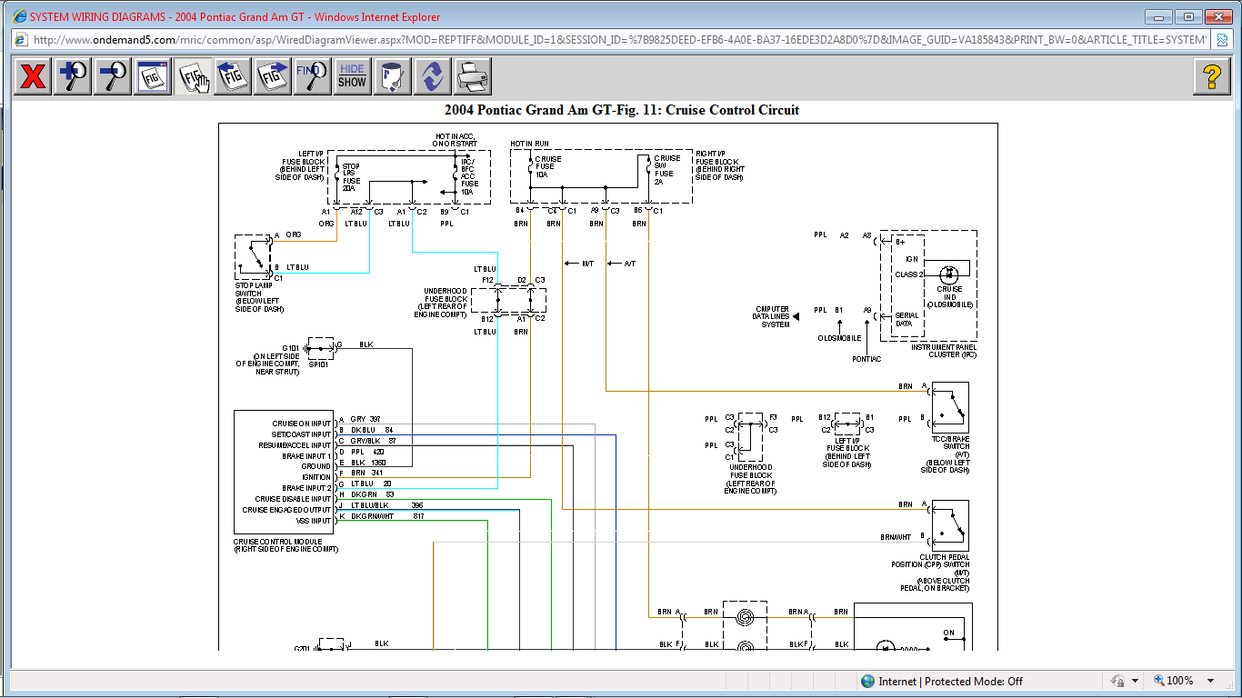
Cruise control not working
Dome light stays on when doors are shut
gas tank seems to have an air lock
Cruise control not working
Dome light stays on when doors are shut
gas tank seems to have an air lock
Dec 1, 2011 at 3:08 AM






