I own a 2004 Pontiac Grand Prix. I have a few problems with my vehicle but no money as of right now to have it checked.
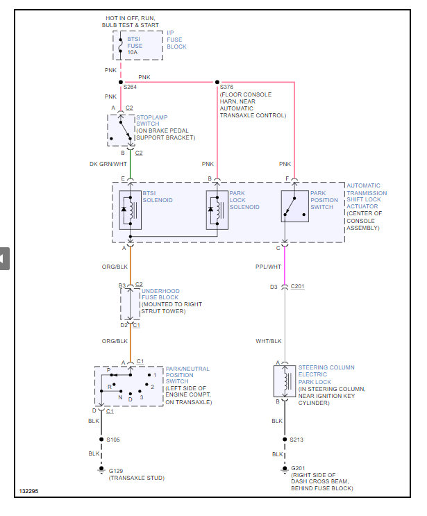
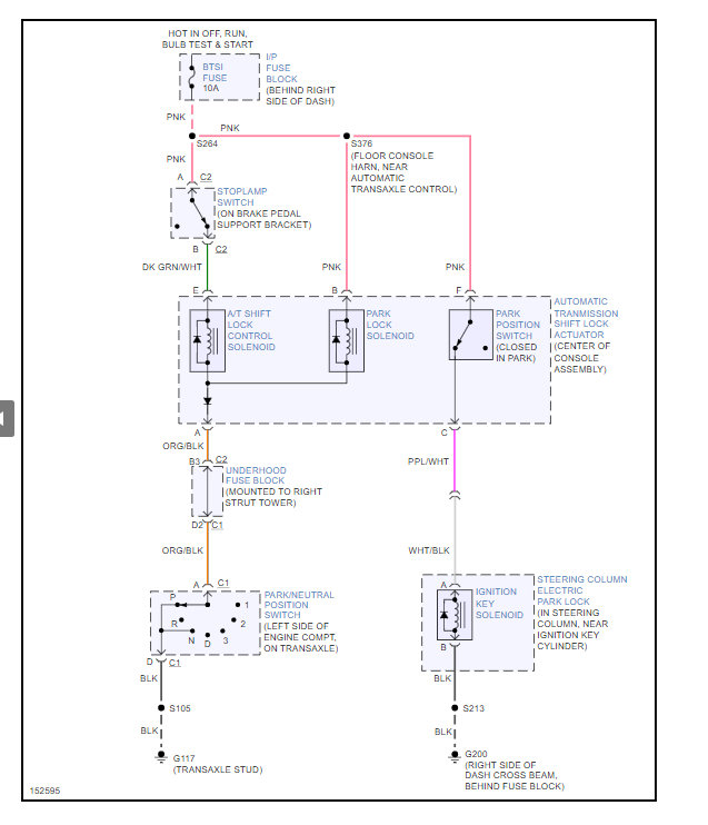
#1: My key will not come out of my ignition, and I am guessing because its not being read that it is in park.
#2: My center console was taken out because I was having trouble getting my shifter from park to drive. The latch that locks the shifter in gears is broken. It was snapped because the electrical part that is hooked to it (I don't know the name for this part, was told a SHIFT LOCK SOLENOID), was dead and I need a new one.
So we had pulled it out of lock with a zip tie for now and I have to hold the latch down manually while switching gears. I'm fine with that.
#3: After a few days of driving my car like this, I noticed when I got home one day that I could smell something similar to burnt rubber coming from my back tire. So I do not drive my car now. The smell is coming from my left back tire and I felt hot heat. As if something is rubbing. I'm thinking it has to do with my shifter not fully reading out of park.
Please let me know if the information I have so far is correct or if it is something different that is wrong. I am also wondering what the smell could be coming from. It only smell after driving.
I sent a image of the part needed.
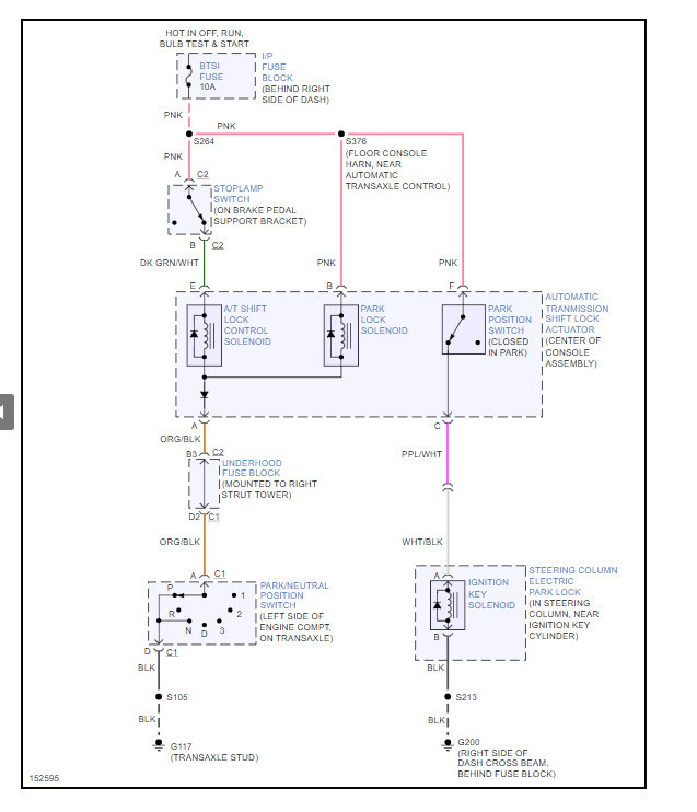
#1: My key will not come out of my ignition, and I am guessing because its not being read that it is in park.
#2: My center console was taken out because I was having trouble getting my shifter from park to drive. The latch that locks the shifter in gears is broken. It was snapped because the electrical part that is hooked to it (I don't know the name for this part, was told a SHIFT LOCK SOLENOID), was dead and I need a new one.
So we had pulled it out of lock with a zip tie for now and I have to hold the latch down manually while switching gears. I'm fine with that.
#3: After a few days of driving my car like this, I noticed when I got home one day that I could smell something similar to burnt rubber coming from my back tire. So I do not drive my car now. The smell is coming from my left back tire and I felt hot heat. As if something is rubbing. I'm thinking it has to do with my shifter not fully reading out of park.
Please let me know if the information I have so far is correct or if it is something different that is wrong. I am also wondering what the smell could be coming from. It only smell after driving.
I sent a image of the part needed.
Dec 9, 2013 at 4:18 PM



