what does charging system failure mean? Alternator not working?

2004 PONTIAC GRAND PRIX
60,000 MILES
Avatar
KBEST92
  • MEMBER
  • 1 POST
Yesterday i went to my 04 pontiac grand prix gtp and when i started it took a minute start and all the lights in the car went crazy. My display told me charging system failure. It has done this before on my wife and me both but it always went away. So i let my car warm up before i left for work and when i went to leave again it wouldnt start. My boss jumped me and i let the car run for like 30 min and then turned it off again. It started right up when itried agin but still is telling me charging system failure. When i went to start my car this morning i couldnt even unlock the doors with the remote. So i took it to Advanced Auto Parts and they said my battery was good it just needed a charge. I am charging the battery but i dont know what is going on?
Jan 3, 2012 at 5:46 PM
Advertisement
Avatar
DAIRYFARMER84
  • MEMBER
  • 1 POST
kbest92 did you ever find out what was wrong with your 2004 grand prix? mine is doing the same thing! would like to know what you found out.
Apr 16, 2012 at 4:09 PM
Avatar
STRAILER
  • CERTIFIED EXPERT
  • 53,854 POSTS
Yep this sounds like the battery has an intermittent internal short which does just that works for a bit then shorts out cause instantaneous short circuit. Here are two guides that will confirm the failure and get you back on the road.

https://www.2carpros.com/articles/car-battery-load-test

and

https://www.2carpros.com/articles/how-to-replace-a-car-battery

After the replacement check the alternator

https://www.2carpros.com/articles/how-to-check-a-car-alternator

Please let us know if you need anything else to get the problem fixed.

Cheers, Ken
Dec 18, 2017 at 7:49 PM
Advertisement
Avatar
JDL
  • CERTIFIED EXPERT
  • 16,098 POSTS
Make sure the battery has a full charge and all battery connections coming and going are clean and tight. Any applicable trouble codes? Possible faulty generator, faulty wiring circuit. If you want to do some testing, we can help you. Let us know.
Dec 18, 2017 at 7:50 PM (Merged)
Avatar
BONNIE24
  • MEMBER
  • 1 POST
Engine Mechanical problem
2004 Pontiac Grand Prix V8 Two Wheel Drive Automatic 100,00 miles

My charging system failure light came on for the second time. Once before this happened and the engine slowed way down.
Dec 18, 2017 at 7:50 PM (Merged)
Avatar
ERNEST CLARK
  • CERTIFIED EXPERT
  • 1,730 POSTS
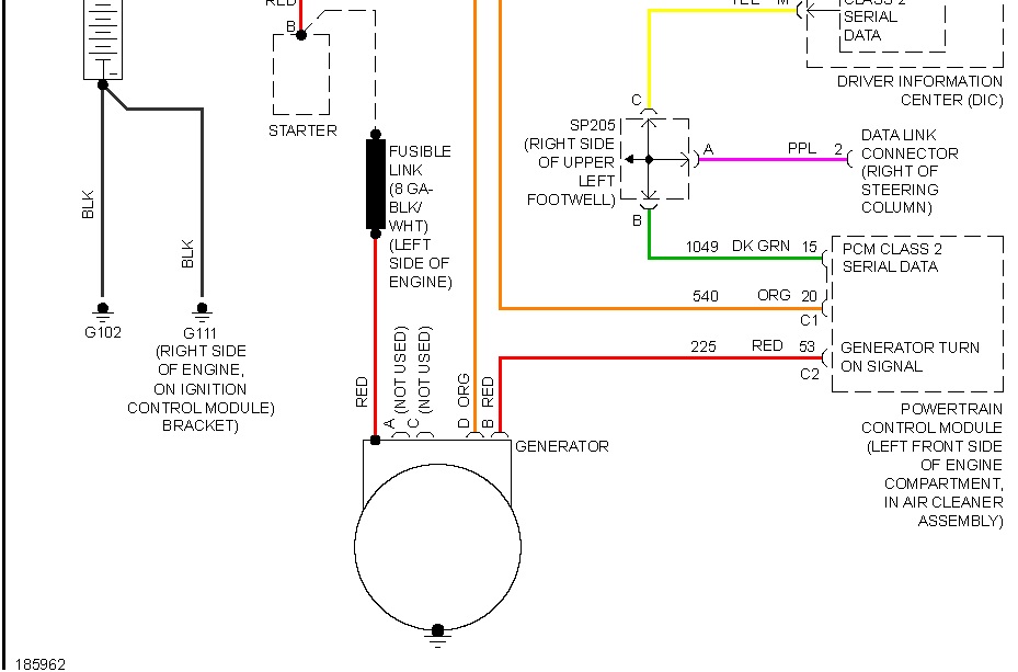
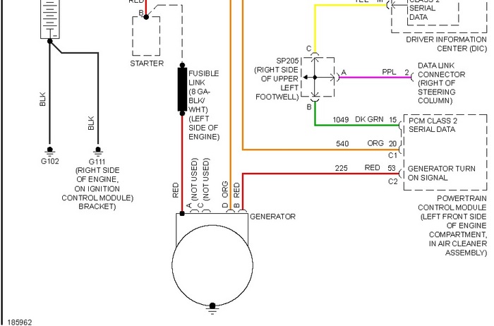
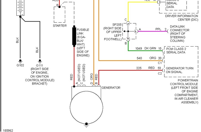
You need to have your computer scanned for codes and your alternator checked.

Your alternator should put out more than 13.5 volts.
Dec 18, 2017 at 7:50 PM (Merged)
Avatar
MARIEK
  • MEMBER
  • 8 POSTS
2004 Grand Prix GT1, 67,500 miles, 6cyl.

The quick and dirty:

1. Sometimes hard to shift out of park (maybe every 2 out of 5 ocassions). Ocassional light "thump" when shifted into reverse and/or drive.
2. Light clicking sound from under left side of car when accelerating, but stops after a few seconds.
3. Drive non-stop (100+ miles) then park it for a 2-4 hours. Car will start then stall unless tapping the accelerator. If it sits overnight, starts strong with no stalling.
4. Sometimes exterior lights and interior lights/accessories dim when starting, then suddenly go full power (not every time or even every day driven).
5. After filling gas tank, sputters while driving, but then stops. Ride improves as gas level decreases.
6. Ocassionally, engine is louder when running AC. Other times it runs smoothly and quietly.

Not running hot; no indicators for battery, engine or anything else. Could it be the alternator? The starter?

Thanks in advance!
Dec 18, 2017 at 7:50 PM (Merged)
Avatar
DENNYP
  • CERTIFIED EXPERT
  • 1,824 POSTS
[quote:7fc4f710f1="MarieK"]2004 Grand Prix GT1, 67,500 miles, 6cyl.

The quick and dirty:

1. Sometimes hard to shift out of park (maybe every 2 out of 5 ocassions). Ocassional light "thump" when shifted into reverse and/or drive.
2. Light clicking sound from under left side of car when accelerating, but stops after a few seconds.
3. Drive non-stop (100+ miles) then park it for a 2-4 hours. Car will start then stall unless tapping the accelerator. If it sits overnight, starts strong with no stalling.
4. Sometimes exterior lights and interior lights/accessories dim when starting, then suddenly go full power (not every time or even every day driven).
5. After filling gas tank, sputters while driving, but then stops. Ride improves as gas level decreases.
6. Ocassionally, engine is louder when running AC. Other times it runs smoothly and quietly.

Not running hot; no indicators for battery, engine or anything else. Could it be the alternator? The starter?

Thanks in advance![/quote:7fc4f710f1]the stalling could be from carbon buildup in the throttle body.The dim lights could be a battery issue.check the battery for leaks at the positive terminal or excessive corrosion.
Dec 18, 2017 at 7:50 PM (Merged)
Avatar
PALADIN111570
  • MEMBER
  • 3 POSTS
Car sound like it wants to cut off
Dec 18, 2017 at 7:50 PM (Merged)
Avatar
JACOBANDNICKOLAS
  • CERTIFIED EXPERT
  • 110,175 POSTS
Is this an idle issue or something with the charging system? (or both)? Keep in mind, if the engine idle speed gets low enough, it could case the battery light to come on. If that is the only time it is coming on, let me know.
Dec 18, 2017 at 7:50 PM (Merged)
Avatar
PALADIN111570
  • MEMBER
  • 3 POSTS
Battery light does not come on. The display just buzzer sounds and says system failure charge. Could it be a bad upstream O2 sensor?
Dec 18, 2017 at 7:50 PM (Merged)
Avatar
JACOBANDNICKOLAS
  • CERTIFIED EXPERT
  • 110,175 POSTS
Actually, it sounds more like an alternator problem. Have you had it tested? Most parts stores will do it for free.
Dec 18, 2017 at 7:50 PM (Merged)