Horn will not stop blowing

2004 PONTIAC GRAND AM
76,000 MILES
Avatar
MALCOLM J. MITCHELL
  • MEMBER
  • 1 POST
I have to pull the fuse to get the horn to stop....how do I fix it?
Apr 21, 2012 at 8:56 PM
Advertisement
Avatar
RASMATAZ
  • CERTIFIED EXPERT
  • 75,992 POSTS
Could be the horn relay sticking or the horn button circuit is shorted out
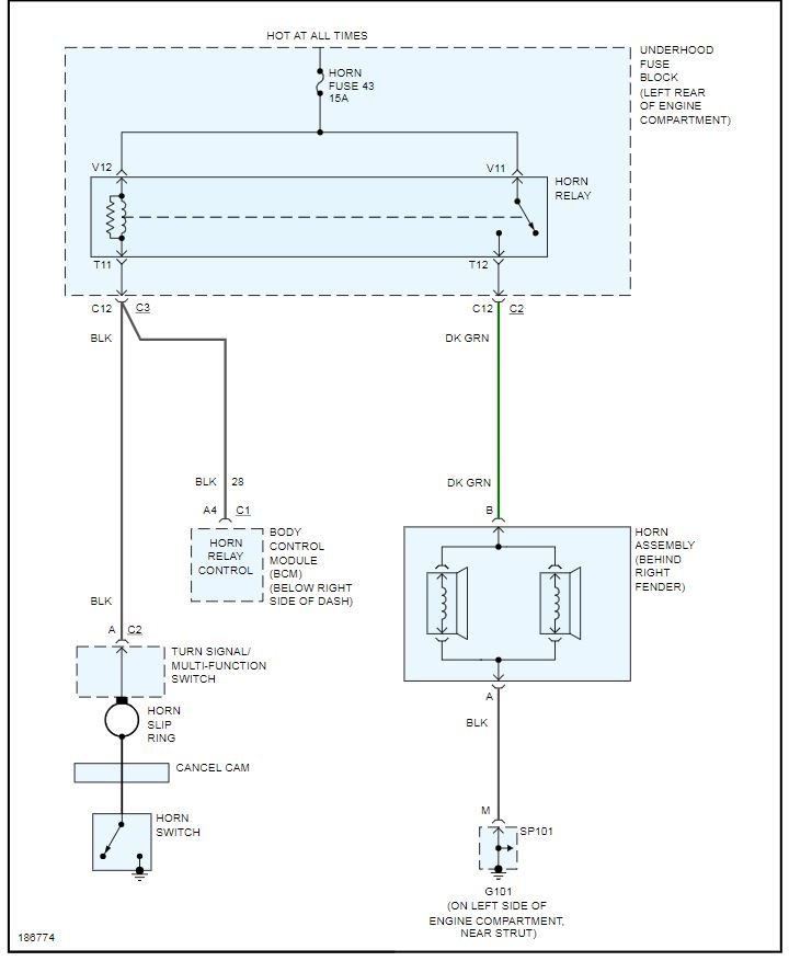
Looks like fuse 43 is strictly for the horn, you could pull it, if that causes other things to not work, pull the horn relay

See the diagram below for fuse/relay locations and full wiring diagram
Apr 21, 2012 at 9:05 PM
Avatar
LASHAE67
  • MEMBER
  • 1 POST
2004 Pontiac Grand Am

My horn goes off at night and wont stop until you disconnect the battery. Is there a horn relay or a sensor that needs to be replaced?
Nov 10, 2018 at 8:17 AM (Merged)
Advertisement
Avatar
JDL
  • CERTIFIED EXPERT
  • 16,098 POSTS
hi, there should be a horn relay, underhood fuse box, unplugging the relay should kill the horn. I'd have all trouble-codes checked. Your theft system could set off the horn, problem with horn switch and wiring circuits?
Nov 10, 2018 at 8:17 AM (Merged)
Avatar
GABY04
  • MEMBER
  • 8 POSTS
Electrical problem
2003 Pontiac Grand Am 6 cyl Automatic

Hello, i am having a problem with the horn in my car. The brass ring that makes activates the horn is damaged and i rather not replace it because of the work involved. I heard some people have bypassed the steering column and have wired the horn to a push button, which i do not mind doing. I know what color the horn wire is, i just do not know the exact wire in the steering wheel column. There are 2 black wires in the steering column, i just dont know which of the 2 is the horn wire.
Nov 10, 2018 at 8:18 AM (Merged)
Avatar
MMPRINCE4000
  • CERTIFIED EXPERT
  • 8,548 POSTS
The problem with dealing with the steering column is that there is always a chance that you could accidently deploy the airbag.

I would get a horn from an autoparts store and wire it in seperatly.
Nov 10, 2018 at 8:18 AM (Merged)
Avatar
MILLERGENT
  • MEMBER
  • 2 POSTS
Electrical problem
2005 Pontiac Grand Am 6 cyl Front Wheel Drive Automatic 36.000 miles

HORN WON'T STOP BLOWING
Nov 10, 2018 at 8:18 AM (Merged)
Avatar
MMPRINCE4000
  • CERTIFIED EXPERT
  • 8,548 POSTS
Pull horn connector to stop it, but it is either a stuck relay or horn button.

Quickly touch the horn relay, if it is warm/hot then most likely the relay.
Nov 10, 2018 at 8:18 AM (Merged)