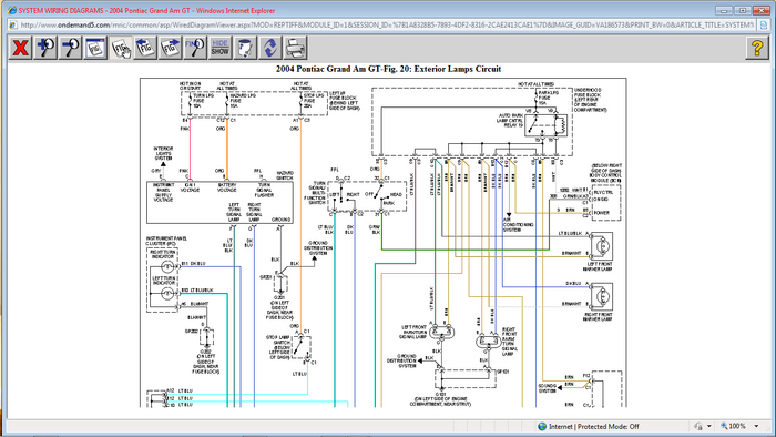
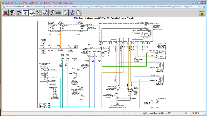
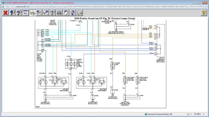
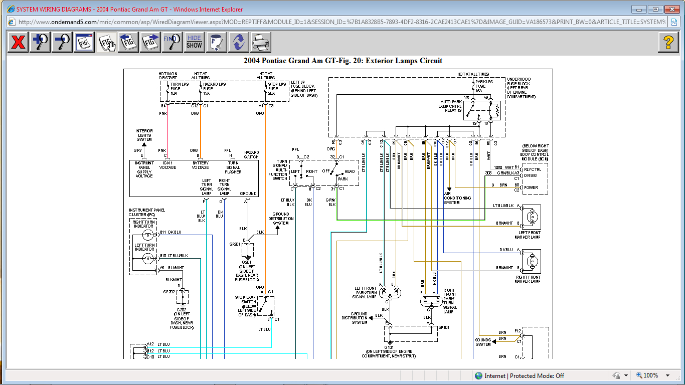
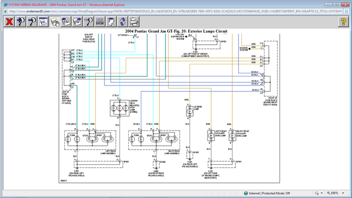
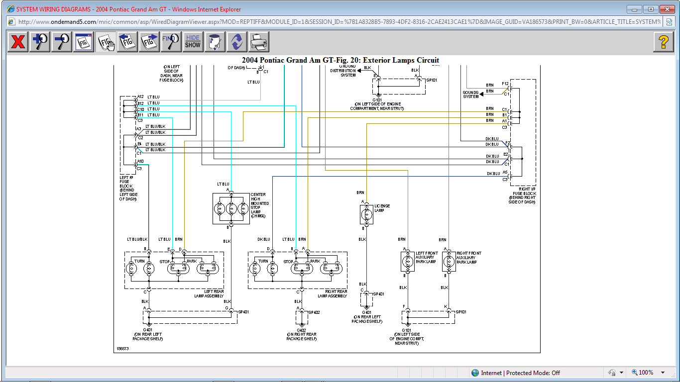
I have a 2004 Pontiac grand am having blinker problems I turn it on and i have no lights on the dashborad and then lights outside the car dont work. I have replaced fuses, hazard switch,I have taken the whole turn signal arm and cleaned it up what is my problem?
Dec 11, 2011 at 3:31 AM

