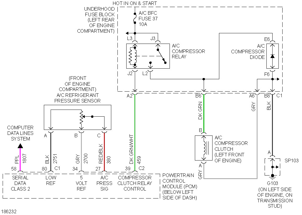
this fuse keeps popping when it rains and then the car will not start until you replace this fuse. would like to know what this fuse is for so that i can get whatever is shorting out repaired.
Jan 6, 2012 at 11:47 PM
