like to know I can replace the radiator?

2004 PONTIAC GRAND AM
250,000 MILES • 3.4L • 6 CYL • FWD • AUTOMATIC
Avatar
CECILD1966
  • MEMBER
  • 1 POST
There is a coolant leak I would like to know I can replace the radiator?
Jun 27, 2015 at 10:37 AM
Advertisement
Avatar
DANNY L
  • CERTIFIED EXPERT
  • 5,648 POSTS
Hello, I'm Danny.

Here is the radiator replacement information you requested. Here is a tutorial showing how to replace a radiator:

https://www.2carpros.com/articles/how-to-replace-a-car-radiator

After the repair you will also have to recharge the A/C system since you had to disconnect the lines to replace the radiator. Here is a tutorial showing how to recharge the system:

https://www.2carpros.com/articles/re-charge-an-air-conditioner-system

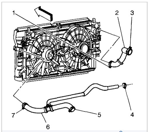
I've attached picture steps below on how to remove and replace the radiator on your car. Hope this helps and thanks for using 2CarPros.
Mar 1, 2021 at 9:46 PM