Hello,
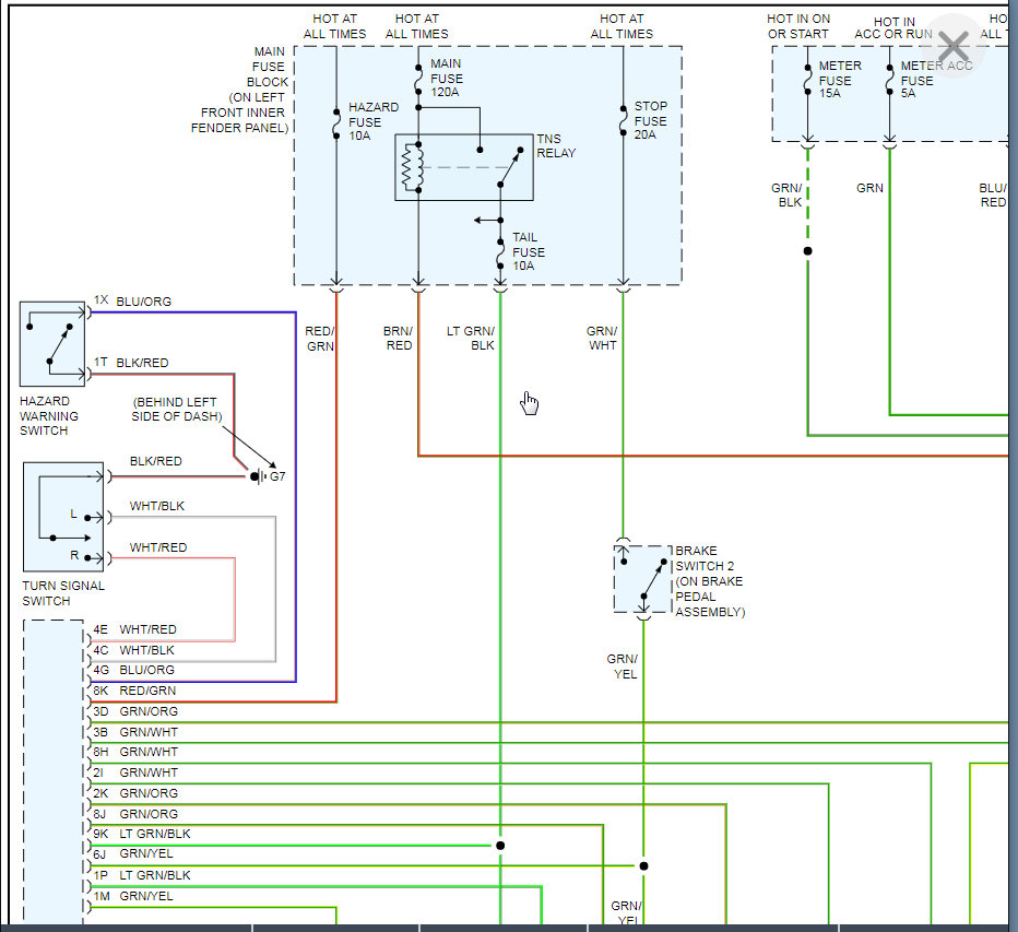
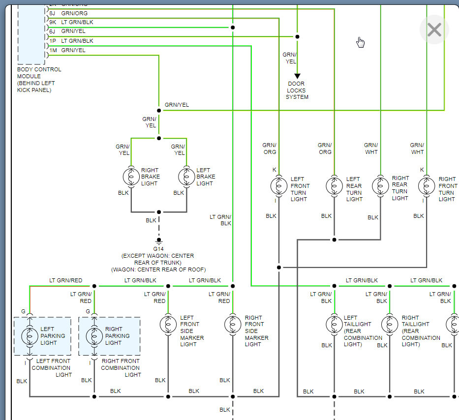
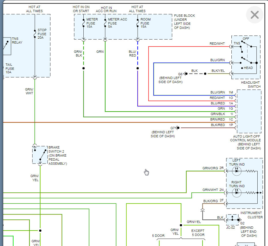
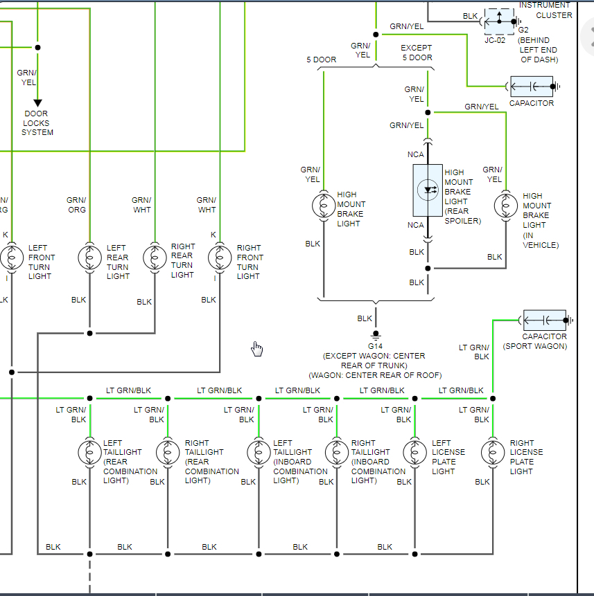
The flasher is integrated into the hazard flasher/switch. Here is a diagram (below) that show its location and how to change it.
Pull radio Trim Panel/facade away from dash to access Hazard switch. Taking the air vent out is another way of accessing it.
A Common problem is the flasher timer will click like the turn signals are on but the turn lever is in the neutral position.
Before condemning the Hazard switch/timer, first remove steering column cover to access Turn signal switch.
Remove the 4 wire connector on top of switch.
If Clicking stops then replace or disassemble switch to clean contacts.
The contacts wear and cause a fine copper connection and produce a
situation as if the switch was activated.
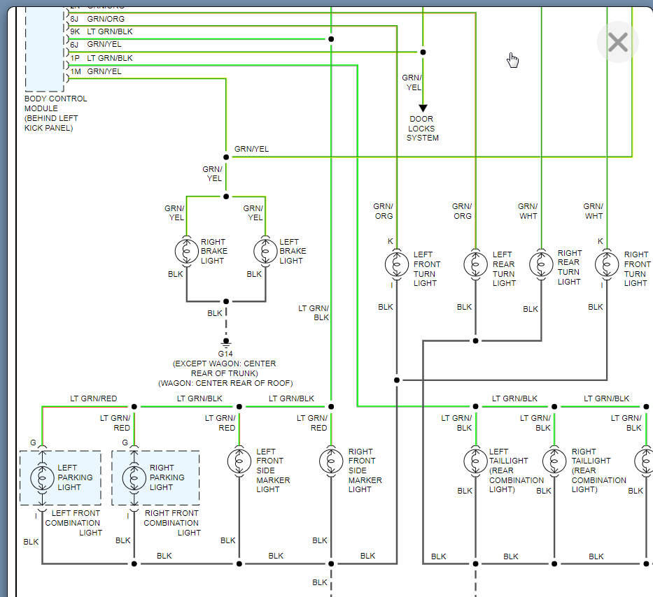
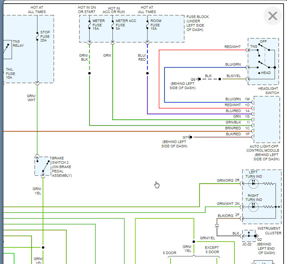
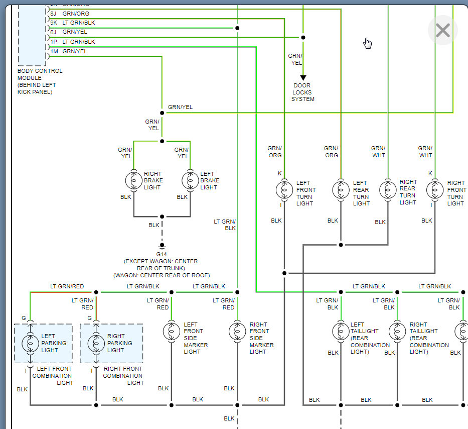
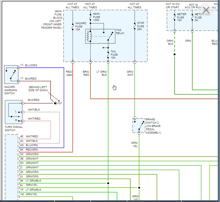
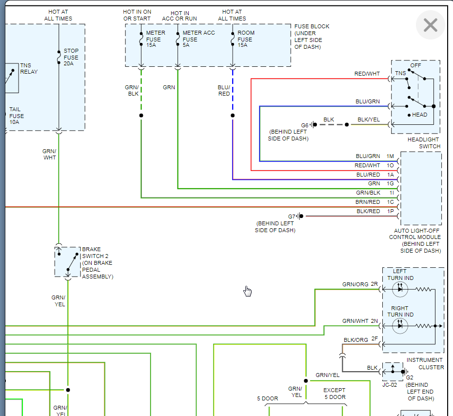
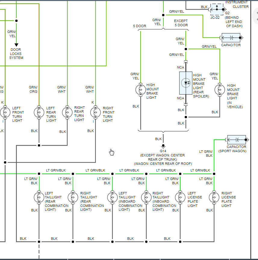
Check out the diagrams (Below)
Please let us know if you need anything else to get the problem fixed.
Cheers
Images (Click to enlarge)
Jul 17, 2020 at 4:25 PM
(Merged)