cooling fan relay location

2004 NISSAN SENTRA
94,790 MILES • 4 CYL • 2WD • AUTOMATIC
Avatar
RULAS
  • MEMBER
  • 13 POSTS
where is the radiator fan relay located on an 04 sentra 1.8, how to find out if its no good
Mar 10, 2011 at 8:00 AM
Advertisement
Avatar
STRAILER
  • CERTIFIED EXPERT
  • 53,855 POSTS
Hello,

Here is a guide that will show you how to test the coolant fan relay to confirm the failure.

https://www.2carpros.com/articles/how-to-check-an-electrical-relay-and-wiring-control-circuit

This guide amy help as well

https://www.2carpros.com/articles/replace-electric-fan-motor

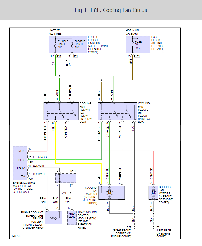
Here is the relay location and wiring daigrams

Check out the diagrams (Below)

Please let us know what you find. We are interested to see what it is.

Cheers, Ken
Nov 30, 2017 at 6:26 PM
Avatar
RONNYSINGH
  • MEMBER
  • 2 POSTS
PROBLEM: The radiator fan does not turn on when the engine gets hot, however the fans turn on when the A/C is turned on and cycles on and off when the A/C is on but when the A/C is turned off the fans dont turn on at all. The temp goes up to half on the gauge.

TEST: Carry the car for a run and return home (without A/C), the temp goes up to half at this point the fans didn't come on, so i am thinking well it's passively cooled while driving so i will leave it on and rev it to 2000 RPM for about 5 mins, fan still does not turn on, however the temp gauge reads half, turned the A/C on and the fan turns on. The temp on the radiator feels close to 100 degrees C.

COOLANT TEMP SENSOR/SWITCH: TESTED OK: Tested this with a multimeter and some diagnostics SW, heated it up to 90 degrees C and the resistance read 200 ohms, when cooled to ambient temp it read 1.5 K ohms. I changed it anyway cuz i bought a genuine nissan one thinking that this was the problem in the 1st place.

THERMOSTAT: TESTED OK: Did the same test on this, heated up to 90 degrees C, it opened at 77 degrees. Well to make myself feel better i did NOT install the thermostat and ran the same test as b4 but the fans still did not turn on. Engine temp goes to half. Fans did turn on when the A/C is turned on. YES i reinstalled the thermostat.

RADIATOR RELAY: TESTED OK: Checked continuity between terminal 3 and 5, 6 and 7 test read N.O without 12v applied to terminal 1 and 2 and test read NC with 12 v applied to terminal 1 and 2. Could even hear the relay clicking sound.

PCM/ECU: Using nissan schematics i did a voltage test between terminal 70 (wire that goes to the coolant temp sensor/switch from PCM) on the PCM to ground. According to Nissan this should read 0.9v when engine is @ 90 degrees C, however mine read 1.3v @ 90-100 degrees C. Temp gauge remains at half during this test.


ANY SUGGESTIONS
Nov 30, 2017 at 6:27 PM (Merged)
Advertisement
Avatar
RONNYSINGH
  • MEMBER
  • 2 POSTS
The 1.3v reading from the PCM was the problem. A launch x431 diagnostic kit was connected which showed a thermal error code and the engine was running hot (about 100-110 degrees C), thermal sensor was showing about 75 degrees on the launch which was why i was getting the 1.3v, so after the PCM reset the fans turned on as normal and the temp was accurate. After the reset was done the engine stayed at normal temp and i tested for the 0.9v at terminal 70 on the PCM and it was exactly 0.9v @ 90 degrees right before the radiator fans turned on, the thermal sensor was about 240 ohms at this point.
So when the engine is cold about 25 degrees the voltage should be around 3v cuz the temp coolant sensor will send a voltage signal to the PCM which is equivalant to the temp of the engine and when this voltage signal reaches 0.9v the radiator fans will turn on.
Hope this info would help others in troubleshooting this particular problem.
Nov 30, 2017 at 6:27 PM (Merged)