Intake Air Temperature Sensor

2004 MERCEDES BENZ C230
75,000 MILES
Avatar
MIEC
  • MEMBER
  • 26 POSTS
I have a 2004 Mercedes C230 with the 1.8 L engine. The IAT is new and the wiring from the IAT to the ECM check out for continuity. I still get the engine code 0110. Is there a way to verify if the IAT is good?
Feb 15, 2012 at 5:25 PM
Advertisement
Avatar
RIVERMIKERAT
  • CERTIFIED EXPERT
  • 6,110 POSTS
See image attached
Feb 16, 2012 at 4:48 AM
Avatar
MIEC
  • MEMBER
  • 26 POSTS
Thank you! One more thing is that there are 4 terminals on the connector to the combination MAF/IAT senor. Do you know which two are for the IAT?
Feb 16, 2012 at 1:51 PM
Advertisement
Avatar
RIVERMIKERAT
  • CERTIFIED EXPERT
  • 6,110 POSTS
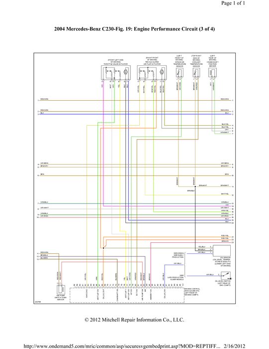
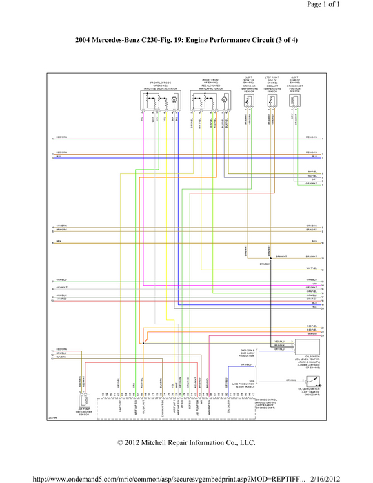
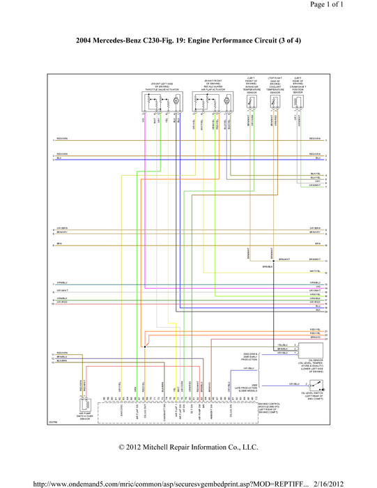
See schematics attached. The IAT is shown on the first one at the top right, if I recall correctly. The MAF is shown on the second at the top right.
Feb 16, 2012 at 11:48 PM
Avatar
MIEC
  • MEMBER
  • 26 POSTS
Those are great diagrams, but I just can read them when I blow them up. Can you send pdfs to [email protected]?

Thanks,
Feb 17, 2012 at 12:22 AM
Avatar
RIVERMIKERAT
  • CERTIFIED EXPERT
  • 6,110 POSTS
Yes. I'll send both jpegs and pdfs. I enlarged them to 7500 pixels wide, too. They're huge.
Feb 17, 2012 at 1:16 AM