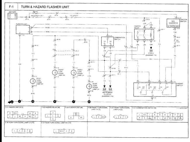
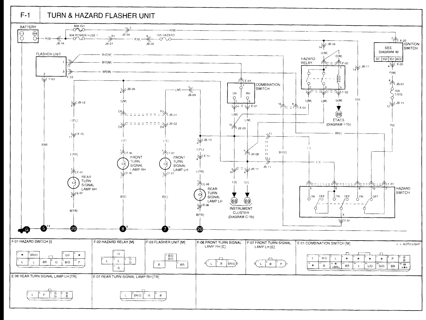
turn signals and flashers

2004 KIA OPTIMA
159,000 MILES • 4 CYL • FWD • MANUAL
Avatar
KRISTAIN CONLEY
  • MEMBER
  • 1 POST
Checked fuses and bulbs they are good, but will not turn on. if you try to use hazards they click like they want to work but do not.
Sep 12, 2017 at 7:11 AM
Advertisement
Avatar
STEVE W.
  • CERTIFIED EXPERT
  • 15,113 POSTS
So you get no lights at all when you select right or left turn, neither front or back? Do you hear the flasher do anything for turning?
But you do hear the flasher click when you select the hazard lights but no lights work? Do the indicators on the dash come on for either?
Looking at the wiring I would say replace the flasher unit. It and the hazard switch are the only common item but I would think you would still have one or the other if it failed.
Sep 12, 2017 at 9:13 PM