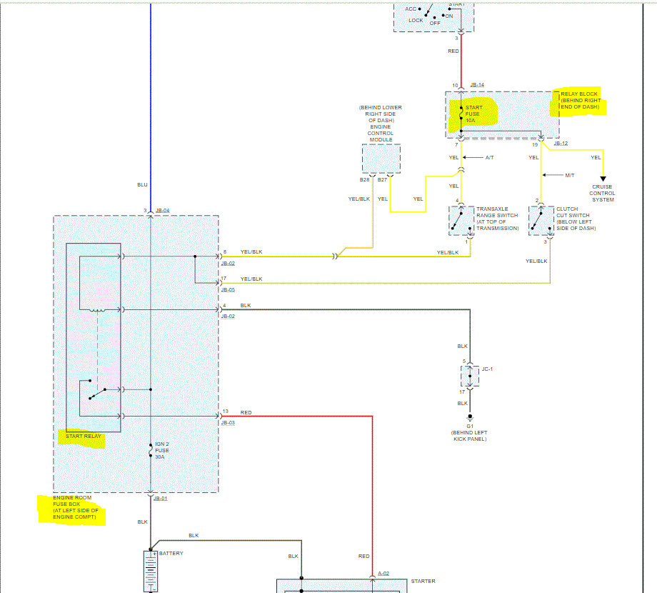
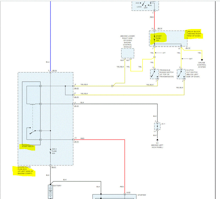
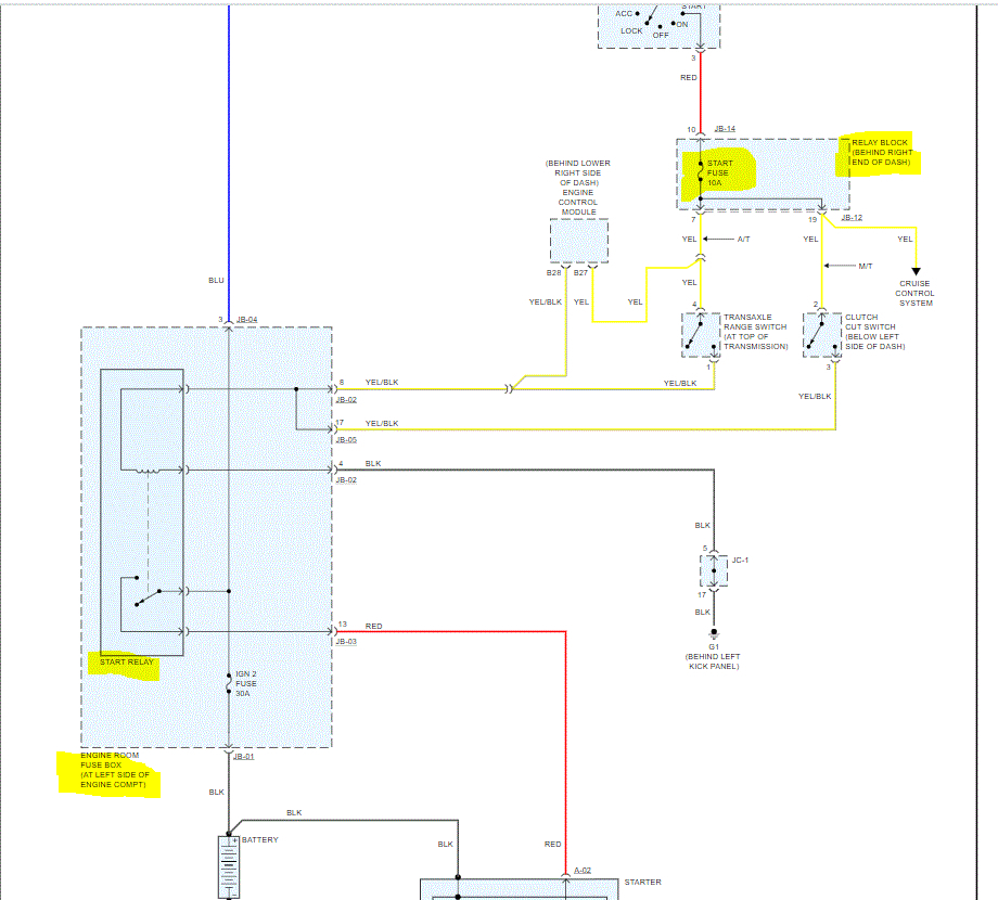
I just replaced the alternator and the camshaft position sensor. Battery holds a strong charge, but when turn the key just get clicking noise. Problem first occluded when driving and all the sudden car just stalled. All lights radio and heat continued to work but car stalled. Put on computer and gave me the code to change the camshaft position sensor.
Oct 3, 2013 at 12:33 PM


