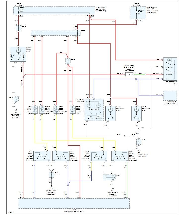
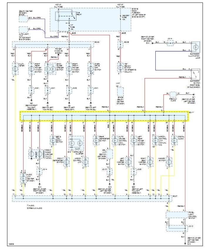
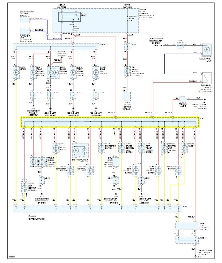
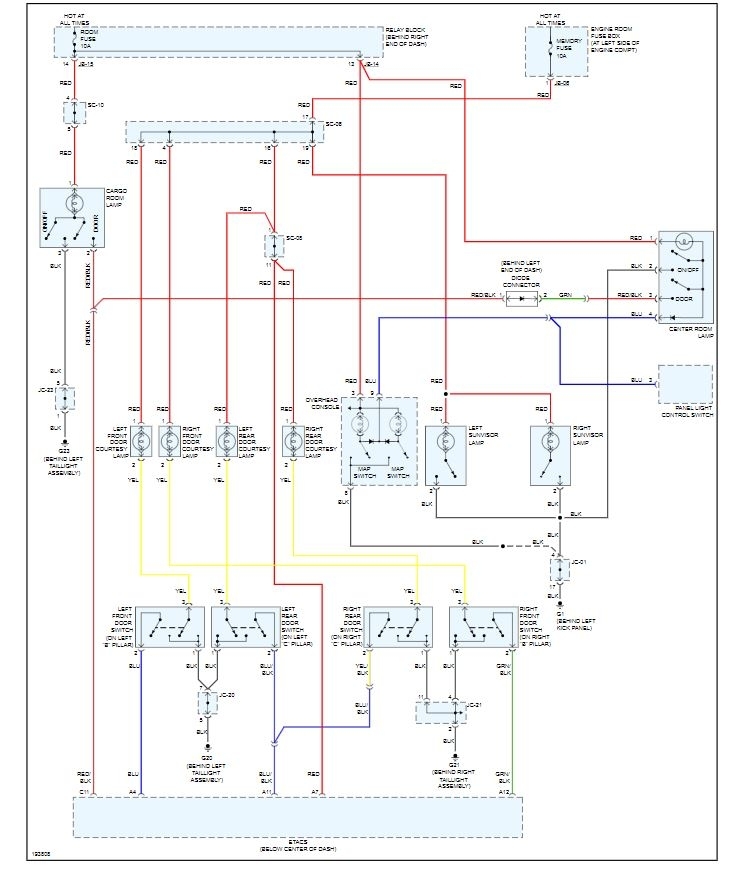
My interior lights randomly come on and the dash lights will go out while I am driving sometimes it happens at the same time other times it is one or the other. Do you know what the problem is and is it costly to repair.
Feb 2, 2013 at 2:13 AM

