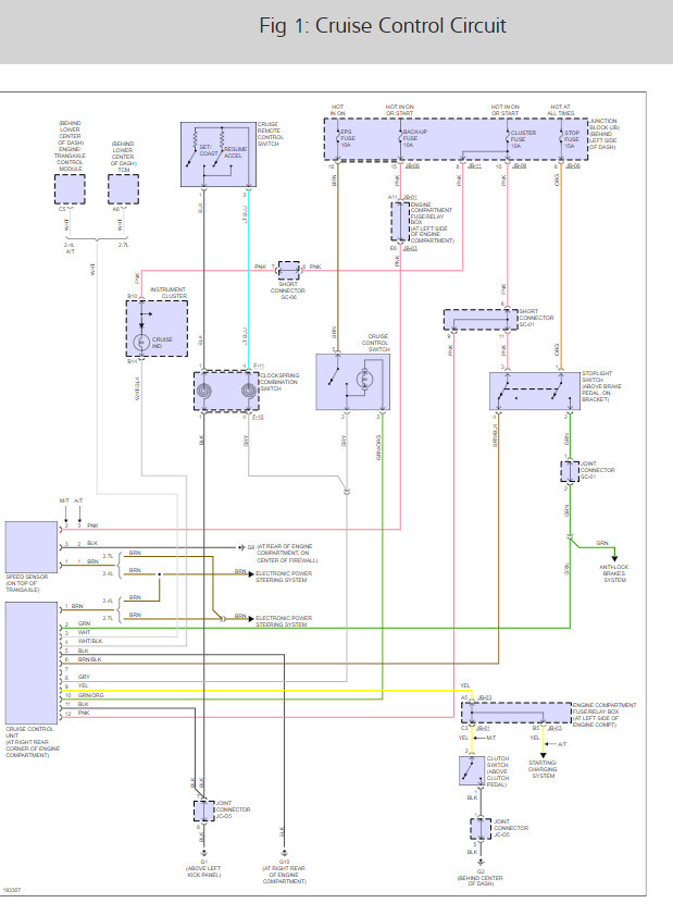
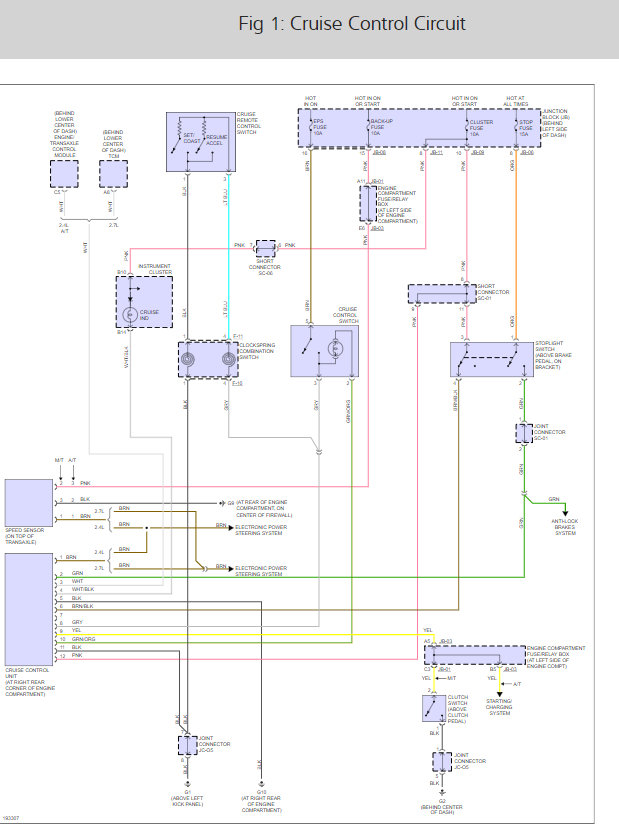
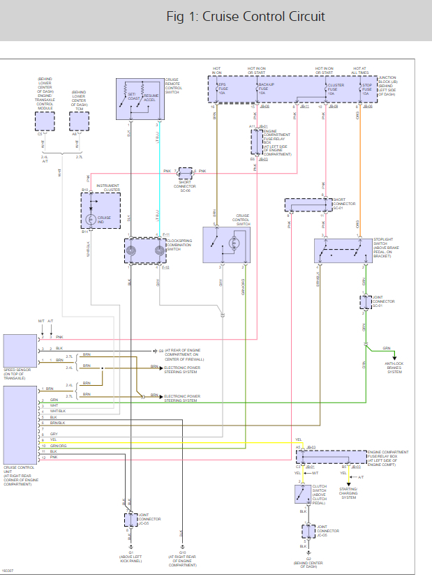
I have the car listed above with over 138,000 miles. I have pushed the button to turn on the cruise control, it illuminates. I push the button on on the steering wheel and it does not illuminate when looking at the dash board cluster as it should in the lower right hand corner. I have check all the fuses and nothing is burned out.
Jan 2, 2012 at 11:01 PM
