The left turn signals flashing fast?

2004 KIA AMANTI
160,000 MILES • 6 CYL • 2WD • AUTOMATIC
Avatar
GOLDMONKEYBAR
  • MEMBER
  • 2 POSTS
The left turn signals flashing fast, both front and back, including when hazard switch is on.

Wondering if there are separate flasher relays for left or right, so I could switch sides to see if one relay is bad?

Other suggestions?
Nov 12, 2023 at 7:04 AM
Advertisement
Avatar
JACOBANDNICKOLAS
  • CERTIFIED EXPERT
  • 110,175 POSTS
Hi,

The quick flashing indicates a bulb issue, are you certain there isn't one that failed?

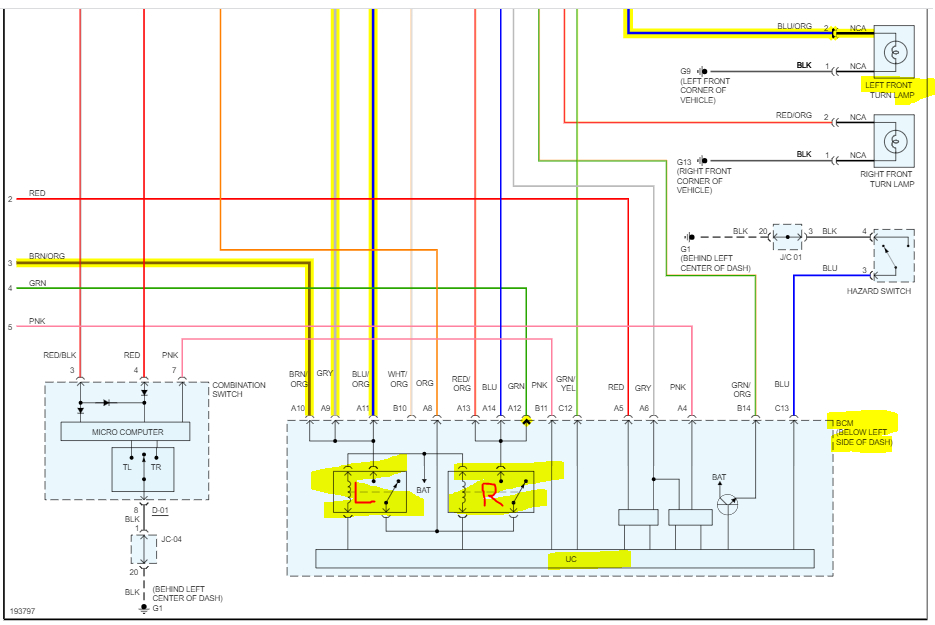
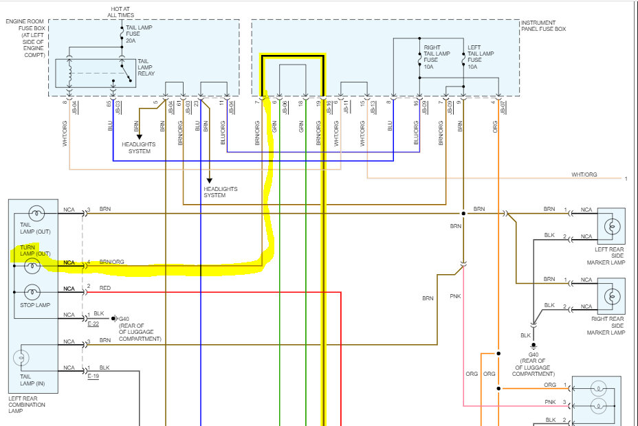
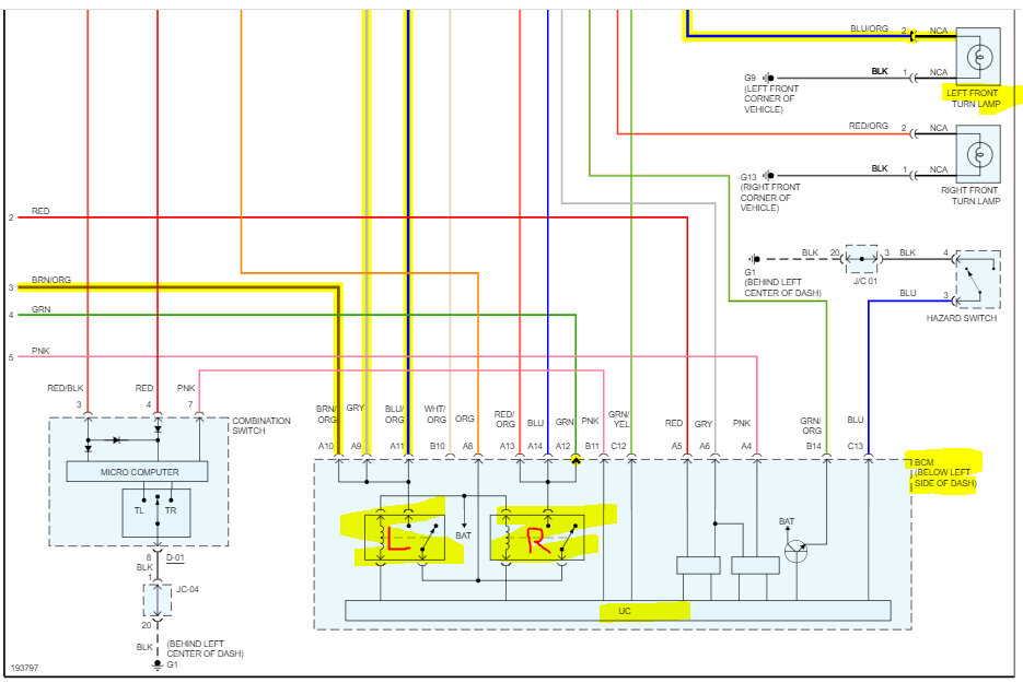
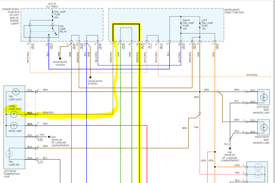
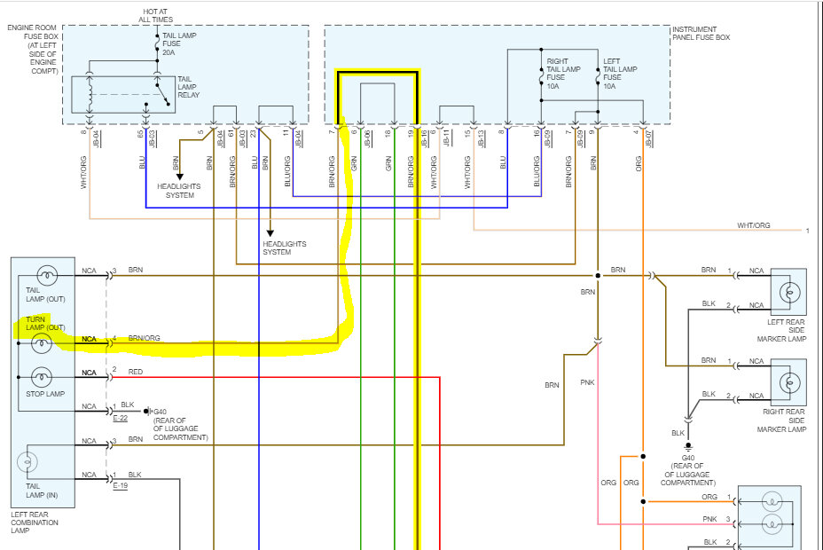
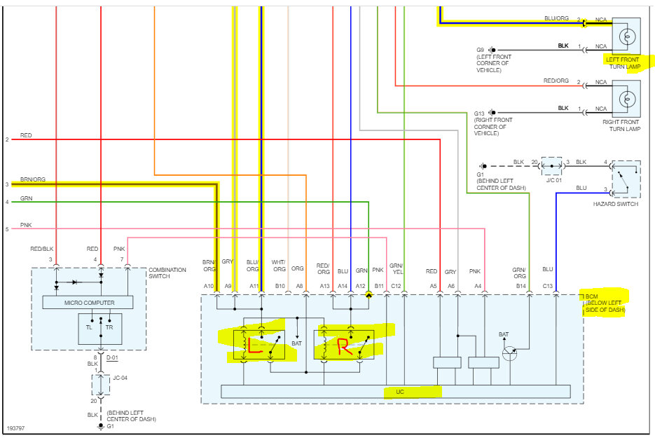
As far as flashers, there aren't any. The flashing is controlled by the body control module under the dash. The is a relay for each side, but if the lights are working (too fast), the relays are working. Also, they are an integral component and would require the BCM to be replaced.

I attached the wiring schematic and highlighted the wiring related so that you would have a reference. I feel one of the bulbs has failed and isn't flashing. By any chance, did you install LED bulbs?

Let me know.

Joe

See pics below. I cut each page in two to make them readable.
Nov 12, 2023 at 8:36 PM
Avatar
GOLDMONKEYBAR
  • MEMBER
  • 2 POSTS
Hi! :)

No LEDs on the turn signals.

Have had LEDs on the headlights (dealer installed) for around six months).

All four of the turn signal bulbs are lighting equally -- but the two on the driver's side (both front and rear) are flashing fast, with a quick pause every few flashes. Same when operating the "hazard" switch, passenger side is fine, driver side flashing rapidly.

I've examined the bulb in the left rear and it looks fine. (It's a regular 2357A incandescent.)

But (due to extremely stupid factory design) the turn signals on the front of this monster can only be accessed by removing the entire front bumper. Which I am unwilling to do at the moment, just to examine a bulb that seems to be working just fine.

Maybe it's the BCM as you suggest. 168,000 miles is a pretty good run on what is probably the original.

I am tempted to cruise on as-is until inspection time in March, unless something else goes wrong -- after all, I do have flashing signals all around when I need them, even if one side flashes faster.

Any other suggestions, thanks in advance.

And thanks for your time! Have a great week! :)

Today's Word of Automotive Wisdom: Never buy a car where the $5.00 light bulbs can't be easily accessed. :D

Nov 13, 2023 at 5:00 AM
Advertisement
Avatar
JACOBANDNICKOLAS
  • CERTIFIED EXPERT
  • 110,175 POSTS
Hi,

I understand and agree with you. I would wait as well. I have people get upset when they need a bulb replaced and I tell them it will take an hour + because half the car needs to be taken apart. LOL

I feel that either there is a weak connection at some point that is causing the BCM to think there is an open circuit or the BCM is failing. The double-time flashing is designed into the system to indicate a failed bulb, but if they are all working, something is causing it to think there is a problem.

If you remember, let me know what the final outcome is. I'm interested in knowing what is found. Also, let me know if there is anything I can do to help.

Take care of yourself,

Joe
Nov 13, 2023 at 9:23 PM