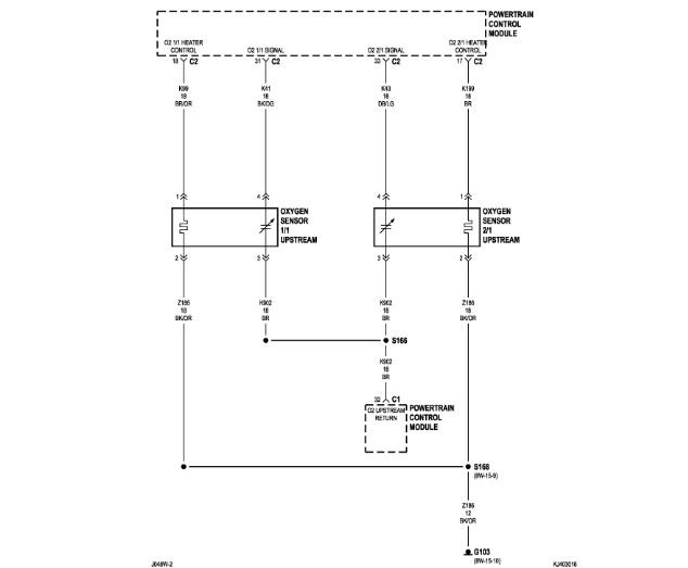
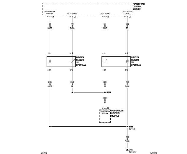
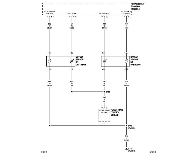
Check engine light keeps coming on several years now. I have had oxygen sensors replaced three times over the last six years. Now I am being told by one mechanic that it is the PCM the main computer which is going to be about of $1,000.00. Being told by another mechanic that it is the catalytic converter which will be about $700.00. He also wants to change the plug,s I just had all plugs changed at 55,000 miles I am now at 74000 miles. Does anyone have any suggestions what I should do? Very much appreciate anyone's thoughts thank you!
Dec 1, 2018 at 5:14 PM
