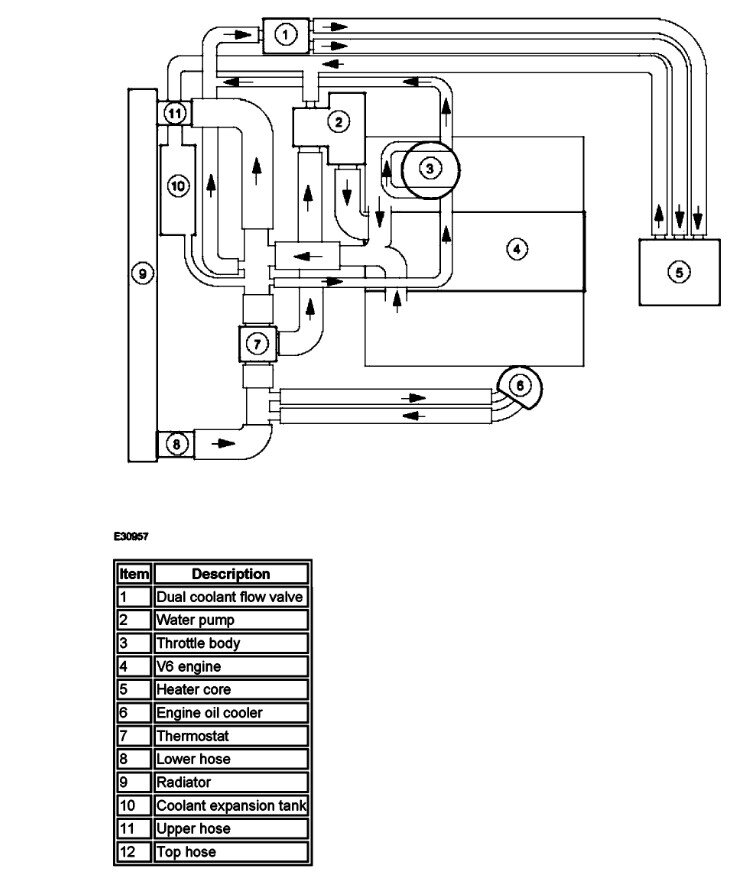
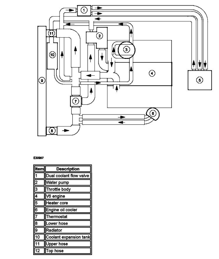
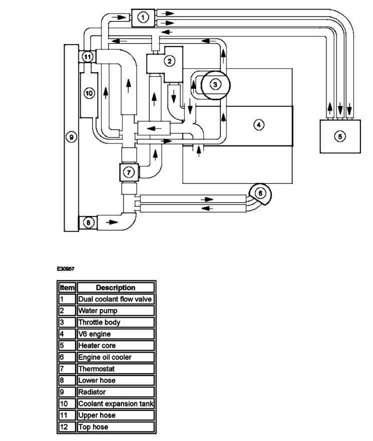
2004, Jaguar S-Type, 3.0, 6cyl . I'm trying to find a part that broke but I'm not sure what it is. I will send a picture of this part, It seems to be part of the Heating piping. The part that broke ( has red writing on it ) you can see in the 3rd picture the round part.... that's what broke off and it goes to the Coolant Reservoir Tank. I found a complete system on E-bay but I only need the one part or can I block this line off without hurting the car? See Pictures.
Thanks for any info anyone can provide !
Thanks for any info anyone can provide !
Jun 25, 2025 at 9:31 AM




