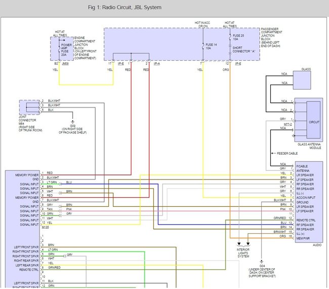
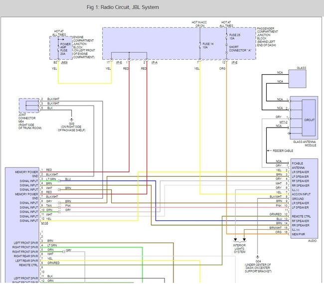
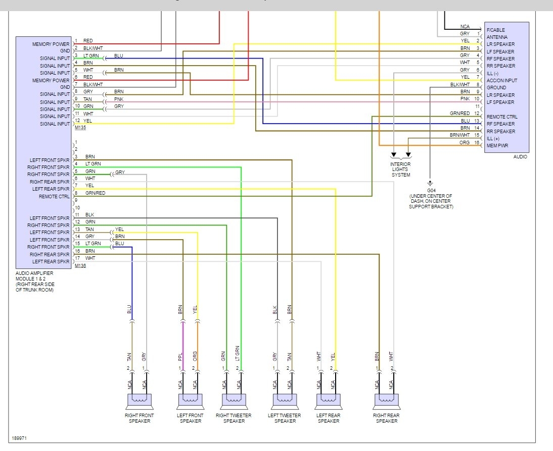
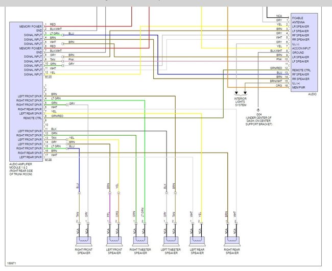
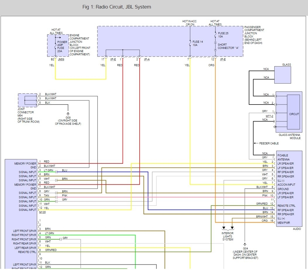
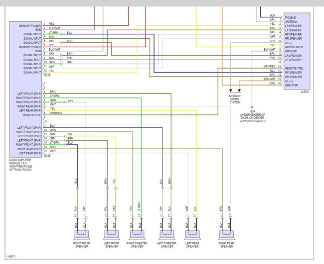
I have a 2004 Hyundai xg-350 with infinity system.
Removed main unit in dash, but need to find amp unit somewhere in car to connect speakers for aftermarket replacement system. Where?
Removed main unit in dash, but need to find amp unit somewhere in car to connect speakers for aftermarket replacement system. Where?
Mar 17, 2011 at 10:19 PM

