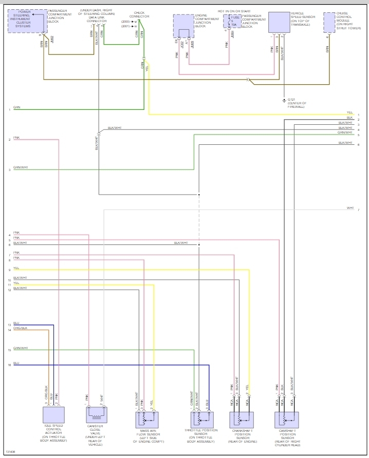
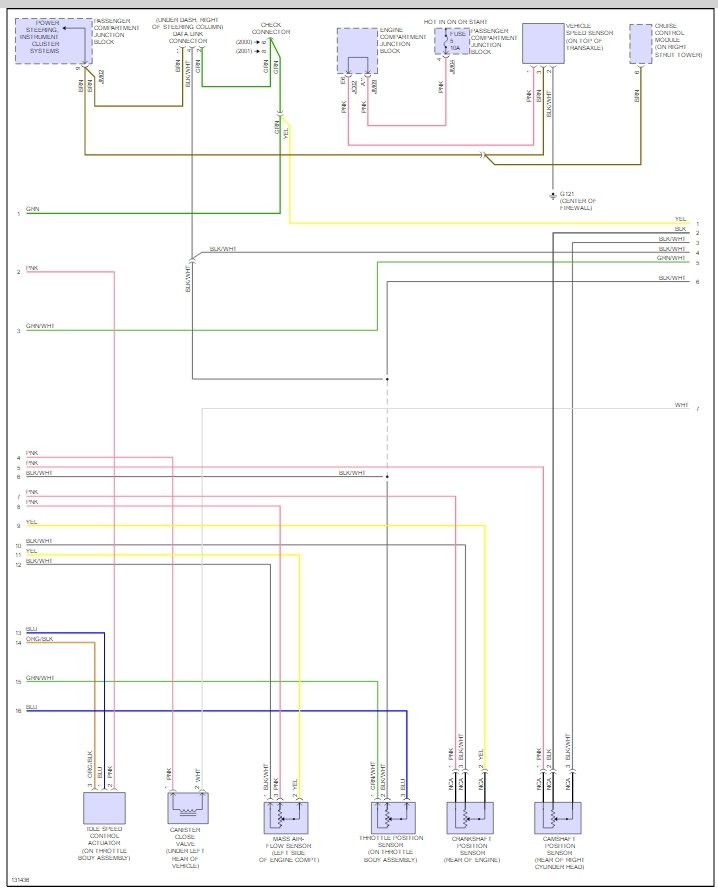
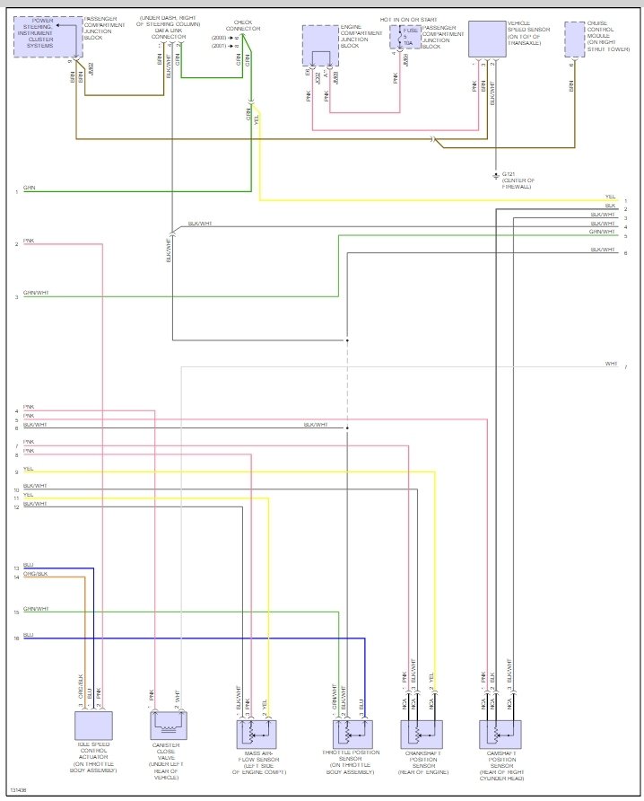
Autozone said "crank shaft positioning sensor"was bad. Replaced it. Replaced long timing belt but did not touch small belt as it was "pristine". Made absolutely sure ALL timing marks aligned before and after installing belt. No spark.
Code reader says cam/crank shaft sensor failure. Failure at line "a". Failure Pending. (Code is P0335) Have tried deleting code to no effect. Engine turns over just fine, but I have no spark at either coil pack. What do you suggest?
Code reader says cam/crank shaft sensor failure. Failure at line "a". Failure Pending. (Code is P0335) Have tried deleting code to no effect. Engine turns over just fine, but I have no spark at either coil pack. What do you suggest?
Jan 12, 2012 at 2:29 PM














