Fog lights not working it does not come on?

2004 HONDA ACCORD
110,000 MILES • 4 CYL • AWD • AUTOMATIC
Avatar
JMONSOUR
  • MEMBER
  • 1 POST
replace the lower fog light (light beneath the headlight) but it does not come on why?
Jan 19, 2011 at 5:50 PM
Advertisement
Avatar
JACOBANDNICKOLAS
  • CERTIFIED EXPERT
  • 110,175 POSTS
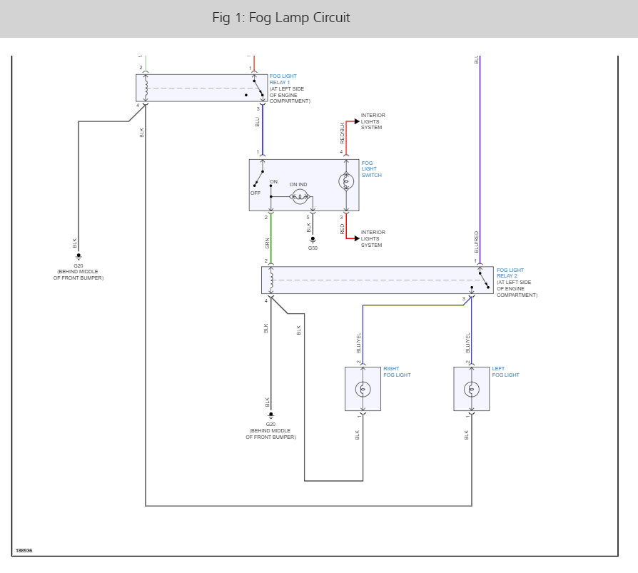
there are two relays and the fuse #6a in the under hood fuse panel these guides can help us find the problem by testing the fuse and relays.

https://www.2carpros.com/articles/how-to-check-a-car-fuse

and

https://www.2carpros.com/articles/how-to-check-an-electrical-relay-and-wiring-control-circuit


here are the fog light wiring diagrams so you can see how the system works. Check out the diagrams (Below). Please let us know what you find.
Apr 4, 2019 at 2:17 PM