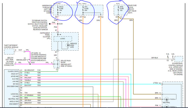
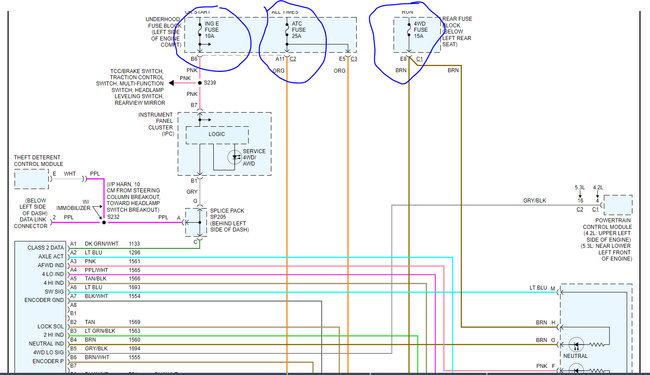
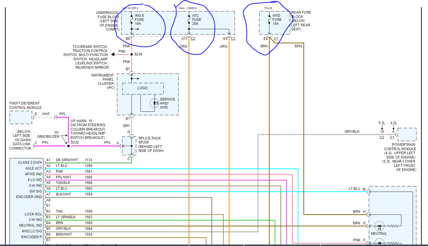
4 wheel drive service light came on when I was checking all of the fuses to find out which one was for the running lights to pull a trailer. I did not know that there was a fuse box under the back seat. Found the bad fuse to the running lghts but the 4 wheel drive service came on and will not go out. I try to resaet the computar but that did not seem to help.
Is it possiblie that I put the relay in wrong.
Is it possiblie that I put the relay in wrong.
Jun 6, 2013 at 6:15 PM


