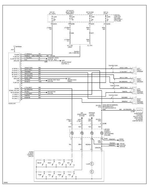
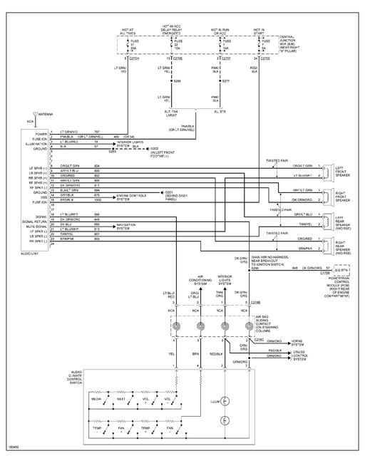
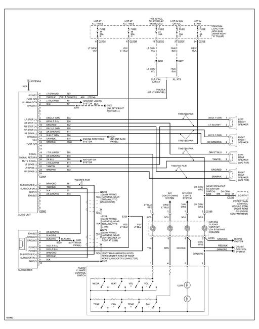
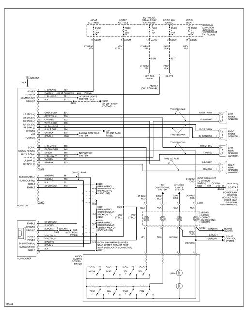
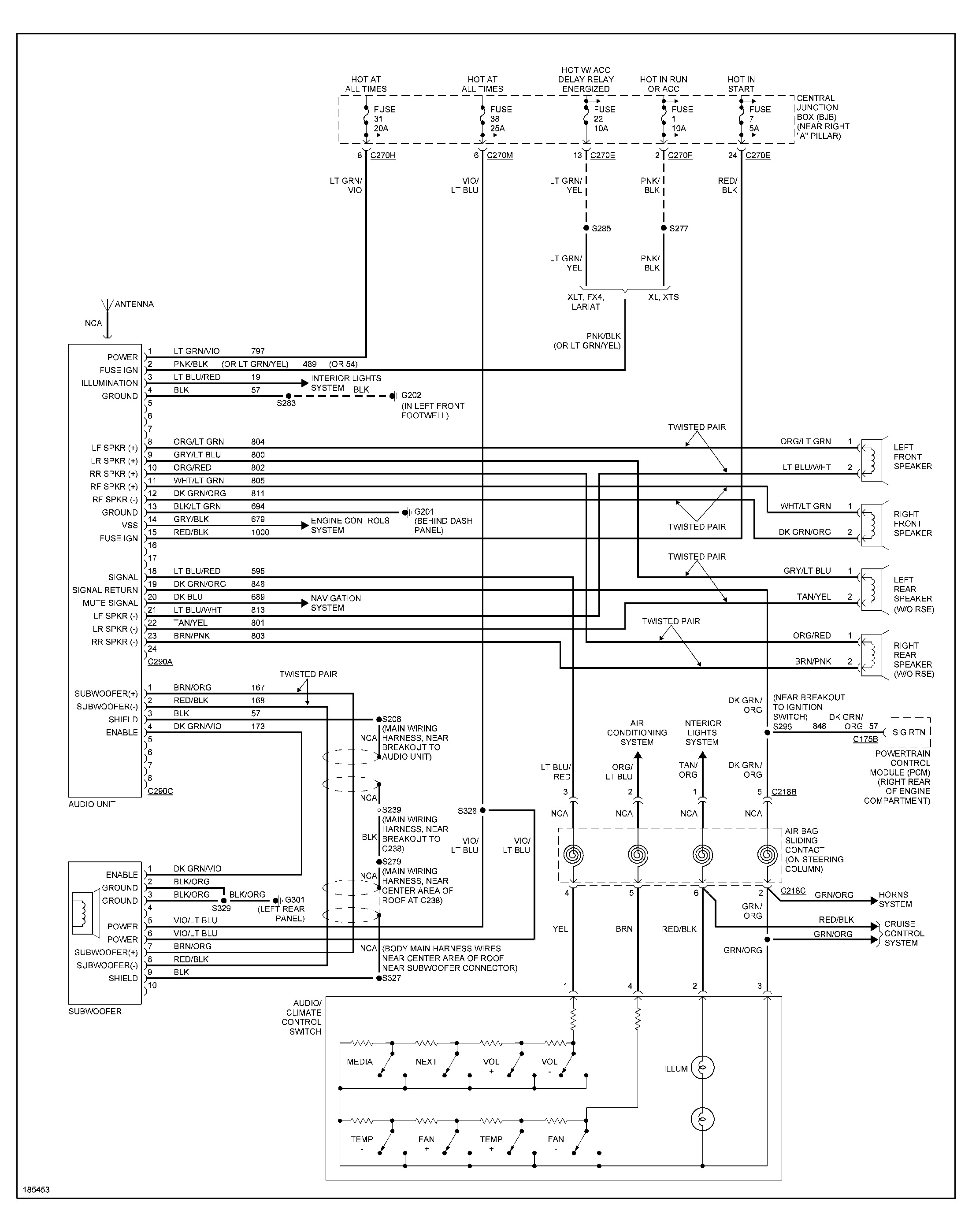
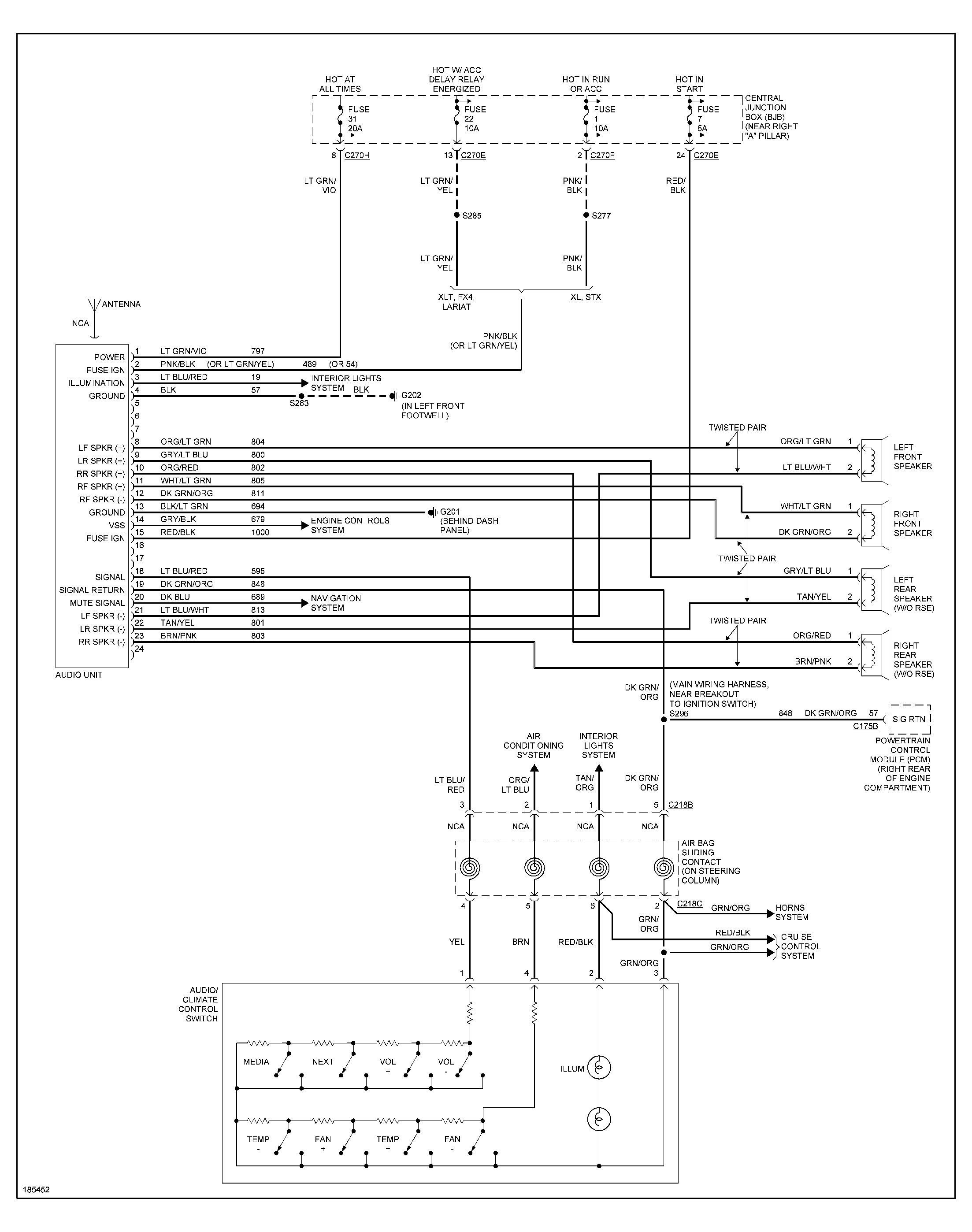
I have a ford f150 super cab lariat, When I turn the ignition off and open the drivers door the radio remain on and will not shut off until I press the off button. I would love to find out what the problem may be without going into the dealer and aying the big buck.
Aug 19, 2013 at 6:13 AM


