Turn signals not working

2004 FORD EXPEDITION
15,000 MILES
Avatar
LIGHTNINGLYNN
  • MEMBER
  • 1 POST
The turn signals on my expedition have a intermittent problem. On either side they will work but only at times and for a few seconds. If you play with the switch it sometimes helps. I have replaced the relay and multi function switch and still have the same problem. I also found a blown fuse on the right hand trailer plug. Any ideas as to what to check next?

When I asked the question I said relay. I meant to say that I replace the flasher behind the dash on the left (drivers side of vehicle) side.
Oct 3, 2013 at 5:04 PM
Advertisement
Avatar
STRAILER
  • CERTIFIED EXPERT
  • 53,855 POSTS
Hello,

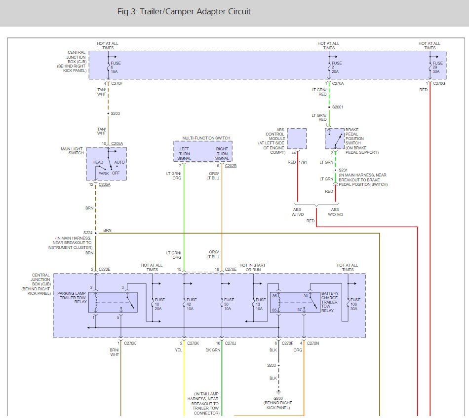
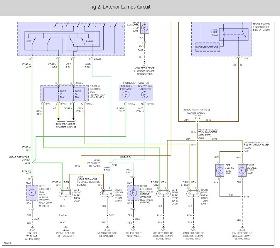
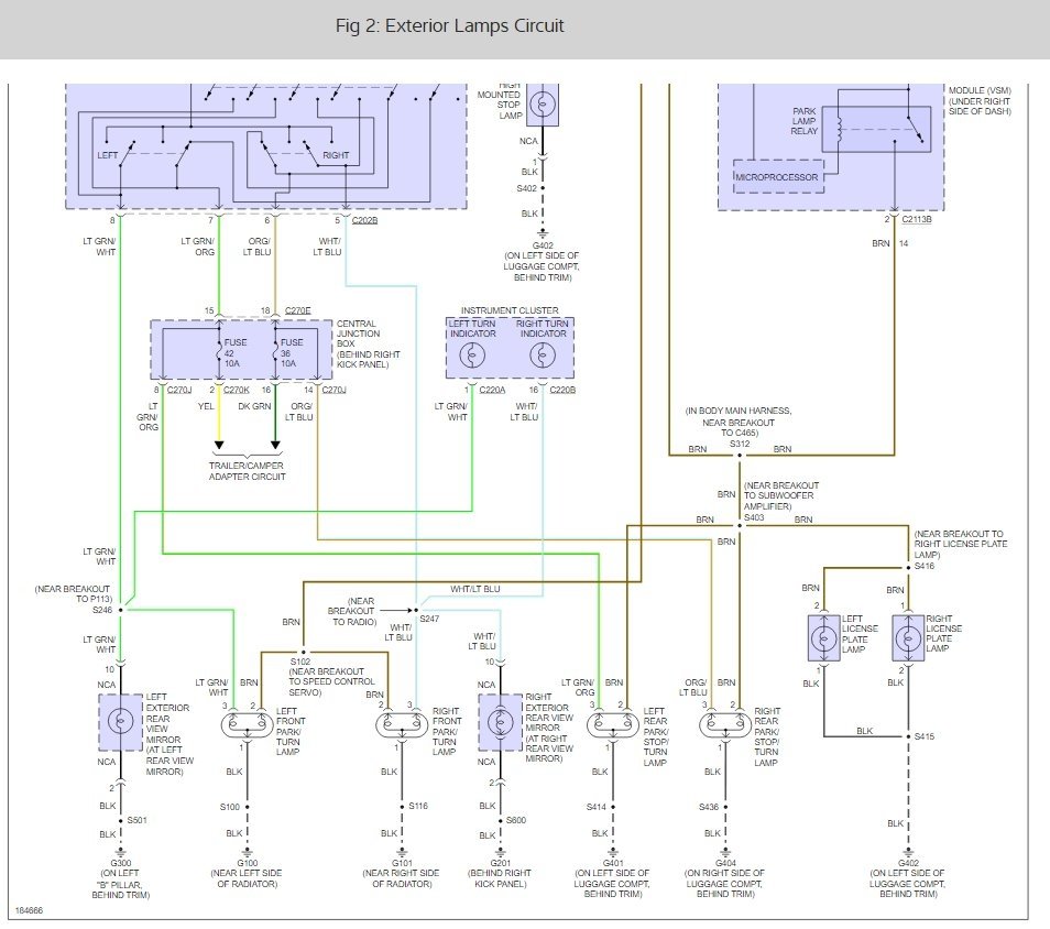
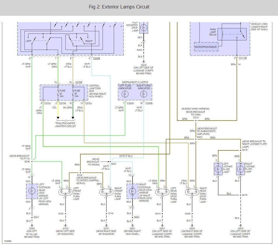
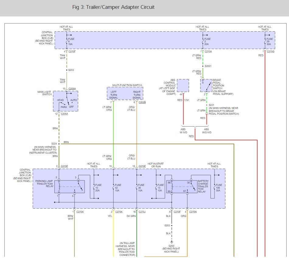
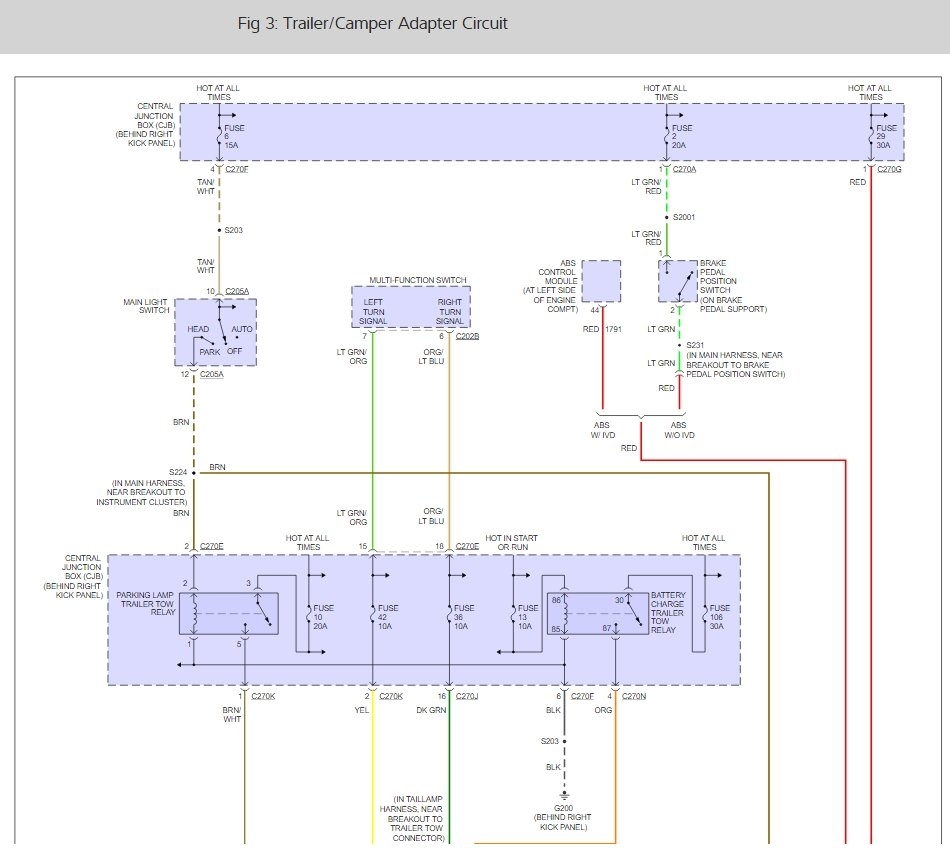
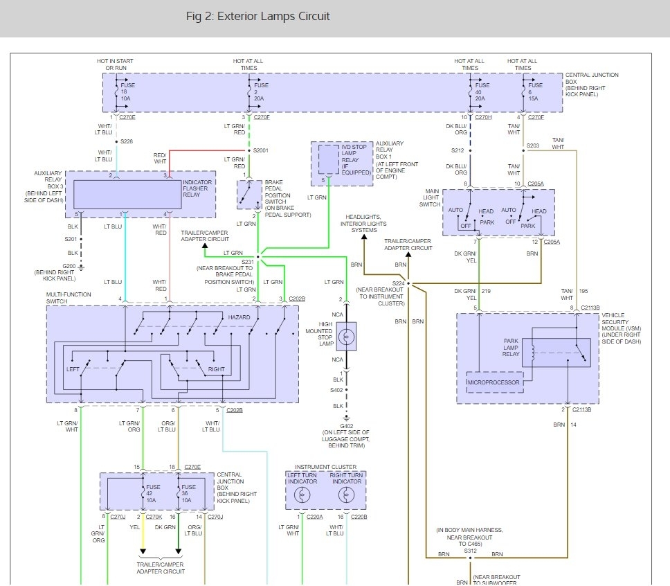
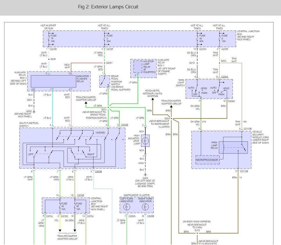
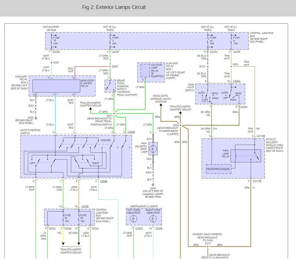
This sounds like a classic connection problem which can be at the fuse. When the blinkers stop working have the switch on and wiggle the fuses that power the system to see if they start working. Here are some wiring diagrams (below) to help you see which ones power the system.

Here are some guides to help with the testing

https://www.2carpros.com/articles/how-to-check-a-car-fuse

and

https://www.2carpros.com/articles/how-to-use-a-test-light-circuit-tester

Please run some tests and get back to us so we can continue helping you.

Cheers, Ken


Jun 17, 2017 at 6:17 PM
Avatar
RVASQUEZ8
  • MEMBER
  • 3 POSTS
why is my 2004 expedition turn signal not working and i hear wires movement by headlight switch
Jun 17, 2017 at 6:18 PM (Merged)
Advertisement
Avatar
KHLOW2008
  • CERTIFIED EXPERT
  • 41,814 POSTS

I believe you are hearing a buzzing noise and not the wires moving. Ths buzzing should be from the hazard/turn signal flasher unit.

Is hazard lights working?
Possibly the flasher relay is bad.
Jun 17, 2017 at 6:18 PM (Merged)
Avatar
IKESHAT
  • MEMBER
  • 1 POST
All of a sudden my blinkers went out. my hazards work fine. i checked the bulbs(ok), no loose wire. I replaced the flasher unit,and the fuse but it still don't work. The lights don't show up on the instrument panel. the switch makes the click noise, and it's not loose.
Jun 17, 2017 at 6:18 PM (Merged)
Avatar
ASEMASTER6371
  • CERTIFIED EXPERT
  • 52,796 POSTS
sounds like the switch has failed.

Roy
Jun 17, 2017 at 6:18 PM (Merged)