Transmission shifting issue

2004 DODGE INTREPID
185,000 MILES
Avatar
SJKELLY
  • MEMBER
  • 2 POSTS
When I get off the highway or high speed and slow down or come to a stop my car shutters and then it won't shift gears until I turn it off and then turn it back on. I have had the transmission serviced every 50,000 and this just started. I was told that I need a new transmission but wondered if this was a sensor or vacuum issue since the car works fine after I turn it off and right back on?
Thanks.
Steve
Aug 24, 2013 at 6:27 PM
Advertisement
Avatar
SATURNTECH9
  • CERTIFIED EXPERT
  • 30,869 POSTS
Have you had the computer scanned for codes yet?Sounds like the transmission is going into limp mode and when you cycle the key it goes out of limp mode.
Aug 24, 2013 at 6:49 PM
Avatar
CADIEMAN
  • CERTIFIED EXPERT
  • 3,544 POSTS
you can take to any parts stores and they will check. the codes for free.make sure the fluid is full.check it with it running.this also could be cause by the converter staying engaged as you come to a stop.if there are no codes take it to two transmission shops and see what they say it needs.then get back with me.good luck Steve, i hope this helps.thanks for using 2CarPros.
Aug 24, 2013 at 7:31 PM
Advertisement
Avatar
SJKELLY
  • MEMBER
  • 2 POSTS
Just found time to have the code scanned here is what came up:
P0841 Transmission Fluid Sensor switch A
P1776 Transmission solenoid switch valve lacked L/R Position
P0700 Transmission Control System

Any direction would be helpful. I'm trying to get this car in shape for my son to take back to college. If these are parts that can be replaced any idea what the cost and who should I contact, general auto repair or transmission place.
Thanks,
Steve
Sep 14, 2013 at 8:25 AM
Avatar
SATURNTECH9
  • CERTIFIED EXPERT
  • 30,869 POSTS
You could just have a bad solenoid. does the code come right back as soon as you clear the codes?
Sep 15, 2013 at 5:35 PM
Avatar
ASEMASTER6371
  • CERTIFIED EXPERT
  • 52,796 POSTS
Good afternoon,

The first thing I would do is change the fluid and filter in the transmission. If the fluid is dirty and some dirt is in the valve body, it will do this.

https://www.2carpros.com/articles/automatic-transmission-problems

https://www.2carpros.com/articles/how-to-service-an-automatic-transmission

As far as the code, I posted the possibilities below but you will need a scan tool to monitor the live data.

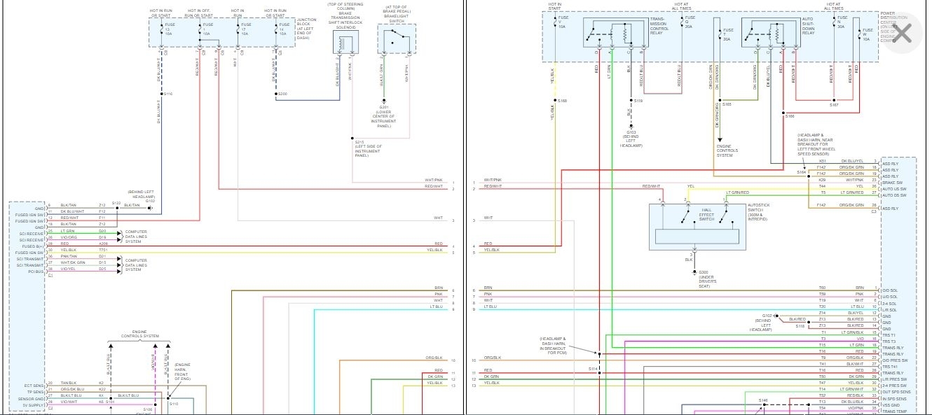
I attached a wiring diagram for you as well that needs to be checked.

Both codes are wiring related. That means it could be a harness issue internally or the control unit feeding voltage to the sensors.

https://www.2carpros.com/articles/how-to-check-wiring

Roy
Apr 10, 2020 at 3:02 PM
Avatar
KRISSY-ANN
  • MEMBER
  • 3 POSTS
My car recently has an issue sometimes with the rpm's going over 3.
The car isn't downshifting.
When this happens the engine revs and sounds strained. Once I'm able to pull over, I shut the car off, turn it on and it's fine.

Please help! My husband checked the transmission fluid and that was fine.
Apr 11, 2020 at 3:44 PM (Merged)
Avatar
JACOBANDNICKOLAS
  • CERTIFIED EXPERT
  • 110,175 POSTS
Have any warning lights come on? It sounds like it isn't shifting.
Apr 11, 2020 at 3:44 PM (Merged)
Avatar
KRISSY-ANN
  • MEMBER
  • 3 POSTS
The engine light is on now, however sometimes it comes on and other times it's off. The car runs just fine other than that. Going to work this morning it didn't do a thing, but the engine light did turn on.
But last night going home it did it. I pulled over and shut the car off, waited, turned it on and it was just fine.
Apr 11, 2020 at 3:44 PM (Merged)
Avatar
JACOBANDNICKOLAS
  • CERTIFIED EXPERT
  • 110,175 POSTS
When the check engine light is on, you have to have the computer scanned. Most parts stores will scan it for free.

Here is a link that will help: https://www.2carpros.com/articles/checking-a-service-engine-soon-or-check-engine-light-on-or-flashing

Let me know what you find.

Joe
Apr 11, 2020 at 3:44 PM (Merged)
Avatar
KRISSY-ANN
  • MEMBER
  • 3 POSTS
thank you for your time, I greatly appreciate it.
Apr 11, 2020 at 3:44 PM (Merged)
Avatar
JACOBANDNICKOLAS
  • CERTIFIED EXPERT
  • 110,175 POSTS
You're welcome. Let me know what you find or if you have questions in the future.

Joe
Apr 11, 2020 at 3:44 PM (Merged)