window will go down but wont go back up

2004 CHRYSLER SEBRING
Avatar
ICEEYES
  • MEMBER
  • 1 POST
Have a 2004 Chrysler Sebring that i have replaced the motor on the passenger side front because the window will go down but wouldn't go back up but am still having the same problem window will go down but wont go back up?
Mar 31, 2012 at 6:24 PM
Advertisement
Avatar
CARADIODOC
  • CERTIFIED EXPERT
  • 34,306 POSTS
There's three different versions of Sebring, and they use different circuitry. If you'd list the engine size, that might help me figure out which model you have.

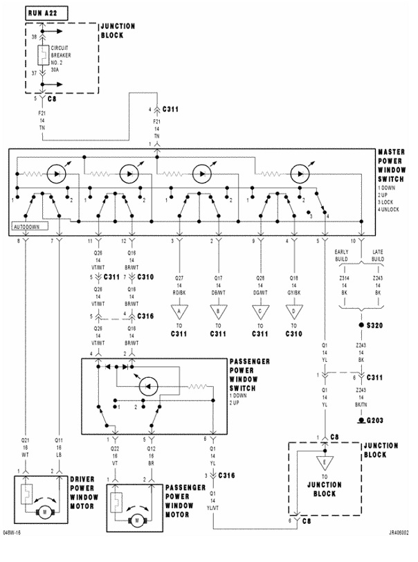
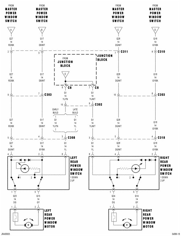
For the most common systems, the problem you described can be caused by either switch, the passenger's or the driver's master switch, regardless if one is working correctly. That's because current for the motor passes through a pair of contacts in the released switch, one contact in the pressed switch, and a second inactivated contact in the pressed switch. That's how they reverse the motor's direction from either switch. That also means there are eight pairs of switch contacts for one window motor. Four are in use when both switches are released, and one of them changes to one of the other four when a switch is pressed. To say that a different way, when you press the passenger's switch, current flows through that pressed switch contact, its released counterpart, and the two released switch contacts in the other switch. Any one of those contacts could be arced or pitted and cause the motor to run just one way.

Any time the window motor works one way, that proves the motor and the two wires going to it are okay. As far as the wires between the switches, they run between the door hinges, and that's a real common place to find a break. The symptoms will vary depending on which wire is broken. Will your window work in both directions from one of the switches?

Another common problem is a window goes up, but very slowly or sluggishly, and you may need to help it by pulling it up. That can be caused by excessive road tar or bug juice in the rubber glass guides. Spraying those guides with Silicone Spray Lube usually takes care of that.

Most window regulators now use lightweight cables and a system of pulleys. If the cable becomes frayed or a pulley cracks, the window will not run as smoothly as it should, and may not go one way. To identify this, you'll usually see or hear at least some movement when you press the switch.

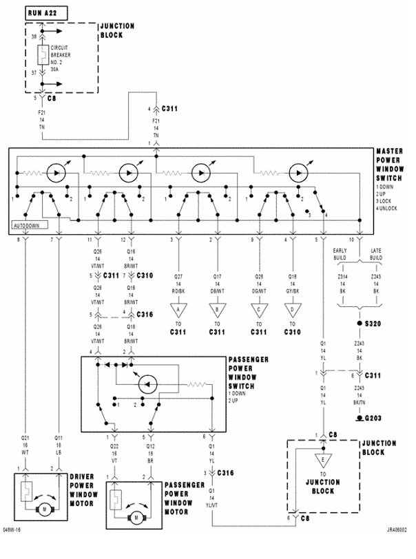
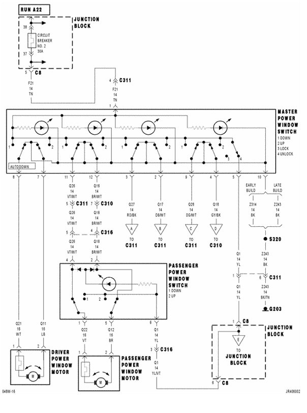
These diagrams are for the most common window system. If necessary, I can draw in the current path when one switch is pressed.
Dec 24, 2020 at 3:46 PM
Avatar
OMEGA11
  • MEMBER
  • 1 POST
I did a video on this issue on 2005 Sebring https://youtu.be/I_F3ldQvhqk
Mar 9, 2021 at 2:29 PM
Advertisement
Avatar
CARADIODOC
  • CERTIFIED EXPERT
  • 34,306 POSTS
Thank you. That will likely help a lot of people.
Mar 9, 2021 at 5:37 PM