dash separating I need to remove it

2004 CHRYSLER PACIFICA
88,600 MILES • 6 CYL • AWD • AUTOMATIC
Avatar
DEB
  • MEMBER
  • 1 POST
The area where the right passenger airbag is located is separating from the wood trim. It is as if the air bag has expanded or the dash wasn't cut long enough. Any ideas on how to fix? I have a new dashboard and want to install it.
Jan 4, 2011 at 2:47 AM
Advertisement
Avatar
LIQMATICUS
  • MEMBER
  • 1 POST
My 2004 Pacifica is having the exact same issue. I was told by my local dealership it was possibly shrinkage from the heat of the sun. I asked how I could fix and they stated i would have to replace an entire section of the dashboard which would cost me gobs of money. So I gave up on the effort. What I would like to know is what does one do if the airbag deploys on the passenger side? Do you have to replace the dash in that case to? Seems like a very bad design if this is the case.
Feb 2, 2011 at 9:13 AM
Avatar
STRAILER
  • CERTIFIED EXPERT
  • 53,854 POSTS
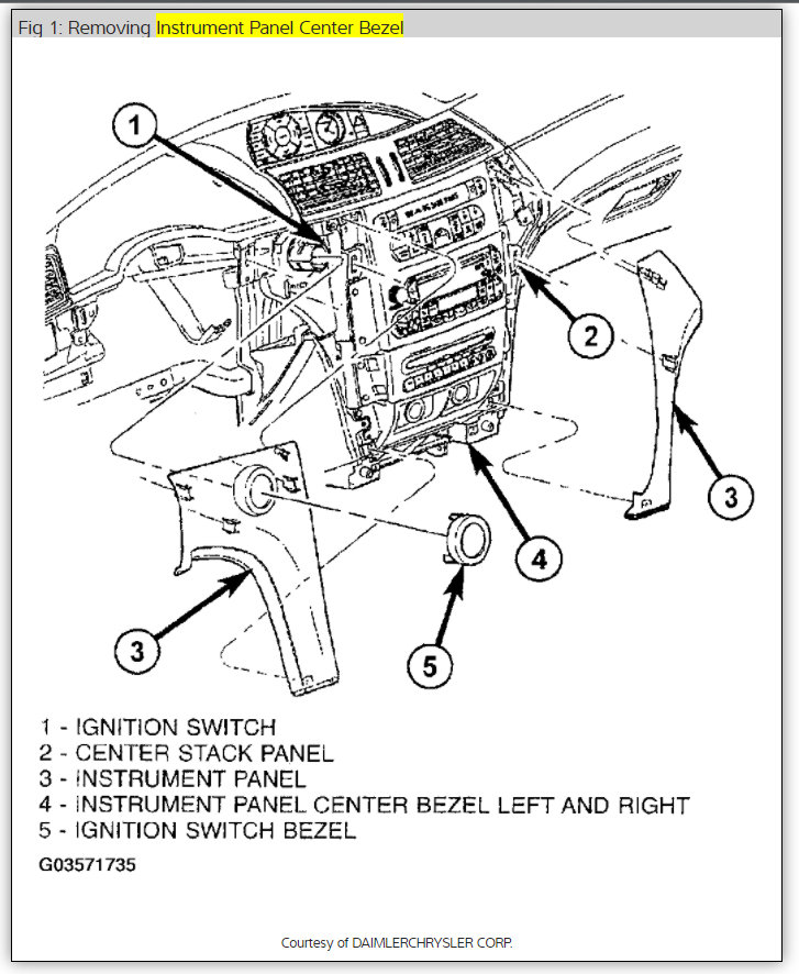
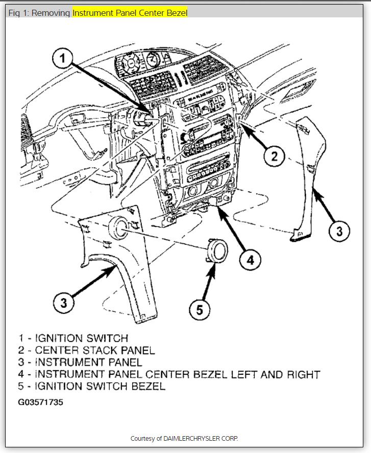
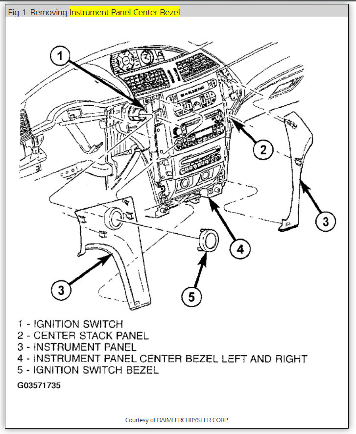
Yep it is an involved job to get the dash replaced but it looks like it is the only way. Here are the diagram (below) to help you get the job done.

Please let us know if you need anything else to get the problem fixed.

Cheers, Ken

Sep 15, 2017 at 5:32 PM
Advertisement
Avatar
BYCZYNV1
  • MEMBER
  • 1 POST
During cold months not as much a problem, whether the ac or heat is on/off I hear a whitle sound ( Like a ballon releasing air/ whistle ). The faster over 70mph I drive, the louder the sound gets. Driving me nuts!
Sep 15, 2017 at 5:33 PM (Merged)
Avatar
JACOBANDNICKOLAS
  • CERTIFIED EXPERT
  • 110,175 POSTS
Check for leaks near and around the heater core (HVAC box) under the dash and under the hood along firewall.
Sep 15, 2017 at 5:33 PM (Merged)