Starter replacement

2004 CHEVROLET TRAILBLAZER
133,000 MILES • 4.2L • V6 • 4WD • AUTOMATIC
Avatar
BLESS2SUCCESS
  • MEMBER
  • 45 POSTS
I had bought a new starter off eBay for my vehicle for $47.00 but the part is made in China. Should I put it on when ever the original one that is currently fourteen years old wear out or just leave it alone and go somewhere else and buy another new one?
Feb 2, 2019 at 8:47 PM
Advertisement
Avatar
JACOBANDNICKOLAS
  • CERTIFIED EXPERT
  • 110,175 POSTS
Hi and thanks for using 2CarPros.

I hate to say it, but most parts anymore are imported from overseas. If it is the correct starter, it should be fine.

Here is a link that may be helpful. It shows in general how to replace a starter.

https://www.2carpros.com/articles/how-to-replace-a-starter-motor

_______________________________

Here are the directions specific to your vehicle for replacing the starter. The attached pictures correlate with these directions.

STARTER MOTOR REPLACEMENT

REMOVAL PROCEDURE


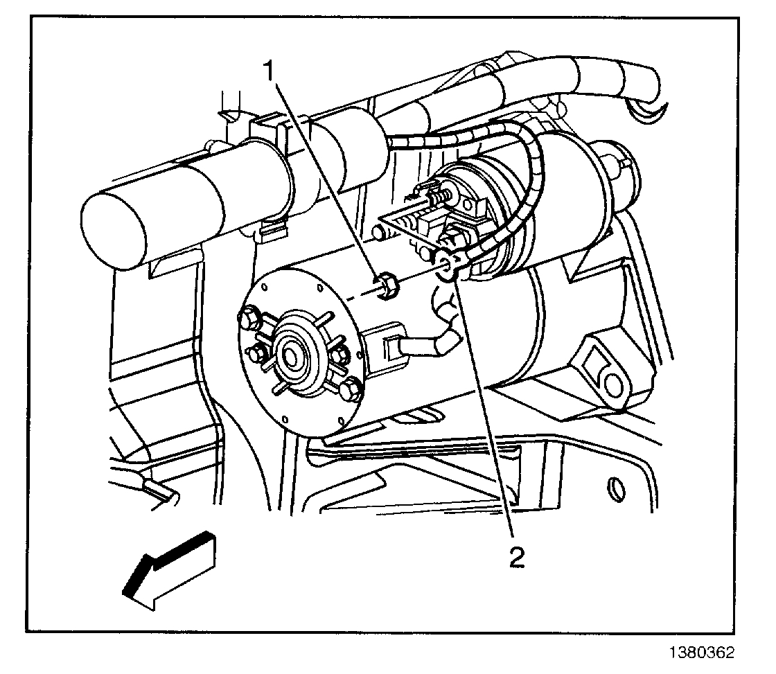
Picture 1
1. Disconnect the battery negative cable.
2. Remove the vacuum brake booster hose.
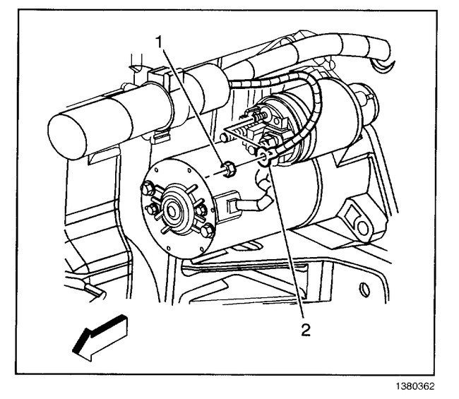
3. Remove the battery positive lead from the solenoid (1).


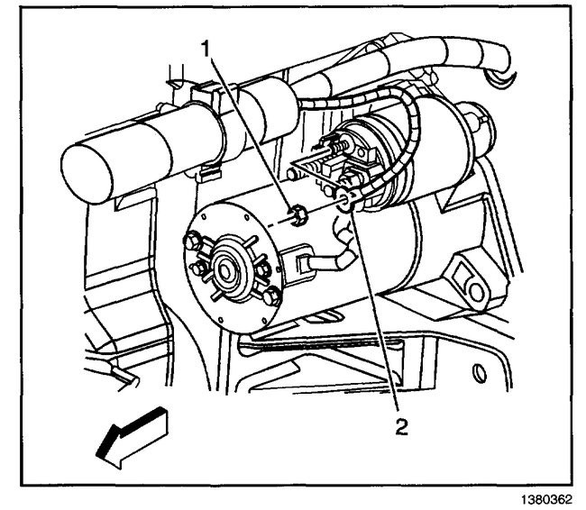
Picture 2
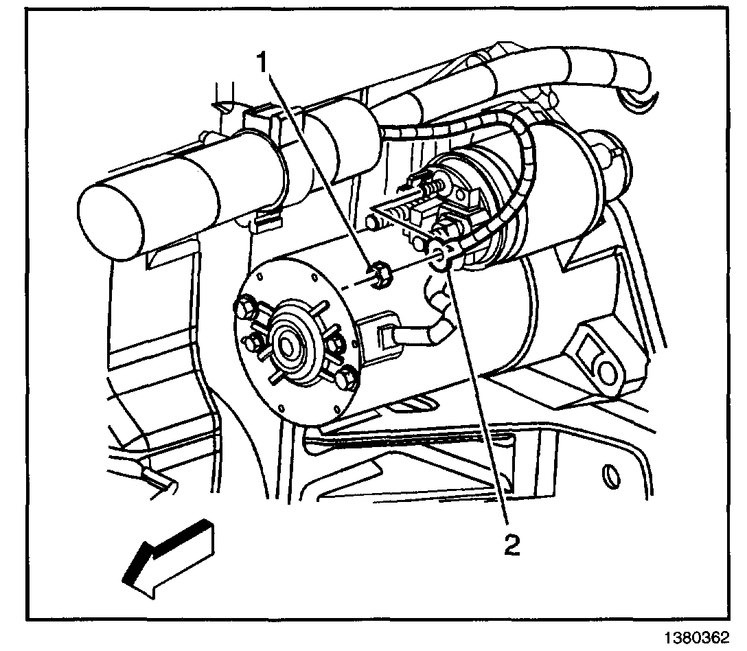
4. Remove the starter solenoid S-terminal lead nut (1) from the solenoid.
5. Remove the starter solenoid S4erminal lead (2) from the solenoid.


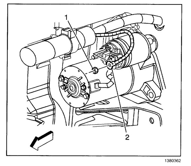
Picture 3

6. Remove the starter mount bolt and nut (1, 2).
7. Remove the starter motor.

INSTALLATION PROCEDURE

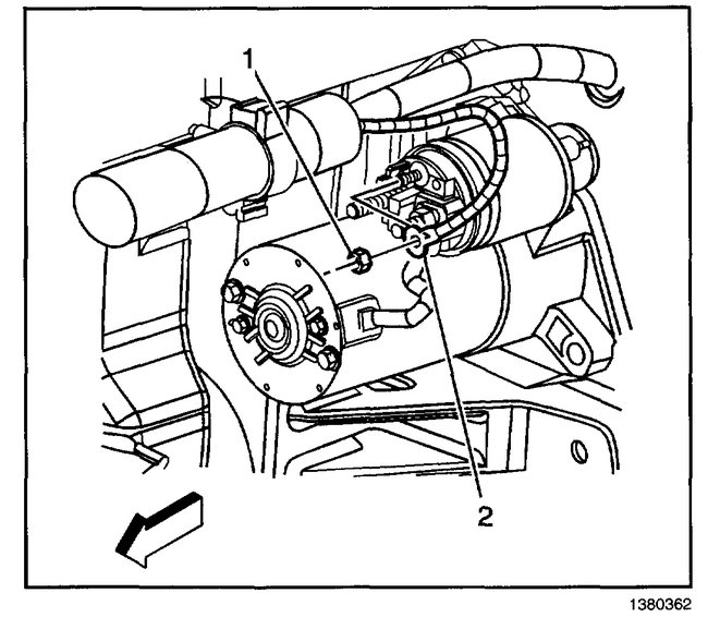
Picture 4
1. Install the starter motor.

NOTE: Refer to Fastener Notice in Service Precautions.

2. Install the starter motor mount bolt (2) and nut (1).

Tighten
Tighten the starter mount bolt and nut to 50 N.m (37 lb ft).


Picture 5
3. Connect the positive battery cable to the starter solenoid and secure the cable with a nut (1).

Tighten
Tighten the positive cable nut to 9 N.m (80 lb in).

Picture 6
4. Install the starter solenoid S-terminal lead (2) to the solenoid and secure the lead with a nut (1).

Tighten
Tighten the S-terminal nut to 2.3 N.m (20 lb in).

5. Install the vacuum brake booster hose.
6. Connect the battery negative cable.

__________________________

Let me know if this helps or if you have other questions.

Take care,
Joe
Feb 2, 2019 at 10:01 PM