☰
Login
Join
×
Home
Answered Questions
Repair Topics
Repair & Service Guides
Popular Questions
Warning Lights
Trouble Codes
How It Works
Testing / Diagnostics
Symptoms
Videos
Login
Become a Member
Home
Chevrolet
Silverado
Body
Wiper
Switch
windshield wipers
2004 CHEVROLET SILVERADO
140,000 MILES
JBRUIN
MEMBER
1 POST
FOLLOW
my windsheld wipers 2004 silverado won't shut off and the switch is not the problem
Feb 17, 2011 at 8:57 PM
Advertisement
JDL
CERTIFIED EXPERT
16,098 POSTS
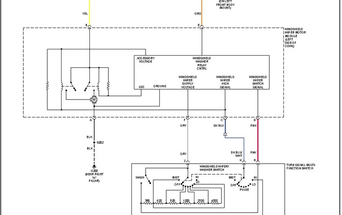
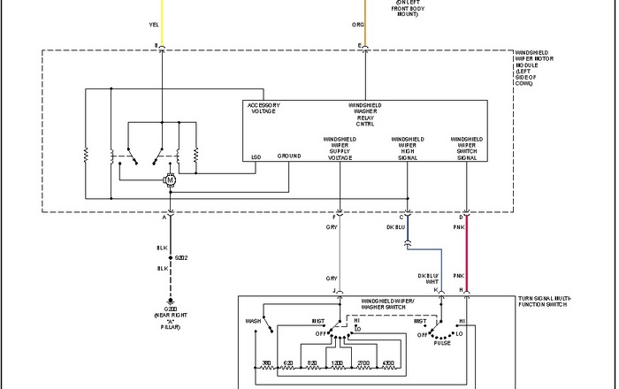
Our database shows this for testing. The rest is up to you.
Images (Click to enlarge)
Feb 17, 2011 at 9:10 PM
JDL
CERTIFIED EXPERT
16,098 POSTS
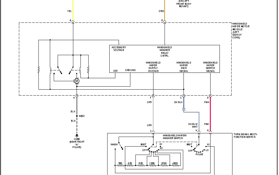
Just wanted to add this.
Images (Click to enlarge)
Feb 17, 2011 at 9:22 PM
Advertisement