Only AC or heat works on the drivers or passenger side why?

2004 CHEVROLET SILVERADO
1,005,000 MILES • V8 • 4WD • AUTOMATIC
Avatar
WINGNUT569
  • MEMBER
  • 1 POST
how do you change the drivers side temp door actuator? My truck only has heat on the passenger side. With a little research i found out that this is the most probable cause of my problem.
Nov 28, 2010 at 12:13 AM
Advertisement
Avatar
HMAC300
  • CERTIFIED EXPERT
  • 48,601 POSTS
the correct way is to pull the hvac unit out which requires pulling the dash. not an easy job. but you could try to undo the screws and pull the actuator out that way. it might be a little harder but save pulling the hvac and dash out.

This guide can help you see whats going on

https://www.2carpros.com/articles/replace-blend-door-motor

Please run down this guide and report back.
Aug 27, 2020 at 10:09 AM
Avatar
EDDIEF
  • MEMBER
  • 1 POST
I have replaced the climate control module and the blend door actuator, but I still do not have heat on the driver side.
Apr 30, 2021 at 12:25 PM (Merged)
Advertisement
Avatar
STRAILER
  • CERTIFIED EXPERT
  • 53,854 POSTS
Hello,

Turn the key on, then pull the HVAC (10 amp) fuse and wait 5 minutes. Then turn the key off and replace the fuse, then turn the key back on and the system on and it should calibrate. Did you use a OEM part when replacing the blend door actuator?

Check out the diagrams (Below). Please let us know what you find. We are interested to see what it is.

Cheers, Ken
Apr 30, 2021 at 12:25 PM (Merged)
Avatar
ARTHUR MENZEL
  • MEMBER
  • 1 POST
Blows cold air on left side. Hot air on right. Both controls Set on extreme cold.
Apr 30, 2021 at 12:25 PM (Merged)
Avatar
ASEMASTER6371
  • CERTIFIED EXPERT
  • 52,796 POSTS
Good afternoon.

The actuator is on top of the case which means the instrument panel must be removed to gain access.

Are you planning on doing this yourself?

Roy

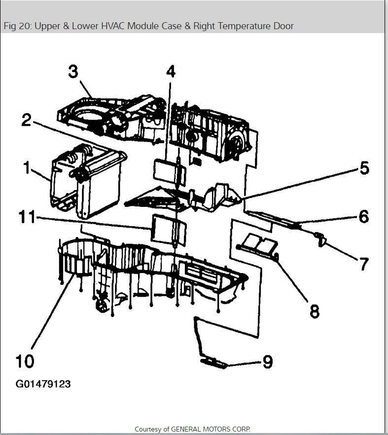
AIR TEMPERATURE ACTUATOR REPLACEMENT - RIGHT

REMOVAL PROCEDURE
1. Remove the I/P carrier.


imageOpen In New TabZoom/Print

2. Disconnect the electrical connector (4) from the right air temperature actuator (3).
3. Remove the screws from the right air temperature actuator (3).
4. Remove the right air temperature actuator (3) from the HVAC module assembly (2).


Apr 30, 2021 at 12:25 PM (Merged)
Avatar
PHIL5651
  • MEMBER
  • 2 POSTS
I watched your video below and it did not say driver side blend door, is this the correct procedure? The dealer indicates that the entire dash has to be removed.

https://www.youtube.com/watch?v=Eqf-H3COtSo
Published on November 4, 2013.

In this video we show how to replace the blend door actuator that controls the heat and cold in a 1999-2007 Chevrolet Silverado. The actuator that controls the feet, face and defrost is near the gas pedal.
Apr 30, 2021 at 12:25 PM (Merged)
Avatar
HMAC300
  • CERTIFIED EXPERT
  • 48,601 POSTS
your car has two different types of HVAC. picture show correct one. however, before you replace it pull HVAC fuse inside truck for sixty seconds with key on and it may reset it. do that first before you spend any money on parts.

This guide will help us fix the problem.

https://www.2carpros.com/articles/replace-blend-door-motor

Check out the diagrams (Below). Please let us know what you find.
Apr 30, 2021 at 12:25 PM (Merged)
Avatar
PHIL5651
  • MEMBER
  • 2 POSTS
I have done that and it resets for a little while and blow hot air again. I also hear clicking coming from behind the dash about in the location of the ash tray and glove box.
I assume from the picture you included is the actuator under the dash behind the plastic plate that has four 7mm screws holding it.
Apr 30, 2021 at 12:25 PM (Merged)
Avatar
HMAC300
  • CERTIFIED EXPERT
  • 48,601 POSTS
the actuator that is pictured is on the bottom of the HVAC unit kind of behind center of dash and two screws hold it. the actuator in new picture is re-circulation one which is behind glove box. that can be a broken door or the actuator is bad. on that. if the door shaft is broken that can be replaced but the whole HVAC unit may have to come out.
Apr 30, 2021 at 12:25 PM (Merged)
Avatar
DOVERBEE
  • MEMBER
  • 1 POST
I can turn off and restart engine and the drivers side blows cold again sometime for hours sometimes a few minutes.
Apr 30, 2021 at 12:26 PM (Merged)
Avatar
JACOBANDNICKOLAS
  • CERTIFIED EXPERT
  • 110,175 POSTS
Welcome to 2CarPros.

Since we know the system is working because it works on one side but not the other, my first suspect is a blend air door issue. The blend air door is what controls the air temp entering the vehicle.

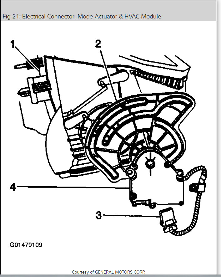
You will need to get under the dash to replace it. If you look at picture 1, it shows location. Locate number 1 on the picture and that is the actuator for the left side of the vehicle.

Here are the directions specific to your vehicle for replacement

____________________________________________________________

AIR TEMPERATURE ACTUATOR REPLACEMENT - LEFT

REMOVAL PROCEDURE
1. Remove the I/P insulator panel.


pic 2

2. Disconnect the electrical connector (1) from the left air temperature actuator (2).
3. Remove the screws from the left air temperature actuator (2).
4. Remove the left air temperature actuator (2) from the HVAC module assembly (3).

INSTALLATION PROCEDURE


pic 2

1. Install the left air temperature actuator (2) to the HVAC module assembly (3).

NOTE: Refer to Fastener Notice in Service Precautions.

2. Install the screws to the left air temperature actuator (2).

Tighten
Tighten the screws to 2 N.m (18 lb in).

3. Install the electrical connector (1) to the left air temperature actuator (2).
4. Install the I/P insulator panel.
5. Reprogram the air temperature actuator. Refer to Re-Calibrating Actuators. See: Heating and Air Conditioning > Component Tests and General Diagnostics

_______________________________________

Let me know if this helps.

Take care,

Joe
Apr 30, 2021 at 12:26 PM (Merged)
Avatar
RANDY THURMAN
  • MEMBER
  • 1 POST
air condition goes hot on drivers side of truck while passengers side stays cool.
Apr 30, 2021 at 12:27 PM (Merged)
Avatar
KASEKENNY
  • CERTIFIED EXPERT
  • 18,907 POSTS
This happens when the right or left temperature blend door actuator goes out. This guide can show you how a typical system works and where the actuators are located. I have included diagrams for your car below.

https://www.2carpros.com/articles/replace-blend-door-motor

Check out the diagrams (Below). Let us know what happens and please upload pictures or videos of the problem. Let me know what you find with this and we can go from there. Thanks
Apr 30, 2021 at 12:27 PM (Merged)
Avatar
RITCHIE CLAUSE
  • MEMBER
  • 1 POST
it has dual thermostats, the driver side when switched to cool continues to blow hot air, how do I fix?
Apr 30, 2021 at 12:27 PM (Merged)
Avatar
HMAC300
  • CERTIFIED EXPERT
  • 48,601 POSTS
check to see if the actuators on the HVAC are getting power. I will send a picture along to give you an idea where they are under the dash. Check out the diagrams (Below). Please let us know what happens.
Apr 30, 2021 at 12:27 PM (Merged)
Avatar
DARYLLSHARPE
  • MEMBER
  • 1 POST
got heat on driver side and cold air on passenger side at the same time. which actuator do i need to replace and does it have anything to do with fan switch working on one speed?
Apr 30, 2021 at 12:27 PM (Merged)
Avatar
STEVE W.
  • CERTIFIED EXPERT
  • 15,113 POSTS
On the split systems there are two actuators for temperature. The one for the passenger side is on top of the HVAC housing. To reach it you need to remove the dash and the actuator is the first item on top of the case. However, you might wish to try doing a
re-initialization of the actuators first.
That involves turning the key off, then removing the HVAC/ECAS fuse (10 amp in the underhood fuse block) for 20 seconds at least. Now put the fuse back in and start the truck. The actuators will self calibrate in under a minute. Try the heat control. If it works great, if not then you need to replace the actuator.

On the fan speed, which speed do you have? Is this the manual system or the automatic version?
Apr 30, 2021 at 12:27 PM (Merged)
Avatar
RCULPEPPER
  • MEMBER
  • 1 POST
Cold air only blows from defrost and window defrost vents. Passenger side blows hot air even with AC on. I can hear a noise under the dash trying to switch it to cold. It was intermittent in the beginning where sometimes it would do what I wanted it to, but stopped working all together. Seeing as how I live in Arizona my air conditioning is important to me. I have been told it was a blender door, an actuator, it is going to cost $1,500.00. What is it and how much does the part cost? I will install it myself if I need to.
Apr 30, 2021 at 12:27 PM (Merged)
Avatar
HMAC300
  • CERTIFIED EXPERT
  • 48,601 POSTS
try pulling HVAC fuse inside truck for sixty seconds with key on. leave key on and reinstall then start truck it may reset the actuator. it is mode door one that is sending air to windshield. that is on left hand side by gas pedal it may be cable operated. the other actuator is on top of HVAC unit it says to pull the dash to reach it but if you have small hands you may be able to get it from glove box. See picture. the actuators are from $35.00 to $130.00 depending on your system. You need to know if it is a D07 or not.
Apr 30, 2021 at 12:27 PM (Merged)
Avatar
KINGJACOB1983
  • MEMBER
  • 1 POST
I have same problem on my 2003 Chevy Silverado 2500 HD. I pulled the fuse as suggested above it did not reset actuator. Still blowing hot air. my problem began after I pulled out radio trying to fix cd player (not ejecting). I could not figure out the problem with CD player so I reinstalled everything. Later that day is when my air problem started. Is it possible I unplug something to that actuator? Or is it just a coincidence this happened the same day and my actuator is bad?
Apr 30, 2021 at 12:27 PM (Merged)
Avatar
STRAILER
  • CERTIFIED EXPERT
  • 53,854 POSTS
Hard to say on that one. I would recheck your work to make sure everything is plugged in and if so replace the actuator. Here is a guide and video that will show you what you are in for when doing the job:

https://www.2carpros.com/articles/replace-blend-door-motor

Please let us know what happens so it will help others.

Cheers, Ken
Apr 30, 2021 at 12:27 PM (Merged)
Avatar
MIKEGJAX
  • MEMBER
  • 1 POST
Hot air continually out of passenger side vents. If AC on drivers side cool, but hot on passenger side.
Apr 30, 2021 at 12:27 PM (Merged)
Avatar
SCGRANTURISMO
  • CERTIFIED EXPERT
  • 4,897 POSTS
Hello,

This could be a problem with the right temperature door. In the diagrams down below I have included troubleshooting and repair guides for your vehicle.

https://www.2carpros.com/articles/replace-blend-door-motor

Please go through them and get back to us with you find out. There are two different styles of air doors that came on your vehicle. I have included instructions for both of them.

Thanks,
Alex
2CarPros
Apr 30, 2021 at 12:27 PM (Merged)
Avatar
JESUSALBERTO
  • MEMBER
  • 1 POST
I recently bought this used truck A/C ran good but I notice that now A/C runs hot on driver side. When I turn A/C on passenger side just fine. I added water to the radiator in the morning. That's all I did differently.
Apr 30, 2021 at 12:27 PM (Merged)
Avatar
KASEKENNY
  • CERTIFIED EXPERT
  • 18,907 POSTS
Hi,

So when you say the A/C runs hot on the driver's side, you are talking about the air coming out of the vents? Adding water to the radiator is what is throwing me off because these are different systems so I just want to make sure I am understanding the issue.

Then I also understand that you have dual temperature zone? Meaning you can adjust the driver side and passenger side temperatures independently?

If this is the case then I suspect the air temperature actuator on that side as failed.
Apr 30, 2021 at 12:27 PM (Merged)
Avatar
GEORGE VILLALOBOS
  • MEMBER
  • 1 POST
My air conditioner seems to work on the driver side and the rear seats, but the passenger blows hot. Would this be a fuse problem or something in the main components? Thanks in advance.
Apr 30, 2021 at 3:15 PM (Merged)
Avatar
HMAC300
  • CERTIFIED EXPERT
  • 48,601 POSTS
more than likely the actuator for that side. try pulling hvac fuse inside truck for 60 seconds then reinstall with key on it may reset it. if not you will probably need an actuator if power goes to it.
Apr 30, 2021 at 3:15 PM (Merged)