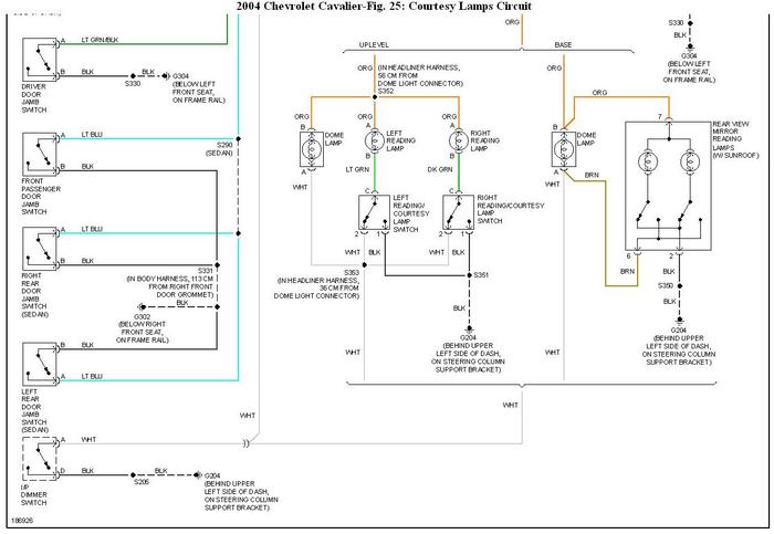
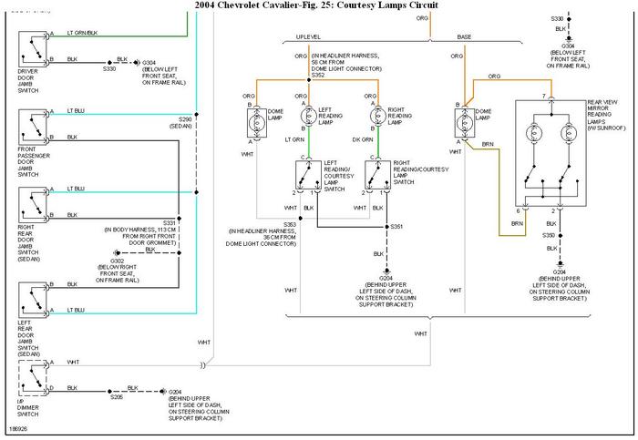
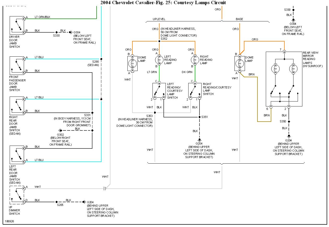
Have a 2002 Chevy Cav no power to dome/map lights and chime for keys left in ignition not chiming. The fuse is ok, checked it and radio is working (on same circuit), the dial to turn up light intensity and light works for the dash, but not dome. We tested the sockets, no power to any light in dome area. Just stopped working a week ago. I see many threads about dome lights staying on for this type of car, not off. If the door switches were bad, then the override dial on the dash should turn them on. I am baffled, there is some other relay or circuitry in there and so far, I can't find it. Thanks!
Dec 22, 2010 at 12:47 PM

