2004 CHEVROLET MALIBU
155,780 MILES
Avatar
ANONYMOUS
  • MEMBER
  • 1 POST
How to replace horn and gasgauge relay?
Nov 4, 2012 at 5:27 PM
Advertisement
Avatar
JDL
  • CERTIFIED EXPERT
  • 16,098 POSTS
Have you done any testing to see if horn will work? If you can get at horn wiring connector, take it loose, use jumper wires from battery for voltage and ground to horn connector. If it will honk, the horn itself is not the problem. Then there would be a problem with wiring circuit, somewhere, usually in the steering column. What about fuses?
Nov 4, 2012 at 5:39 PM
Avatar
JDL
  • CERTIFIED EXPERT
  • 16,098 POSTS
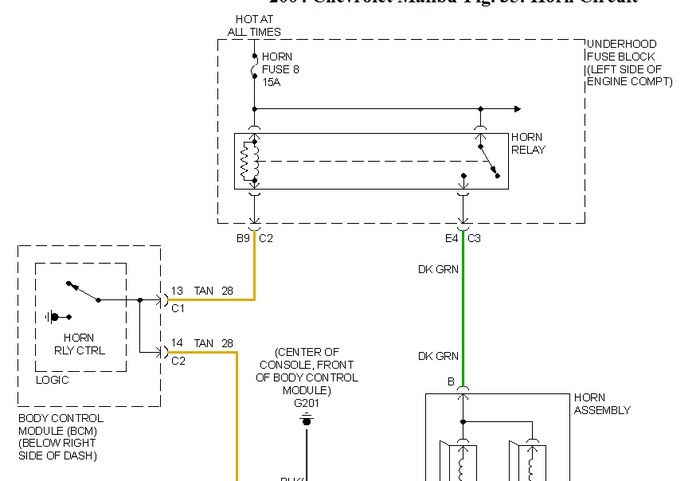
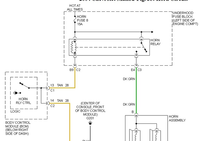
Just to add, horn diagram. In diagram is horn fuse and horn relay. Green wire to horn is voltage. Black wire is ground. You need both.
Nov 4, 2012 at 5:46 PM
Advertisement
Avatar
JDL
  • CERTIFIED EXPERT
  • 16,098 POSTS
Sorry, hit the wrong button. Here's diagram.
Nov 4, 2012 at 5:47 PM