engine won't crank over?

2004 CHEVROLET MALIBU
129,000 MILES
Avatar
MARIAS5
  • MEMBER
  • 2 POSTS
replaced the starter and the engine still won,t turnover.
Jan 24, 2012 at 3:19 PM
Advertisement
Avatar
FIXITMR
  • CERTIFIED EXPERT
  • 9,990 POSTS
Hello,

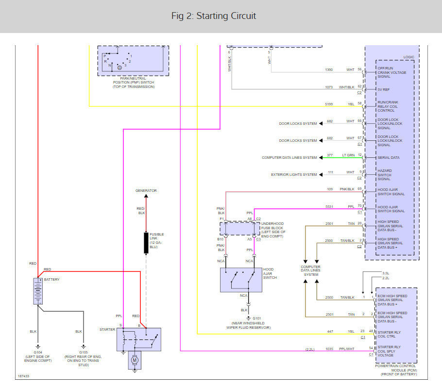
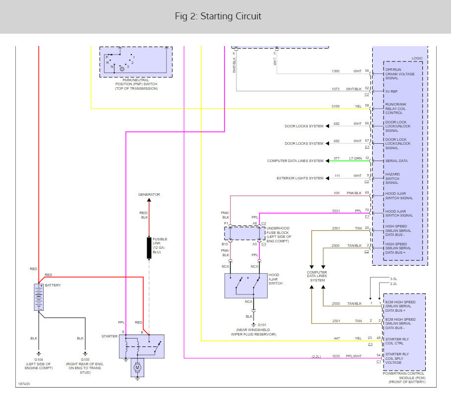
It sounds like you have a starter relay that is not working here are two guides to help us get started and the relay location and starter wiring diagrams so you can see how the4 system works below.

https://www.2carpros.com/articles/how-to-check-an-electrical-relay-and-wiring-control-circuit

and

https://www.2carpros.com/articles/starter-not-working-repair

Check out the diagrams (Below). Please let us know what you find. We are interested to see what it is.
Jan 24, 2012 at 3:46 PM
Avatar
MARIAS5
  • MEMBER
  • 2 POSTS
yes dash lights come on. there is a picture of the engine that appears when I try to start it. tried in neutral and still wont start.
Jan 24, 2012 at 5:32 PM
Advertisement
Avatar
FIXITMR
  • CERTIFIED EXPERT
  • 9,990 POSTS
when trying to start, check for voltage at starter solenoid ignition wire.
Jan 24, 2012 at 5:58 PM
Avatar
LADY DRVR
  • MEMBER
  • 1 POST
I got a new relay for $24.00 all fixed.
Feb 7, 2012 at 4:15 PM
Avatar
MADHUR.KR
  • MEMBER
  • 3 POSTS
When I try starting my car it won’t start and it makes this spinning noise.
Jan 29, 2021 at 9:56 AM (Merged)
Avatar
JACOBANDNICKOLAS
  • CERTIFIED EXPERT
  • 110,175 POSTS
The starter Bendix/solenoid is most likely bad and preventing the starter from engaging with the engine flywheel. Is suspect you should replace the starter.

Here is a link that explains how a starter works:

https://www.2carpros.com/articles/how-a-starter-and-solenoid-works

Here is a link that shows in general how one is replaced:

https://www.2carpros.com/articles/how-to-replace-a-starter-motor

Here are the directions specific to your vehicle for replacement. The attached pics correlate with the directions. Make sure before you begin working the battery is disconnected.

_______________________________________

2004 Chevrolet Malibu L4-2.2L VIN F
Procedures
Vehicle Starting and Charging Starting System Starter Motor Service and Repair Procedures
PROCEDURES
STARTER MOTOR REPLACEMENT

REMOVAL PROCEDURE

IMPORTANT: Record all pre-set radio stations.


pic 1

1. Turn the ignition OFF.
2. Disconnect the negative battery cable.
3. Remove the B+ battery cable nut at the starter.
4. Remove the S-terminal nut.

pic 2

5. Remove the lower starter assembly to engine block bolt.
6. Remove the upper starter assembly to engine block bolt.
7. Move the starter right, clearing the engine block, then left and out of the engine block (flywheel housing).

INSTALLATION PROCEDURE


pic 3

1. Guide the starter into the engine block (flywheel housing).

NOTE: Refer to Fastener Notice in Service Precautions.

2. Install the starter mounting bolts.

Tighten
Tighten the starter to engine bolts to 40 N.m (30 lb ft).

3. Install the B+ cable and nut.

Tighten
Tighten the B+ cable to starter nut to 10 N.m (7 lb ft).

4. Install the S-terminal wire and nut.

Tighten
Tighten the S-terminal nut to 5 N.m (4 lb ft).

5. Connect the negative battery cable to the battery.

__________________________________________________________

Let me know if that helps or if you have other questions.

Take care,
Joe
Jan 29, 2021 at 9:56 AM (Merged)
Avatar
REYNOLDSCLARK
  • MEMBER
  • 1 POST
the car will not turn over, battery is good. all the light come on. turn key light go out in the dash, let go of the switch light back on.
Jan 29, 2021 at 9:56 AM (Merged)
Avatar
HMAC300
  • CERTIFIED EXPERT
  • 48,601 POSTS
try a security system reset it may have engaged. See picture and link. attached one of these should work to start it. If not then have an assistant try to start and hit the body of starter with a hammer if it starts the starter is bad.
https://www.2carpros.com/articles/how-to-reset-a-security-system
Jan 29, 2021 at 9:56 AM (Merged)
Avatar
OKOYA
  • MEMBER
  • 1 POST
I just put in a rebuilt starter but the starter starts but car won't crank
Jan 29, 2021 at 9:57 AM (Merged)
Avatar
PROTECH1980
  • MEMBER
  • 901 POSTS
Very confusing, Is the car a no crank, or a crank no start, go here to assist you:

https://www.2carpros.com/articles/car-cranks-but-wont-start


check these out to determine which you have.
Jan 29, 2021 at 9:57 AM (Merged)
Avatar
RASMATAZ
  • CERTIFIED EXPERT
  • 75,992 POSTS
Sounds more like your starter overrunning clutch is slipping the fix is starter motor replacement
Jan 29, 2021 at 9:57 AM (Merged)
Avatar
TRISTAWIND
  • MEMBER
  • 2 POSTS
Car ran fine all day, went into the store and came out and it wouldn't start. It has automatic headlights that didn't come on when I tried to start it like normal but when I put them on the on position they did. There was also no lights on my dash and none of the gauges worked. I had clock lights and dome lights and brake etc.. When I turned the key the engine rolled over and almost started then just died down like it stalled. There was no clicking like a starter. There was 1/4 tank of gas. No other issues that I know of that would prevent it to start. Sounds like maybe something electrical, maybe the fuel relay or something of the sort.?
Jan 29, 2021 at 9:57 AM (Merged)
Avatar
DOCFIXIT
  • CERTIFIED EXPERT
  • 18,828 POSTS
Check battry voltage should be 12.6VDC also try a jump start
Jan 29, 2021 at 9:57 AM (Merged)
Avatar
TRISTAWIND
  • MEMBER
  • 2 POSTS
Checked the battery and it's fine, we also checked all of the fuses and relays and they're all fine as well. And we still have no clue what to do.
Jan 29, 2021 at 9:57 AM (Merged)
Avatar
DOCFIXIT
  • CERTIFIED EXPERT
  • 18,828 POSTS
Get to starter need a test light see small wire on solenoid? put test light on terminal turn key to start. If it lights then starter at fault if no light possible ignition switch or neutral safty switch.
Jan 29, 2021 at 9:57 AM (Merged)
Avatar
TIGERCAT
  • MEMBER
  • 2 POSTS
I had to replace the battery earlier this month and Sunday 1/10 coming back from town I looked down and the check engine light was on. I took the car in Tuesday and was told that the thermostat was weak which tripped the sensor. I still had heat and it wasn't overheating so I'm holding off on changing that. The light is still on. This morning I opened to door to remote start the car and it locked the doors, and lit the lights but wouldn't start; won't turn over. I tried the other remote and still didn't. I just talked to the mechanic and he said that the check enginge light sensor would not affect the remote start. Do you have any possible idea why this would happen? The temp outside was in the mid-20's. It had started remotely before the engine light came on.
Jan 29, 2021 at 9:57 AM (Merged)
Avatar
BRIAN 1
  • CERTIFIED EXPERT
  • 1,030 POSTS
it will not remote start with the check engine light on,these are the conditions:The RVS system will not operate if any of the following conditions are present:

• A current vehicle DTC that illuminates the malfunction indicator lamp (MIL)

• More than 2 remote starts have been attempted.

• The hazard switch is in the ON position.

• A current hazard switch DTC is set.

• The vehicle hood is ajar.

• A current hood ajar DTC is set.

• The CTD system detects an alarm trigger.

• Excessive engine RPM

• Excessive coolant temperature

• Accelerator pedal position greater than 0 percent

• Vehicle not in park

• Vehicle theft deterrent malfunction

• A current automatic transmission shift lock control system DRC is set.

• A vehicle speed sensor signal is detected by the ECM.

• The vehicle is in valet mode.

fix the SES light first and then remote start it.
Jan 29, 2021 at 9:57 AM (Merged)
Avatar
TIGERCAT
  • MEMBER
  • 2 POSTS
thank you for the response to my question.
That is what I thought might be the problem.
Jan 29, 2021 at 9:57 AM (Merged)
Avatar
MICLOU513
  • MEMBER
  • 1 POST
my car will not crank this morning. the battery is fine, per the radio, lights and auto locks are on. help! 2004 Chevy Malibu
Jan 29, 2021 at 9:57 AM (Merged)
Avatar
WRENCHTECH
  • CERTIFIED EXPERT
  • 20,761 POSTS
It takes a lot more power to operate the starter than any of those other things so you still should have the battery checked. Try shifting it into neutral to see if that helps. Otherwise the circuit is going to have to be tested to determine where it is being lost.

Check this guide out

https://www.2carpros.com/articles/how-to-replace-a-starter-motor

and

https://www.2carpros.com/articles/starter-not-working-repair

Please run down these guides and report back.
Jan 29, 2021 at 9:57 AM (Merged)
Avatar
JOSEPH KELLERHALS
  • MEMBER
  • 1 POST
Once in a while my Malibu will not turn over at all. I turn the key and the starter does nothing. The battery is new, the dash lights come on, the running lamps come on, but the starter does nothing. The transmission is in park.

After towing the car from my garage to the shop, it started first try for the mechanic. He can't figure out the problem. Could there be an electrical problem that was fixed by moving the car? This has happened twice in two months and will probably happen again.
Jan 29, 2021 at 9:58 AM (Merged)
Avatar
EUGENE123
  • CERTIFIED EXPERT
  • 273 POSTS
sounds like to me that your starter solenoid is going out because sometimes they work and sometimes they dont when there going bad
Jan 29, 2021 at 9:58 AM (Merged)
Avatar
VULCANKRON
  • MEMBER
  • 4 POSTS
my car started when i picked up from mechanic this morn had wheel bearing replaced. i went to one store and it started up fine there and went home. i went to leave my house and it started i went back up and stalled. i went to start it wouldnt start. i got it running for min but wanted to stall and kept accelerator rev then it stopped. after that wouldnt turn over just ran the battery dead. there no check light engine on and never had prob starting the car. any ideas.
Jan 29, 2021 at 9:58 AM (Merged)
Avatar
KNOWLEDGE IS POWER
  • EXPERT
  • 1,136 POSTS
it sounds like your battery is dead and possibly even the charging system. start by charging the battery first even before having it tested. a low battery will always fail a load test
Jan 29, 2021 at 9:58 AM (Merged)
Avatar
VULCANKRON
  • MEMBER
  • 4 POSTS
i had my car on jumper cables and when i went to start it still wouldnt turn over.
Jan 29, 2021 at 9:58 AM (Merged)
Avatar
KNOWLEDGE IS POWER
  • EXPERT
  • 1,136 POSTS
if the battery is dead enough cables wont work. if you have a battery charger use that, if not take the battery uot and go to a parts store. they all charge batteries to test them.
Jan 29, 2021 at 9:58 AM (Merged)
Avatar
VULCANKRON
  • MEMBER
  • 4 POSTS
i asked this question once and got one reply. my car ran earlier today and was fine starting and when i went to leave 3rd time it started then stalled. i started it again it fluttered for lil bit then stalled. i did this till battery died. i used jumper cables to jumpstart my car and it had plenty charge just wouldnt start anymore ideas then dead battery or car needs recharged. i neve had this problem before. fuel pump maby and i have no leaks and all my fluids are topped off. also i have no check light engines on either thanks.
Jan 29, 2021 at 9:59 AM (Merged)
Avatar
KNOWLEDGE IS POWER
  • EXPERT
  • 1,136 POSTS
if the engine is turning but not starting then the battery is fine. it could very well be your fuel pump then if that's the case. you can put a funnel in the gas tank and turn on the key while someone listens in the funnel. you should hear a hum briefly when the key is first turned
Jan 29, 2021 at 9:59 AM (Merged)
Avatar
HOMER1967
  • CERTIFIED EXPERT
  • 875 POSTS
yeah,it could be the fuel pump.have someone tap on the center of the fuel tank with a rubber mallet while you are trying to start it and if it starts then,you'll know it is the fuel pump.or you could also try a few drops of gas in the throttle body or a shot of starting fluid.
Jan 29, 2021 at 9:59 AM (Merged)
Avatar
VULCANKRON
  • MEMBER
  • 4 POSTS
it was fuel pump gonna cost me 575 fix it hes giving me 100 dollar discount would been 675 good thing this happen when i was home
Jan 29, 2021 at 9:59 AM (Merged)
Avatar
HOMER1967
  • CERTIFIED EXPERT
  • 875 POSTS
I'm glad you got it taken care of.
Jan 29, 2021 at 9:59 AM (Merged)