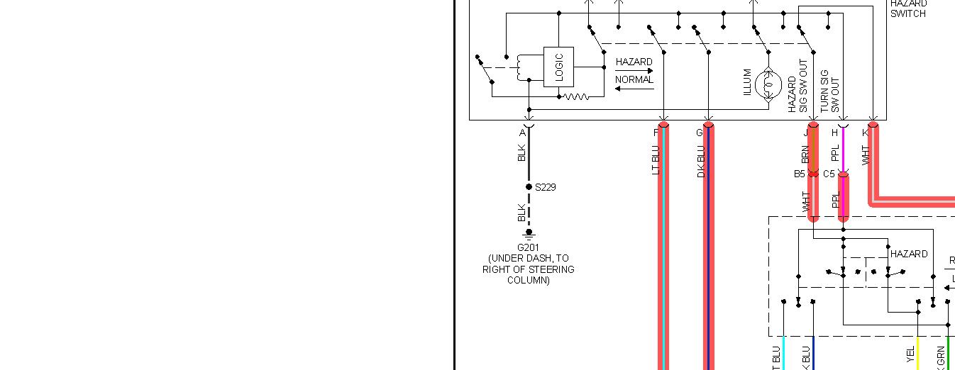
Everything on my multifunctional switch worked fine until I hit the top of my dah board right above my stering wheel to kill a bug and once I hit the dash board my blinkers and hazards wont work now. I checked the fuses and the light bulbs and they are all fine. Everything else on the multifunctinal switch works fine. Did I disconnect a wire when I hit the dash board? What could it be and how can I fix it?
Thank You
Thank You
Mar 5, 2012 at 9:10 PM

