Driver side rear LED brake light does not work when the light switch is on the off or auto position

2004 CADILLAC SRX
124,000 MILES • V6 • RWD • AUTOMATIC
Avatar
CHADILLAC12502
  • MEMBER
  • 1 POST
However, when i put it in the parking light position or the on position it works fine. What is a solution to the problem or the best way to troubleshoot the problem?
Feb 9, 2015 at 11:20 AM
Advertisement
Avatar
KASEKENNY
  • CERTIFIED EXPERT
  • 18,907 POSTS
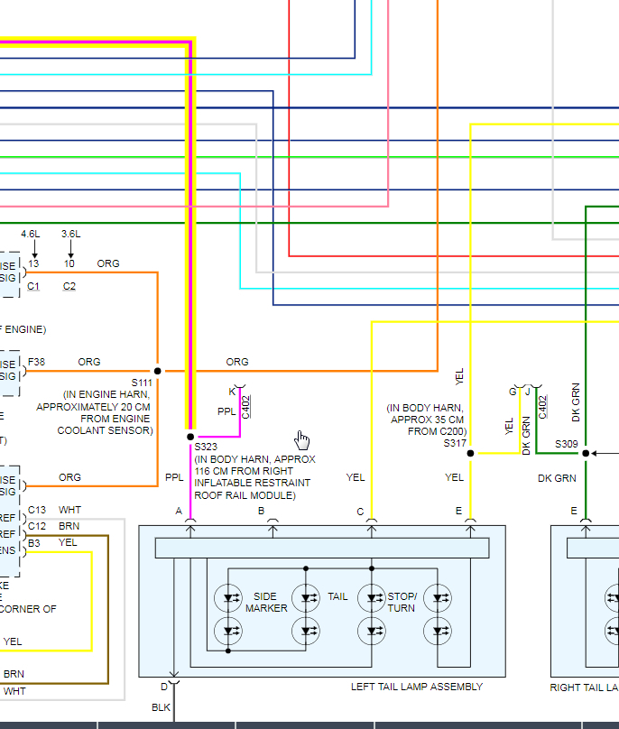
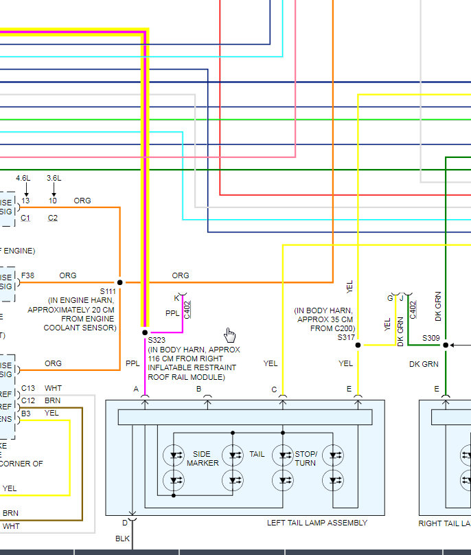
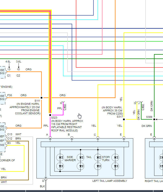
The way this works is the brake lamp switch provides the signal to the electronic brake control module that the pedal has been pressed and it sends signal to the turn hazard module which actually tells the lamp to turn on. Basically we need to go to the turn hazard module and see if we have voltage on the circuits highlighted.

I would suspect you have a code because as you can see there is a outage detect circuit so if the light assembly is the issue, I would suspect there is a code. If there is no code then I am sure your turn hazard module is the issue.

The reason I suspect this is because if the lamp works in the other positions it is because that power feed comes from a separate fuse which is also highlighted.

Please reach out with questions. Thanks
Mar 30, 2020 at 5:23 PM